70 738 товаров в наличии и на заказ

Электронные компоненты и расходные материалы

$
Настройка отображения валюты
Полный каталог
Скидка на Конденсаторы
-20%

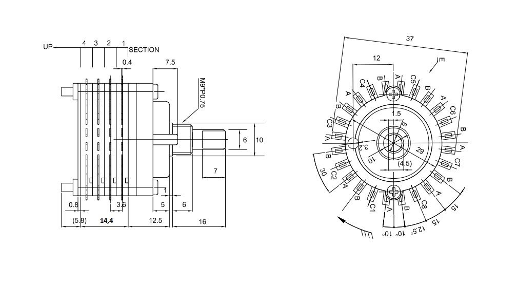
RCL371-4-8-6-16F 6 положений 8 направлений 0,5A(Ампер) 30V(Вольт) вал 16mm (F - гладкий сплошной с прямой лыской) Переключатель галетный.. (арт. BV-9290)

RUICHI; 4 платы (галеты); пластмасса; ручка поставляется отдельно; -; галетник, поворотный переключатель, многопозиционный переключатель, кулачковый переключатель…; ПГК…, ПГГ…, KTZ…

Галетный переключатель RUICHI RCL371-4-8-6-16F галетный поворотный переключатель, коммутирующий цепи сигнализации и управления с напряжением постоянного тока до 30 В, силой тока до 0,5 А и коммутируемой мощностью до 15 Вт. Расшифровка: RCL371 – серия переключателя, 4 – количество секций (галет), 8 –количество направлений (полюсов), 6 – количество положений (позиций), 16 – длина вала (мм), F – форма вала (сплошной с прямой лыской). Переключатель устанавливают так, чтобы увеличение регулируемых величин происходило при движении по часовой стрелке, а уменьшение - при движении против часовой стрелки. Число положений ручки управления соответствует числу контактов в секторе перемещения контакта (контактов), расположенного на роторе. Вся дополнительная информация находится во вложении на товар, см. pdf – файл.

Подробнее
Заметили
ошибку ?
Сообщите нам

Общая информация

Наименование RCL371-4-8-6-16F 6 положений 8 направлений 0,5A(Ампер) 30V(Вольт) вал 16mm (F - гладкий сплошной с прямой лыской) Переключатель галетный..
Код ТНВЭД 8536508008
Торговая марка RUICHI
Страна изготовления КИТАЙ
Дата изготовленияi дата не указана
Масса изделия, гр 38,3
Наличие паспорта - этикетки нет
Состояние упаковки самоупаковка

Основные параметры

Функциональная группа Переключатели
Функциональный тип Переключатель галетный
Серия переключателя RCL371
Конструкция переключателя закрытого типа (в корпусе)
Количество направлений 8 направлений
Количество положений 6 положений
Количество плат (галет) 4 платы (галеты)
Материал галет (плат) пластмасса
Угол поворота, градусы 30
Тип валаi F (гладкий сплошной с прямой лыской)
Форма вала круглая
Диаметр вала (выступающей части) 6 mm
Длина вала (длина выступающей части) 16 mm
Количество выводов 56
Шаг выводов 4,5 mm
Вид выводов под пайку
Материал выводов латунь
Покрытие выводов (Ag) серебро
Габаритные размеры L*W*H 45х38х48,7 mm
Длина корпуса 28 mm
Ширина корпуса 37 mm
Высота корпуса 37 mm
Материал корпуса пластмасса
Цвет корпуса белый
Метод монтажа механический на панель (М9х0,75 L=6 mm)
Метод монтажа электрический пайка
Установочные размеры крепежное отверстие d = 9,2 mm
Диаметр установочного отверстия 9,2 mm
Толщина панели 3 mm
Тип ручки ручка поставляется отдельно
Фактическая маркировка отсутствует
Аналогичные серии ПГК…, ПГГ…, KTZ…
Другие наименования галетник, поворотный переключатель, многопозиционный переключатель, кулачковый переключатель…

Технические характеристики

Коммутируемое напряжение 30 V
Коммутируемый ток 0,5 А
Максимальная коммутир.мощность 15 W
Сопротивление контактов не более 0,025 Ω
Сопротивление изоляции 100 MΩ
Электрическая прочность изоляции 500 V
Электрическая схема контактов галетных переключателей 6 положений 8 направлений
Вид нагрузки активная, индуктивная
Режим работы (род тока) постоянный, переменный

Условия эксплуатации

Степень защиты IPi IP5
Интервал рабочих температур от -20 до +70°C
Ресурс 10000 переключений
Относительная влажность 98% при температуре +40°С
Атмосферное давление 0,66 -106,6 kPa
Загрузка...
Принимаем заказы на товары,
не вошедшие в каталог

Пришлите маркировку необходимого вам товара.
Мы предоставим Вам наилучшие условия по поставке!

Оформить заявку

Похожие товары

Артикул (ID): CC-12225
Переключатель галетный ПГ3 5П4Н
  • 663.71 1 шт.
Артикул (ID): BV-9450
П2Г3-3П16Н 3 положения 16 направлений 2A(Ампер) 220V(Вольт) вал ОС-6 (гладкий с конической лыской с резьбой) Переключатель галетный, ЦЭ0.360.016 ТУ.
  • 3440 1 шт.
Артикул (ID): ZN-9541
RCL371-1-4-3-16F 3 положения 4 направления 0,3A(Ампер) 30V(Вольт) вал 16mm (F - гладкий сплошной с прямой лыской) Переключатель галетный.
  • 322.02 1 шт.
  • 322.02 от 10 шт.
  • 322.02 от 100 шт.
Артикул (ID): BV-6365
Уценка ПГК-11П1Н-А 11 положений 1 направление 3A(Ампер) 350V(Вольт) вал ВС-3 (сплошной с прямой лыской) Переключатель галетный, АГ0.360.204ТУ.
  • 315.2 1 шт.
Артикул (ID): KK-16396
ПГК 5П2Н-А|||1992|Зубова Поляна|з/уп
  • 204 1 шт.
Артикул (ID): KK-16391
МПН-1|||2018|Иркутск|с ручк., в п/эт
  • 612 1 шт.
Артикул (ID): BV-5800
П2Г3-4П3Н 4 положения 3 направления 2A(Ампер) 220V(Вольт) вал ОС-6 (гладкий с конической лыской с резьбой) Переключатель галетный, ЦЭ0.360.016 ТУ
  • 925 1 шт.
Артикул (ID): BV-5793
П2Г3-5П6Н 5 положений 6 направлений 2A(Ампер) 220V(Вольт) вал ОС-6 (гладкий с конической лыской с резьбой) Переключатель галетный, ЦЭ0.360.016 ТУ.2021
Артикул (ID): BV-5788
П2Г3-6П4Н 6 положений 4 направления 2A(Ампер) 220V(Вольт) вал ОС-6 (гладкий с конической лыской с резьбой) Переключатель галетный, ЦЭ0.360.016 ТУ 2021
Артикул (ID): KK-16040
ПГ3-11П2НВ||5|2017|Белово|с креп.
  • 561 1 шт.
Артикул (ID): KK-16039
ПГ3-11П2НВ||5|2016|Белово|с креп.
  • 561 1 шт.
Артикул (ID): KK-16038
ПГ3-11П2НВ||5|2015|Белово|с креп.
  • 561 1 шт.
Артикул (ID): KK-16037
ПГ3-11П2НВ||5|2014|Белово|с креп.
  • 510 1 шт.
Артикул (ID): KK-16036
ПГ3-11П2НВ||5|2013|Белово|с креп.
  • 510 1 шт.
Артикул (ID): ZM-3070
SR25N-1-1-5-15F 5 положений 1 направление 0,3A(Ампер) 125V(Вольт) вал 15mm (F - гладкий сплошной с прямой лыской) Переключатель галетный на провод.
  • 67.07 1 шт.
  • 67.07 от 10 шт.
  • 67.07 от 100 шт.

Недавно просмотренные товары

Принимаем к оплате
IP Electron в соцсетях