68 515 товаров в наличии и на заказ

Электронные компоненты и расходные материалы

$
Настройка отображения валюты
Полный каталог
Скидка на  Соединители
-20%

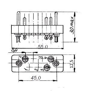
РП10-11Л Вилка с ловителем, карболит(арт. SK-6711)

No name USSR; 1500 V; 15 A; " 5" - ВП, ПЗ; -; БРО.364.025 ТУ

РП10-11Л Вилка с ловителем - электрический низкочастотный прямоугольный соединитель. Структура условного обозначения: РП - тип соединителя: ручного сочленения (расчленения) общего назначения низкочастотный, прямоугольный; 10 - порядковый номер разработки; 11 - количество контактов; Л - наличие ловителя (направляющих штырей); отсутствие буквы В - климатическое исполнение УХЛ. Соединитель предназначен для работы в цепях постоянного, переменного (с частотой до 3 МГц) и импульсного токов напряжением до 1500 В. Соединители РП10 имеют плавающие контакты. Подсоединение проводов к хвостовикам контактов методом пайки. Вся дополнительная информация находится во вложении на товар, см. pdf – файл.

Подробнее
Заметили
ошибку ?
Сообщите нам

Общая информация

Наименование РП10-11Л Вилка с ловителем, карболит
Торговая марка No name USSR
Страна изготовления СССР
Нормы и требования БР0.364.025 ТУ
Дата изготовленияi дата не указана
Вид приемки i "5"- ВП, ПЗ
Масса изделия, гр 13,65
Вид упаковки полиэт. пакет (1шт)
Состояние упаковки самоупаковка
Транслитерация RP10-11L Fork with catcher, carbolite
Наличие паспорта - этикетки нет

Основные параметры

Функциональная группа соединители
Функциональный тип прямоугольные низкочастотные
Серия прямоугольных соединителей РП10
Типономинал / Типоконструкция вилка
Фактическая маркировка отсутствует
Количество контактов 11
Диаметр контактов 1,5 mm
Материал контактов латунь
Покрытие контактов Ag (серебро)
Шаг между рядами контактов 5,5 mm
Шаг контактов в ряду 6,4 mm
Количество рядов контактов 2
Наличие замка для фиксации нет замка
Наличие ловителей направляющий штырь
Наличие кожуха нет кожуха
Материал изолятора карболит
Цвет изолятора коричневый
Длина изолятора 55 mm
Ширина изолятора 12,5 mm
Высота изолятора 9 mm
Габаритные размеры L*W*H 55х12,5х30 mm
Метод монтажа механический объемный монтаж
Метод монтажа электрический пайка
Установочные размеры 44,5 mm расстояние между монтажными отверстиями
Диаметр установочного отверстия 3,2 mm
Метод сочленения врубной

Технические характеристики

Рабочее напряжение, max 1500 V
Рабочий ток, max 15 A
Сопротивление контактов не более 4 mΩ
Сопротивление изоляции 10000 MΩ
- диапазон частот 1-2500 Hz
- амплитуда ускорения 18 g
Электрическая прочность изоляции 2700-3800 V

Условия эксплуатации

Интервал рабочих температур от -60 до +125°C
Климатическое исполнениеi УХЛ 2.1
Относительная влажность 98% при температуре +35°С
Максимальный срок хранения 25 лет
Ресурс 500 сочленений-расчленений
Минимальная наработка 12000 час.
Макс. срок хранения 25 лет

Полные аналоги

РП10-11Л Вилка с ловителем СНЕЖЕТЬ, фото
РП10-11Л Вилка с ловителем СНЕЖЕТЬ
РП10-11Л-В Вилка с ловителем СНЕЖЕТЬ, фото
РП10-11Л-В Вилка с ловителем СНЕЖЕТЬ
РП10-11Л-В Вилка с ловителем Электродеталь, фото
РП10-11Л-В Вилка с ловителем Электродеталь
УЗНП9-11ВП12-Л Лтава, фото
УЗНП9-11ВП12-Л Лтава
УЗНП9-11ВП12-Л-В Лтава, фото
УЗНП9-11ВП12-Л-В Лтава

Функциональные аналоги

Возможные аналоги

Загрузка...
Принимаем заказы на товары,
не вошедшие в каталог

Пришлите маркировку необходимого вам товара.
Мы предоставим Вам наилучшие условия по поставке!

Оформить заявку

Похожие товары

Артикул (ID): SK-6586
РП10-11Л Розетка с ловителем, карболит
Артикул (ID): SK-6552
РП10-11Л-О Розетка с ловителем, карболит
Артикул (ID): SK-6587
РП10-11Л-П-О Вилка с ловителем, пластмасса
  • 245 1 шт.
  • 225 от 5 шт.
  • 215 от 50 шт.
Артикул (ID): SK-8529
РП10-11ЛП-П-О Вилка с ловителем, прямой кожух, пластмасса
Артикул (ID): KK-14997
РП 10-22-В розетка|карб.|5|1991|Электродеталь|з/уп
  • 225 1 шт.
Артикул (ID): KK-14998
РП 10-22-В розетка|карб.|5|1993|Электродеталь|
  • 225 1 шт.
Артикул (ID): KK-15119
РП 10-7 ЛП-О вилка|карб.||1992|Электродеталь|с кож.,з/уп
  • 660 1 шт.
Артикул (ID): CC-04481
Разъём РП10-7 Л розетка
  • 452.91 1 шт.
Артикул (ID): BV-2577
РП10-11ЛП Вилка с ловителем, прямой кожух, карболит. бР0.364.025ТУ
  • 1200 1 шт.
Артикул (ID): KK-15234
РП 10-42 Л розетка|карб.||1992|Электродеталь|копия пасп.
  • 1305 1 шт.
Артикул (ID): KK-15235
РП 10-42 Л розетка|карб.||1993|Электродеталь|копия пасп.
  • 1305 1 шт.
Артикул (ID): KK-15236
РП 10-42 Л розетка|карб.||1999|Электродеталь|копия пасп.
  • 1305 1 шт.
Артикул (ID): KK-15237
РП 10-42 Л розетка|карб.||2000|Электродеталь|копия пасп.
  • 1350 1 шт.

Недавно просмотренные товары

Принимаем к оплате
IP Electron в соцсетях