74 579 товаров в наличии и на заказ

Электронные компоненты и расходные материалы

$
Настройка отображения валюты
Полный каталог
Скидка на Конденсаторы
-20%

РП10-15ЛП-П Вилка с ловителем, прямой кожух, пластмасса (арт. SK-6541)

ОАО «Карачевский завод «Электродеталь»; 1500 V; 15 A; " 1" - ОТК; алюминий; БРО.364.025ТУ

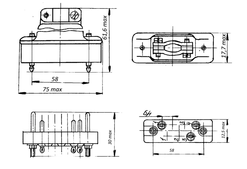
РП10-15ЛП-П Вилка - электрический низкочастотный прямоугольный соединитель. Структура условного обозначения: РП - тип соединителя: ручного сочленения (расчленения) общего назначения низкочастотный, прямоугольный; 10 - порядковый номер разработки; 15 - количество контактов; П - наличие корпуса с прямым выходом кабеля (жгута); П - изолятор из термопластичного материала; О - покрытие контактов олово-висмут (без буквы покрытие контактов серебром); отсутствие буквы В - климатическое исполнение УХЛ. Соединитель предназначен для работы в цепях постоянного, переменного (с частотой до 3 МГц) и импульсного токов напряжением до 1500 В. Соединители РП10 имеют плавающие контакты. Подсоединение проводов к хвостовикам контактов методом пайки. Вся дополнительная информация находится во вложении на товар, см. pdf – файл.

Подробнее
Заметили
ошибку ?
Сообщите нам

Общая информация

Наименование РП10-15ЛП-П Вилка с ловителем, прямой кожух, пластмасса
Код ТНВЭД 8536508008
Торговая марка ОАО «Карачевский завод «Электродеталь»
Страна изготовления СССР
Нормы и требования БР0.364.025 ТУ
Дата изготовленияi 1976-1991
Вид приемки i "1"- ОТК
Масса изделия, гр 49,61
Вид упаковки картонная коробка (20шт)
Доупаковка промасленная бумага
Состояние упаковки заводская
Транслитерация RP10-15LP-P Fork with catcher, straight casing, plastic
Наличие паспорта - этикетки есть

Основные параметры

Функциональная группа соединители
Функциональный тип прямоугольные низкочастотные
Серия прямоугольных соединителей РП10
Типономинал / Типоконструкция вилка
Фактическая маркировка РП10-15ЛП-П
Количество контактов 15
Диаметр контактов 1,5 mm
Материал контактов латунь
Покрытие контактов Ag (серебро)
Шаг между рядами контактов 5,5 mm
Шаг контактов в ряду 6,4 mm
Количество рядов контактов 2
Наличие замка для фиксации нет замка
Наличие ловителей направляющий штырь
Наличие кожуха прямой
Материал кожуха алюминий
Цвет кожуха серый
Материал изолятора пластмасса
Цвет изолятора синий
Длина изолятора 68 mm
Ширина изолятора 12,5 mm
Высота изолятора 9 mm
Габаритные размеры L*W*H 76х17,7х61,6 mm
Метод монтажа механический объемный монтаж
Метод монтажа электрический пайка
Установочные размеры 58 mm расстояние между монтажными отверстиями
Диаметр установочного отверстия 3,35 mm
Метод сочленения врубной

Технические характеристики

Рабочее напряжение, max 1500 V
Рабочий ток, max 15 A
Сопротивление контактов не более 4 mΩ
Сопротивление изоляции 10000 MΩ
- диапазон частот 1-2500 Hz
- амплитуда ускорения 18 g
Электрическая прочность изоляции 2700-3800 V

Условия эксплуатации

Интервал рабочих температур от -60 до +125°C
Климатическое исполнениеi УХЛ 2.1
Относительная влажность 98% при температуре +35°С
Ресурс 500 сочленений-расчленений
Минимальная наработка 12000 час.
Макс. срок хранения 25 лет

Полные аналоги

РП10-15ЛП Вилка Снежеть, фото
РП10-15ЛП Вилка Снежеть

Функциональные аналоги

РП10-15ЛП-П-О Вилка c ловителями, прямой кожух, пластмасса, фото
Артикул (ID): TN-4172
РП10-15ЛП-П-О Вилка c ловителями, прямой кожух, пластмасса
  • 383 1 шт.
  • 365 от 5 шт.
УЗНП9-15ВП121-Л Лтава, фото
УЗНП9-15ВП121-Л Лтава
УЗНП9-15ВП121-Л-В Лтава, фото
УЗНП9-15ВП121-Л-В Лтава
РП10-15ЛП-В Вилка Снежеть, фото
РП10-15ЛП-В Вилка Снежеть

Возможные аналоги

Загрузка...
Принимаем заказы на товары,
не вошедшие в каталог

Пришлите маркировку необходимого вам товара.
Мы предоставим Вам наилучшие условия по поставке!

Оформить заявку

Похожие товары

Артикул (ID): SK-6750
РП10-15"3"-П-О Вилка с замком, пластмасса
Артикул (ID): SN-9373
Кожух для РП10-15ЛП прямой металлический с крепежом.
  • 135 1 шт.
  • 122 от 5 шт.
Артикул (ID): SK-6538
РП10-15ЛУ-П-О Вилка с ловителем, угловой кожух, пластмасса
Артикул (ID): KK-14997
РП 10-22-В розетка|карб.|5|1991|Электродеталь|з/уп
  • 204 1 шт.
Артикул (ID): KK-14998
РП 10-22-В розетка|карб.|5|1993|Электродеталь|
  • 204 1 шт.
Артикул (ID): CC-04481
Разъём РП10-7 Л розетка
  • 428.46 1 шт.
Артикул (ID): BV-2577
РП10-11ЛП Вилка с ловителем, прямой кожух, карболит. бР0.364.025ТУ
  • 1080 1 шт.
Артикул (ID): KK-15234
РП 10-42 Л розетка|карб.||1992|Электродеталь|копия пасп.
  • 1479 1 шт.
Артикул (ID): KK-15235
РП 10-42 Л розетка|карб.||1993|Электродеталь|копия пасп.
  • 1479 1 шт.
Артикул (ID): KK-15236
РП 10-42 Л розетка|карб.||1999|Электродеталь|копия пасп.
  • 1479 1 шт.
Артикул (ID): KK-15237
РП 10-42 Л розетка|карб.||2000|Электродеталь|копия пасп.
  • 1530 1 шт.
Артикул (ID): KK-15594
РП 10-11 ЛП розетка|карб.||1992|Электродеталь|з/уп
  • 476 1 шт.
Артикул (ID): KK-15793
РП 10-22-В розетка|карб.|9|1991|Электродеталь|
  • 204 1 шт.

Недавно просмотренные товары

Принимаем к оплате
IP Electron в соцсетях