74 579 товаров в наличии и на заказ

Электронные компоненты и расходные материалы

$
Настройка отображения валюты
Полный каталог
Скидка на Конденсаторы
-20%

РП10-15ЛУ Вилка с ловителем, угловой кожух, карболит (арт. TN-4175)

ОАО «Карачевский завод «Электродеталь»; 1500 V; 15 A; " 1" - ОТК; алюминий; БРО.364.025ТУ

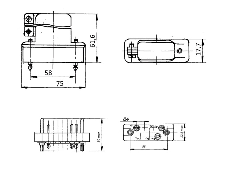
РП10-15ЛУ Вилка с ловителем - электрический низкочастотный прямоугольный соединитель. Структура условного обозначения: РП - тип соединителя: ручного сочленения (расчленения) общего назначения низкочастотный, прямоугольный; 10 - порядковый номер разработки; 15 - количество контактов; Л - наличие ловителя (направляющих штырей); У - наличие корпуса с угловым выходом кабеля (жгута); О - покрытие контактов олово-висмут (без буквы покрытие контактов серебром); отсутствие буквы В - климатическое исполнение УХЛ. Соединитель предназначен для работы в цепях постоянного, переменного (с частотой до 3 МГц) и импульсного токов напряжением до 1500 В. Соединители РП10 имеют плавающие контакты. Подсоединение проводов к хвостовикам контактов методом пайки. Вся дополнительная информация находится во вложении на товар, см. pdf – файл.

Подробнее
Заметили
ошибку ?
Сообщите нам

Общая информация

Наименование РП10-15ЛУ Вилка с ловителем, угловой кожух, карболит
Код ТНВЭД 8536508008
Торговая марка ОАО «Карачевский завод «Электродеталь»
Страна изготовления РОССИЯ
Нормы и требования БР0.364.025 ТУ
Дата изготовленияi 2000-2009
Вид приемки i "1"- ОТК
Масса изделия, гр 59,25
Вид упаковки полиэт. пакет (1шт)
Состояние упаковки самоупаковка
Транслитерация RP10-15LU Fork with catcher, corner casing, carbolite
Наличие паспорта - этикетки этикетка

Основные параметры

Функциональная группа соединители
Функциональный тип прямоугольные низкочастотные
Серия прямоугольных соединителей РП10
Типономинал / Типоконструкция вилка
Фактическая маркировка РП10-11ЛУ
Количество контактов 15
Диаметр контактов 1,5 mm
Материал контактов латунь
Покрытие контактов Ag (серебро)
Шаг между рядами контактов 5,5 mm
Шаг контактов в ряду 6,4 mm
Количество рядов контактов 2
Наличие замка для фиксации нет замка
Наличие ловителей направляющий штырь
Наличие кожуха угловой
Материал кожуха алюминий
Цвет кожуха серый
Материал изолятора карболит
Цвет изолятора коричневый
Длина изолятора 68 mm
Ширина изолятора 12,5 mm
Высота изолятора 9 mm
Габаритные размеры L*W*H 75х17,7х61,6 mm
Метод монтажа механический объемный монтаж
Метод монтажа электрический пайка
Установочные размеры 58 mm расстояние между монтажными отверстиями
Диаметр установочного отверстия 3,2 mm
Метод сочленения врубной

Технические характеристики

Рабочее напряжение, max 1500 V
Рабочий ток, max 15 A
Сопротивление контактов не более 4 mΩ
Сопротивление изоляции 10000 MΩ
- диапазон частот 1-2500 Hz
- амплитуда ускорения 18 g
Электрическая прочность изоляции 2700-3800 V

Условия эксплуатации

Интервал рабочих температур от -60 до +125°C
Климатическое исполнениеi УХЛ 2.1
Относительная влажность 98% при температуре +35°С
Ресурс 500 сочленений-расчленений
Минимальная наработка 12000 час.
Макс. срок хранения 25 лет

Полные аналоги

УЗНП9-15ВП123-Л Лтава, фото
УЗНП9-15ВП123-Л Лтава

Функциональные аналоги

РП10-15ЛУ-П-О Вилка с ловителем, угловой кожух, пластмасса, фото
Артикул (ID): SK-6538
РП10-15ЛУ-П-О Вилка с ловителем, угловой кожух, пластмасса
УЗНП9-15ВП123-Л Лтава, фото
УЗНП9-15ВП123-Л Лтава
УЗНП9-15ВП123-Л-В Лтава, фото
УЗНП9-15ВП123-Л-В Лтава
РП10-15ЛУ-В Вилка Снежеть, фото
РП10-15ЛУ-В Вилка Снежеть
РП10-15ЛУ Вилка Снежеть, фото
РП10-15ЛУ Вилка Снежеть

Возможные аналоги

РП10-15ЛП-П Вилка с ловителем, прямой кожух, пластмасса, фото
Артикул (ID): SK-6541
РП10-15ЛП-П Вилка с ловителем, прямой кожух, пластмасса
  • 383 1 шт.
  • 365 от 5 шт.
УЗНП9-15ВП121-Л-В Лтава, фото
УЗНП9-15ВП121-Л-В Лтава
УЗНП9-15ВП121-Л Лтава, фото
УЗНП9-15ВП121-Л Лтава
РП10-15ЛП-В Вилка Снежеть, фото
РП10-15ЛП-В Вилка Снежеть
РП10-15ЛП Вилка Снежеть, фото
РП10-15ЛП Вилка Снежеть
Загрузка...
Принимаем заказы на товары,
не вошедшие в каталог

Пришлите маркировку необходимого вам товара.
Мы предоставим Вам наилучшие условия по поставке!

Оформить заявку

Похожие товары

Артикул (ID): SN-9373
Кожух для РП10-15ЛП прямой металлический с крепежом.
  • 135 1 шт.
  • 122 от 5 шт.
Артикул (ID): OP-1238
РП10-15Л Розетка с ловителем, карболит, 2005г
Артикул (ID): SK-6538
РП10-15ЛУ-П-О Вилка с ловителем, угловой кожух, пластмасса
Артикул (ID): TF-1409
РП10-15ЛП-О Вилка с ловителем, прямой кожух, карболит. бР0.364.025ТУ
  • 696 1 шт.
Артикул (ID): KK-14997
РП 10-22-В розетка|карб.|5|1991|Электродеталь|з/уп
  • 204 1 шт.
Артикул (ID): KK-14998
РП 10-22-В розетка|карб.|5|1993|Электродеталь|
  • 204 1 шт.
Артикул (ID): CC-04481
Разъём РП10-7 Л розетка
  • 428.46 1 шт.
Артикул (ID): BV-2577
РП10-11ЛП Вилка с ловителем, прямой кожух, карболит. бР0.364.025ТУ
  • 1080 1 шт.
Артикул (ID): KK-15234
РП 10-42 Л розетка|карб.||1992|Электродеталь|копия пасп.
  • 1479 1 шт.
Артикул (ID): KK-15235
РП 10-42 Л розетка|карб.||1993|Электродеталь|копия пасп.
  • 1479 1 шт.
Артикул (ID): KK-15236
РП 10-42 Л розетка|карб.||1999|Электродеталь|копия пасп.
  • 1479 1 шт.
Артикул (ID): KK-15237
РП 10-42 Л розетка|карб.||2000|Электродеталь|копия пасп.
  • 1530 1 шт.
Артикул (ID): KK-15594
РП 10-11 ЛП розетка|карб.||1992|Электродеталь|з/уп
  • 476 1 шт.
Артикул (ID): KK-15793
РП 10-22-В розетка|карб.|9|1991|Электродеталь|
  • 204 1 шт.

Недавно просмотренные товары

Принимаем к оплате
IP Electron в соцсетях