74 009 товаров в наличии и на заказ

Электронные компоненты и расходные материалы

$
Настройка отображения валюты
Полный каталог
Скидка на Конденсаторы
-20%

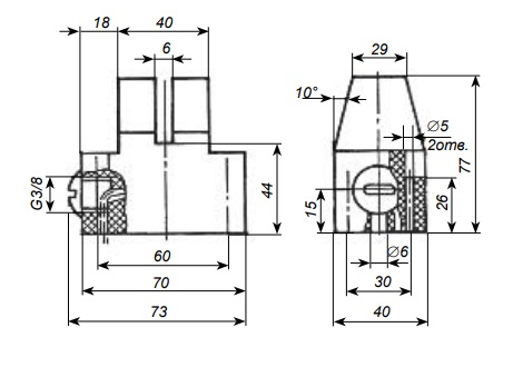
БВК-260-24О4 Датчик (арт. KT-864)

Датчик бесконтактный БВК-260 24В для контроля положения объектов и коммутации цепей управления посредством реле или бесконтактных логических элементов. Бесконтактный датчик предназначен  для работы в станках, автоматических линиях, кузнечно-прессовом оборудовании, литейных машинах, конвейерах и других устройствах общепромышленного назначения. Срабатывание датчика производится введением в щель алюминиевой пластины.
Расшифровка маркировки бесконтактного датчика: БВК-260-24-Х4 БВК - серия бесконтактных датчиков; 26 - номер разработки; 0 - номер исполнения; 24 - номинальное напряжение питания 24В; О4 - климатическое исполнение общеклиматическое и категория размещения. Вся дополнительная информация находится во вложении на товар, см. pdf – файл.

Подробнее
Заметили
ошибку ?
Сообщите нам

Общая информация

Наименование БВК-260-24О4 Датчик
Торговая марка РУП «Лидский завод электроизделий», Беларусь
Страна происхождения СССР
ТУ ТУ 2.024.5886-85
Вид приемки i "1"- ОТК
Масса изделия, гр 250
Дата выпуска 1989
Наличие паспорта - этикетки нет
Транслитерация BVK-260-24 O4 Sensor
Состояние упаковки самоупаковка

Основные параметры

Метод монтажа винтовое крепление
Фактическая маркировка БВК-260-24О4
Габаритные размеры L*W*H 73х40х77 mm
Длина корпуса 73 mm
Ширина корпуса 40 mm
Высота корпуса 77 mm
Материал корпуса пластмасса, полиамид
Цвет изделия черный

Технические характеристики

Степень защиты, (код IP) IP65
Ток нагрузки 0,25 mA
Потребляемая мощность 0,5 W
Напряжение питания 24 V

Условия эксплуатации

Интервал рабочих температур от -10 до +45°C
Климатическое исполнениеi О - общеклиматическое исполнение

Оставить отзыв

Оценка:
              
Преимущества *
Недостатки *
Комментарий *
Ваше Имя *
Эл. почта *
Введите текст с картинки:
* Поля для обязательного заполнения
Отзыв будет опубликован после проверки модератором
Принимаем заказы на товары,
не вошедшие в каталог

Пришлите маркировку необходимого вам товара.
Мы предоставим Вам наилучшие условия по поставке!

Оформить заявку

Недавно просмотренные товары

Принимаем к оплате
IP Electron в соцсетях