74 085 товаров в наличии и на заказ

Электронные компоненты и расходные материалы

$
Настройка отображения валюты
Полный каталог
Скидка на Конденсаторы
-20%

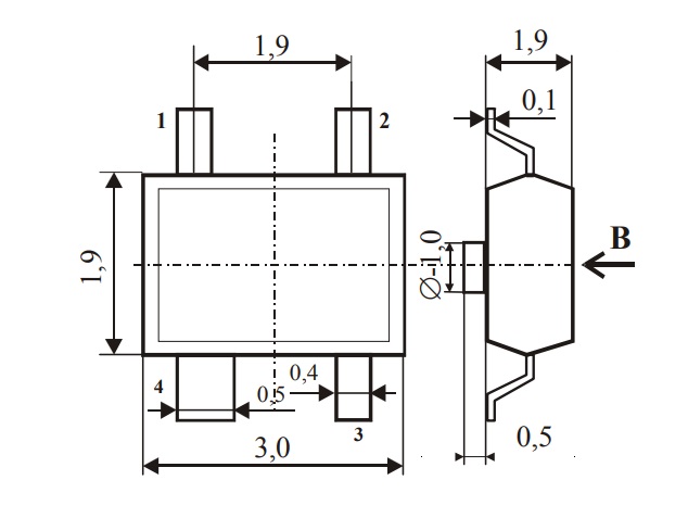
ПХИ-313 Преобразователь холла индикаторный (арт. TP-8182)

ПХИ-313 Преобразователь холла индикаторный на основе эпитексиальных структур врсенида галлия. Предназначен для использования в качестве чувствительного элемента датчиков положения ротора бесколлекторных двигателей постоянного тока.

Подробнее
Заметили
ошибку ?
Сообщите нам

Общая информация

Наименование ПХИ-313 Преобразователь холла индикаторный
Торговая марка No name USSR
Страна происхождения СССР
ТУ ПЯ2.273.011 ТУ
Вид приемки i "1"- ОТК
Масса изделия, гр 0,05
Дата выпуска 1990
Наличие паспорта - этикетки есть
Транслитерация PCHI-313
Состояние упаковки упаковка вскрыта

Основные параметры

Метод монтажа SMD (поверхностный)
Рабочее положение любое
Габаритные размеры L*W*H 1,5х3х1,2 mm
Высота корпуса 1,2 mm
Материал корпуса пластмасса

Технические характеристики

Номинальный ток 1

Условия эксплуатации

Интервал рабочих температур от -10 до +70°C
Относительная влажность 25% при температуре 98°С
Климатическое исполнениеi УХЛ 2.1

Оставить отзыв

Оценка:
              
Преимущества *
Недостатки *
Комментарий *
Ваше Имя *
Эл. почта *
Введите текст с картинки:
* Поля для обязательного заполнения
Отзыв будет опубликован после проверки модератором
Принимаем заказы на товары,
не вошедшие в каталог

Пришлите маркировку необходимого вам товара.
Мы предоставим Вам наилучшие условия по поставке!

Оформить заявку

Похожие товары

Артикул (ID): ZL-6924
SN04-P2 PNP NC Датчик
  • 166.64 1 шт.
  • 166.64 от 10 шт.
  • 166.64 от 100 шт.
Артикул (ID): ZL-6929
PR12-4DN-R Датчик
  • 287.7 1 шт.
  • 287.7 от 10 шт.
Артикул (ID): ZL-6930
PL-05N-R Датчик
  • 179.82 1 шт.
  • 179.82 от 10 шт.
  • 179.82 от 100 шт.
Артикул (ID): ZT-6919
LJ12A3-4-Z/AX NPN NC Датчик
  • 229.23 1 шт.
  • 229.23 от 10 шт.
  • 229.23 от 100 шт.
Артикул (ID): ZP-5745
ZEC110 20/20 15mm Датчик
  • 40.44 1 шт.
  • 40.44 от 10 шт.
  • 40.44 от 100 шт.
Артикул (ID): ZP-5744
RS2602 6 20mm Датчик
  • 77.78 1 шт.
  • 77.78 от 10 шт.
  • 77.78 от 100 шт.
Артикул (ID): ZP-5743
RS1702 3 15mm Датчик
  • 55.62 1 шт.
  • 55.62 от 10 шт.
  • 55.62 от 100 шт.
Артикул (ID): ZP-5742
RS1701 5 15mm Датчик
  • 52.25 1 шт.
  • 52.25 от 10 шт.
  • 52.25 от 100 шт.
Артикул (ID): ZP-5741
RS1701 3 15mm Датчик
  • 52.25 1 шт.
  • 52.25 от 10 шт.
  • 52.25 от 100 шт.
Артикул (ID): ZP-5733
EC110S 20/20 10mm pushpin Датчик
  • 45.51 1 шт.
  • 45.51 от 10 шт.
  • 45.51 от 100 шт.
Артикул (ID): ZP-5731
EC110M 30/15 10mm Датчик
  • 33.71 1 шт.
  • 33.71 от 10 шт.
  • 33.71 от 100 шт.
Артикул (ID): ZL-6926
SN04-N2 NPN NC Датчик
  • 166.65 1 шт.
  • 166.65 от 10 шт.
  • 166.65 от 100 шт.
Артикул (ID): ZL-6931
LJ12A3-4-Z/BY PNP NO Датчик
  • 229.23 1 шт.
  • 229.23 от 10 шт.
Артикул (ID): ZK-5981
SW-18020P Датчик
  • 3.51 1 шт.
  • 3.51 от 10 шт.
  • 3.51 от 100 шт.
Артикул (ID): ZK-5982
SW-18015P Датчик
  • 3.51 1 шт.
  • 3.51 от 10 шт.
  • 3.51 от 100 шт.

Недавно просмотренные товары

Принимаем к оплате
IP Electron в соцсетях