67 057 товаров в наличии и на заказ

Электронные компоненты и расходные материалы

$
Настройка отображения валюты
Полный каталог
Скидка на Устройства защиты
-20%

К140УД1А Микросхема, бК0.348.095-01ТУ (арт. KT-2510)

Микросхемы К140УД1А представляют собой операционные усилители средней точности без частотной коррекции. Произведены по биполярной технологии и предназначены для работы в радиоэлектронной аппаратуре общего назначения. Расшифровка маркировки полупроводниковой микросхемы К140УД1А: К - для использования в аппаратуре народнохозяйственного назначения; 1 - полупроводниковая микросхема; 40 - цифры, определяют номер разработки конкретного типа исполнения. В совокупности второй и третий элементы обозначают номер серии; УД - усилители операционные; 1 - цифра определяет условный номер разработки микросхемы в данной серии по определённому функциональному признаку; А - буква указывает на различие микросхем одного типа по электрическим параметрам, конструктивному исполнению или по температурному диапазону. Вся дополнительная информация находится во вложении на товар, см. pdf-файл.

Подробнее
Заметили
ошибку ?
Сообщите нам

Общая информация

Наименование К140УД1А Микросхема, бК0.348.095-01ТУ
Торговая марка No name USSR
Страна происхождения СССР
ТУ бК0.348.095-01ТУ
Вид приемки i "1"- ОТК
Масса изделия, гр 1,5
Дата выпуска 1983
Наличие паспорта - этикетки нет
Транслитерация K140UD1A Microcircuit, bK0.348.095-01TU
Состояние упаковки самоупаковка

Основные параметры

Функциональная группа Усилитель
Функциональный тип Операционный усилитель
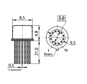
Типоразмер корпуса отечественный 301.12.1
Материал корпуса металл
Материал выводов, контактов латунь
Покрытие выводов или контактов Au (золото)
Количество выводов или контактов 12
Метод монтажа ТНТ (выводной)
Рабочее положение любое
Фактическая маркировка К140УД1А
Цвет изделия серый
Габаритные размеры L*W*H 25х9,5х9,5 mm
Длина корпуса 4,8 mm
Ширина корпуса 8,5 mm
Высота корпуса 4,8 mm
Длина выводов 21 mm

Технические характеристики

Напряжение питания ±12 V
Входное напряжение дифференциальное не более 7 V, синфазное не более ±17 V
Ток потребления не более 5 mA
Входной ток 13 mA

Условия эксплуатации

Минимальная наработка 2000 час.
Интервал рабочих температур от -60 до +125°C
Относительная влажность 98% при температуре +35°С
Климатическое исполнениеi УХЛ
Загрузка...
Принимаем заказы на товары,
не вошедшие в каталог

Пришлите маркировку необходимого вам товара.
Мы предоставим Вам наилучшие условия по поставке!

Оформить заявку

Недавно просмотренные товары

Принимаем к оплате
IP Electron в соцсетях