74 083 товаров в наличии и на заказ

Электронные компоненты и расходные материалы

$
Настройка отображения валюты
Полный каталог
Скидка на Конденсаторы
-20%

К224УР3 Микросхема, бК0.347.473-02ТУ (арт. SN-8774)

Микросхема К224УР3 - выполнена по гибридной толстопленочной технологии и предназначена для применения в радиовещательной и телевизионной аппаратуре. Представляет собой усилитель промежуточный частоты изображения в схеме АПЧГ телевизоров. Содержит 7 интегральных элементов.

Подробнее
Заметили
ошибку ?
Сообщите нам

Общая информация

Наименование К224УР3 Микросхема, бК0.347.473-02ТУ
Торговая марка ПО Восход, Калуга
Страна происхождения СССР
ТУ бК0.347.473-02ТУ
Вид приемки i "1"- ОТК
Масса изделия, гр 0,92
Дата выпуска 1982-1987
Наличие паспорта - этикетки есть
Транслитерация K224UR3 Microchip, BK0.347.473-02TU
Вид упаковки картонная коробка
Доупаковка пластиковый короб
Состояние упаковки заводская

Основные параметры

Функциональная группа Интегральная схема
Функциональный тип преобразователь
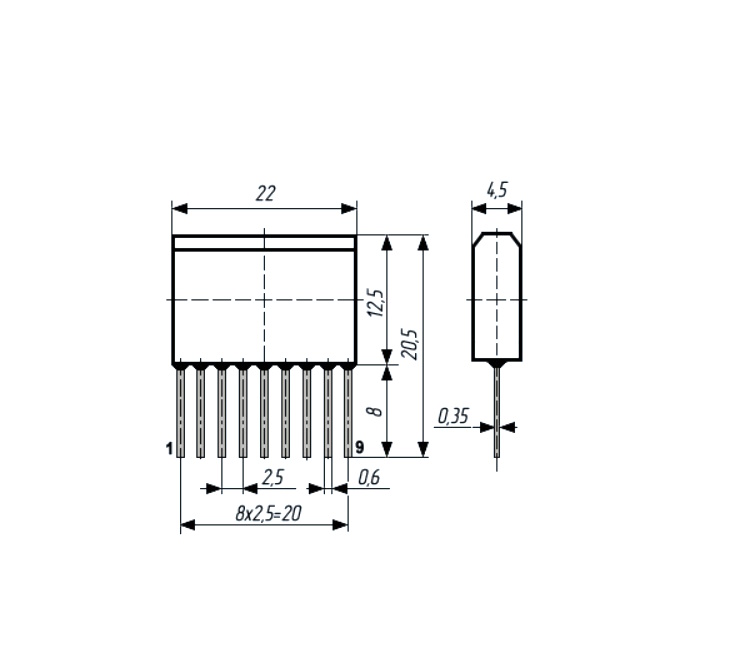
Типоразмер корпуса отечественный 115.9-1
Материал корпуса керамика
Покрытие корпуса толстопленочные
Материал выводов, контактов латунь
Покрытие выводов или контактов лужение
Количество выводов или контактов 9
Метод монтажа THT (выводной)
Рабочее положение любое
Фактическая маркировка К224УР3
Цвет изделия бежевый/розовый
Габаритные размеры L*W*H 22х4,5х20,5 mm
Длина корпуса 22 mm
Ширина корпуса 4,5 mm
Высота корпуса 12,5 mm
Длина выводов 8 mm

Технические характеристики

Напряжение питания 12 V
Выходное напряжение 5...8 V

Условия эксплуатации

Интервал рабочих температур от -30 до +50°C
Относительная влажность 98% при температуре +25°С
Климатическое исполнениеi УХЛ 3.1
Кратность упаковки 90

Оставить отзыв

Оценка:
              
Преимущества *
Недостатки *
Комментарий *
Ваше Имя *
Эл. почта *
Введите текст с картинки:
* Поля для обязательного заполнения
Отзыв будет опубликован после проверки модератором
Принимаем заказы на товары,
не вошедшие в каталог

Пришлите маркировку необходимого вам товара.
Мы предоставим Вам наилучшие условия по поставке!

Оформить заявку

Недавно просмотренные товары

Принимаем к оплате
IP Electron в соцсетях