70 765 товаров в наличии и на заказ

Электронные компоненты и расходные материалы

$
Настройка отображения валюты
Полный каталог
Скидка на Конденсаторы
-20%

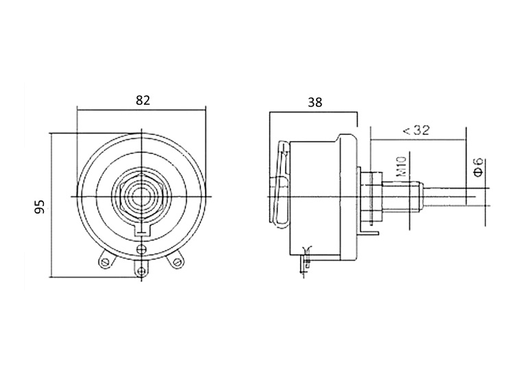
BC1-100 100W(Ватт) 50 Ω(Ом) Резистор переменный (потенциометр) (арт. ZK-2521)

BC1-100 100W(Ватт) 50Ω(Ом) Резистор переменный (потенциометр). Предназначен для работы в электрических цепях постоянного и переменного тока. Номинальная мощность 100 Вт. Номинальное сопротивление 50 Ом. Вся дополнительная информация находится во вложении на товар, см. pdf-файл.

Подробнее
Заметили
ошибку ?
Сообщите нам

Общая информация

Наименование BC1-100 100W(Ватт) 50 Ω(Ом) Резистор переменный (потенциометр)
Торговая марка No name China
Страна изготовления КИТАЙ
Дата изготовленияi дата не указана
Масса изделия, гр 290
Доупаковка бумага
Кратность упаковки 1

Основные параметры

Функциональная группа Резистор переменный (потенциометр)
Функциональный тип резисторы проволочные мощные
Серия резисторов BC1
Материал резистивного элемента проволока
Диаметр вала (оси) выступающей части 6 mm
Длина вала (длина выступающей части) 32 mm
Вид вала i ВС1(сплошной гладкий)
Вид и размер резьбы корпуса М10 (метрическая)
Исполнение потенциометра вертикальный
Материал выводов латунь
Материал корпуса керамика
Установочные размеры 10,2 mm
Вид выводов лепесток
Покрытие выводов (Ni) никель
Количество выводов 3
Количество оборотов однооборотный
Габаритные размеры L*W*H 95x82x70 mm
Диаметр корпуса 82 mm
Высота корпуса 38 mm
Метод монтажа механический на панель
Метод монтажа электрический пайка

Технические характеристики

Единицы измерения сопротивления Ω (Ом)
Номинальное сопротивление 50 Ω
Номинальная мощность 100 W

Условия эксплуатации

Интервал рабочих температур от -60 до +100°С

Функциональные аналоги

BC1-100 100W 50Ω, фото
BC1-100 100W 50Ω
BC1-100 100W 150Ω, фото
BC1-100 100W 150Ω
BC1-100 100W 200Ω, фото
BC1-100 100W 200Ω
BC1-100 100W 250Ω, фото
BC1-100 100W 250Ω

Возможные аналоги

BC1-150 150W 50Ω, фото
BC1-150 150W 50Ω
BC1-150 150W 100Ω, фото
BC1-150 150W 100Ω
BC1-150 150W 150Ω, фото
BC1-150 150W 150Ω
BC1-150 150W 200Ω, фото
BC1-150 150W 200Ω

Оставить отзыв

Оценка:
              
Преимущества *
Недостатки *
Комментарий *
Ваше Имя *
Эл. почта *
Введите текст с картинки:
* Поля для обязательного заполнения
Отзыв будет опубликован после проверки модератором
Принимаем заказы на товары,
не вошедшие в каталог

Пришлите маркировку необходимого вам товара.
Мы предоставим Вам наилучшие условия по поставке!

Оформить заявку

Похожие товары

Артикул (ID): TN-6790
ППБ-3Б 3W(Ватт) 6,8kΩ(кОм)±5%, Б-ВС2(под шлиц) Резистор переменный (потенциометр).
  • 293 1 шт.
  • 266 от 5 шт.
Артикул (ID): TN-4116
ППБ-3А 3W(Ватт) 68Ω(Ом)-А±5%, А-ВС1(сплошной гладкий) Резистор переменный (потенциометр)
Артикул (ID): TW-9535
ППБ-3Б 3W(Ватт) 10kΩ(кОм)±10%, Б-ВС2(под шлиц) Резистор переменный (потенциометр)
Артикул (ID): TM-1792
ППБ-2В 2W(Ватт) 4,7kΩ(кОм)-А±5%, В-ВС2(под шлиц) Резистор переменный (потенциометр)
Артикул (ID): TM-6524
ПП3-12 3W(Ватт) 4,7kΩ(кОм)-А±5%, ВС2(под шлиц) Резистор переменный (потенциометр)
Артикул (ID): TF-1899
Уценка ППБ-50Е 50W(Ватт) 22Ω(Ом)-А±5%, Е-ВС2(под шлиц) Резистор переменный (потенциометр)
  • 725 1 шт.
Артикул (ID): TF-1657
Уценка ПП3-41 3W(Ватт) 20kΩ(кОм)-А±10%, ВС2(под шлиц) Резистор переменный (потенциометр), ОЖ0.468.565ТУ
  • 135 1 шт.
Артикул (ID): KK-15082
ПП3-43-1 К||5|2016|Арзамас|10%,з/уп"
  • 510 1 шт.
Артикул (ID): KK-15083
ПП3-43-1 К||5|2017|Арзамас|10%,з/уп"
  • 561 1 шт.
Артикул (ID): KK-15084
ПП3-43-1 К||5|2018|Арзамас|10%,з/уп"
  • 561 1 шт.
Артикул (ID): KK-15085
ПП3-43-1 К||5|2019|Арзамас|10%,з/уп"
  • 612 1 шт.
Артикул (ID): ZR-7384
ППБ-3Б 3W(Ватт) 220Ω(Ом)-А, Б-ВС2(под шлиц) Резистор переменный (потенциометр)
  • 185.57 1 шт.
Артикул (ID): ZK-6902
BC1-100 100W(Ватт) 1Ω(Ом) Резистор переменный (потенциометр)
  • 969.18 1 шт.
  • 969.18 от 10 шт.
  • 969.18 от 100 шт.
Артикул (ID): BV-9300
ППБ-15Е 15W(Ватт) 470Ω(Ом)-А±10%, Е-ВС2(под шлиц) Резистор переменный (потенциометр), ОЖО 468.512 ТУ
  • 550 1 шт.
Артикул (ID): KK-16781
ПП3-43-220 Ом|||1993|Арзамас|10%,с креп.
  • 119 1 шт.

Недавно просмотренные товары

Принимаем к оплате
IP Electron в соцсетях