67 524 товаров в наличии и на заказ

Электронные компоненты и расходные материалы

$
Настройка отображения валюты
Полный каталог
Скидка на Конденсаторы
-20%

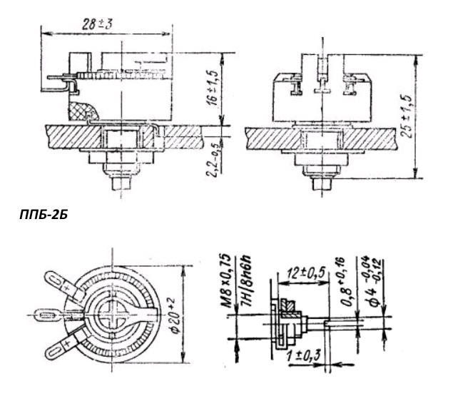
ППБ-2Б 2W(Ватт) 2,2k Ω(кОм)-А±5%, Б-ВС2(под шлиц) Резистор переменный (потенциометр) (арт. TP-8051)

ОАО Контакт, Йошкар-Ола; ОЖ0.468.512 ТУ; А - линейная; однооборотный

ППБ-2Б 2W(Ватт) 2,2kΩ(кОм)-А±5%, Б-ВС2(под шлиц) Резистор переменный (потенциометр) проволочный, подстроечный. Одинарный однооборотный. Предназначен для работы в электрических цепях постоянного и переменного тока. Номинальная мощность 2 W. Номинальное сопротивление 2,2 kΩ. Предельное напряжение 300 V. Более подробная информация находится в pdf-файле во вложении.

Подробнее
Заметили
ошибку ?
Сообщите нам

Общая информация

Наименование ППБ-2Б 2W(Ватт) 2,2k Ω(кОм)-А±5%, Б-ВС2(под шлиц) Резистор переменный (потенциометр)
Торговая марка ОАО Контакт, Йошкар-Ола
Страна изготовления СССР
Нормы и требования ОЖ0.468.512 ТУ
Дата изготовленияi 1959-1991
Вид приемки i "5"- ВП, ПЗ
Масса изделия, гр 16,4
Состояние упаковки самоупаковка
Кратность упаковки 5

Основные параметры

Функциональная группа Резистор переменный (потенциометр)
Функциональный тип резисторы проволочные мощные
Серия резисторов ППБ
Функциональная характеристика А - линейная
Материал резистивного элемента проволока
Диаметр вала (оси) выступающей части 4 mm
Длина конца вала 3 mm
Длина вала (длина выступающей части) 12 mm
Вид вала i ВС2(под шлиц)
Вариант конца вала ППБ Б
Вид и размер резьбы корпуса М8 (метрическая)
Исполнение потенциометра вертикальный
Материал выводов латунь
Материал корпуса керамика
Установочные размеры 8,2 mm
Вид выводов лепесток
Покрытие выводов (Ag) серебро
Количество выводов 3
Шаг выводов 7,5 mm
Количество оборотов однооборотный
Габаритные размеры L*W*H 29х28х20 mm
Диаметр корпуса 20 mm
Высота корпуса 16 mm
Метод монтажа механический на панель
Метод монтажа электрический пайка
Дополнительные характеристики подстроечный без стопорения вала
Фактическая маркировка ППБ-2Б 2,2 кОм±5%

Технические характеристики

Единицы измерения сопротивления kΩ (кОм)
Номинальное сопротивление 2,2 kΩ
Номинальная мощность 2 W
Макс. или предельное рабочее напряжение 400 V
ТКС - температурный коэффициент сопротивления ±500×10⁻⁶/1°C
Допустимое отклонение ±5%
Уровень шумов не более 5 %
Род тока постоянный и переменный

Условия эксплуатации

Минимальная наработка 10 000 час.
Ресурс 1000 циклов
Интервал рабочих температур от -60 до +155°С
Относительная влажность 98% при температуре +35°С
Атмосферное давление от 106700 до 27198 Pa
Диапазон частот 1
Климатическое исполнениеi УХЛ
Минимальный срок сохраняемости, лет 12
Загрузка...
Принимаем заказы на товары,
не вошедшие в каталог

Пришлите маркировку необходимого вам товара.
Мы предоставим Вам наилучшие условия по поставке!

Оформить заявку

Похожие товары

Артикул (ID): SN-4605
ППБ-3Б 3W(Ватт) 220Ω(Ом)-А±5%, Б-ВС2(под шлиц) Резистор переменный (потенциометр)
  • 293 1 шт.
  • 266 от 5 шт.
Артикул (ID): TM-3536
ППБ-3Б 3W(Ватт) 330Ω(Ом)-А±5%, Б-ВС2(под шлиц) Резистор переменный (потенциометр)
  • 293 1 шт.
  • 266 от 5 шт.
Артикул (ID): TP-8053
ППБ-2Б 2W(Ватт) 680Ω(Ом)-А±5%, Б-ВС2(под шлиц) Резистор переменный (потенциометр)
Артикул (ID): ZR-7382
ППБ-3Б 100Ом Резистор переменный (потенциометр).
  • 185.57 1 шт.
  • 185.57 от 10 шт.
Артикул (ID): TB-9965
Уценка ППБ-3В 3W(Ватт) 1kΩ(кОм)-А±10%, В-ВС2(под шлиц) Резистор переменный (потенциометр)
  • 86 1 шт.
Артикул (ID): TF-1899
Уценка ППБ-50Е 50W(Ватт) 22Ω(Ом)-А±5%, Е-ВС2(под шлиц) Резистор переменный (потенциометр)
  • 725 1 шт.
Артикул (ID): TF-1657
Уценка ПП3-41 3W(Ватт) 20kΩ(кОм)-А±10%, ВС2(под шлиц) Резистор переменный (потенциометр), ОЖ0.468.565ТУ
  • 135 1 шт.
Артикул (ID): KK-15082
ПП3-43-1 К||5|2016|Арзамас|10%,з/уп"
  • 510 1 шт.
Артикул (ID): KK-15083
ПП3-43-1 К||5|2017|Арзамас|10%,з/уп"
  • 561 1 шт.
Артикул (ID): KK-15084
ПП3-43-1 К||5|2018|Арзамас|10%,з/уп"
  • 561 1 шт.
Артикул (ID): KK-15085
ПП3-43-1 К||5|2019|Арзамас|10%,з/уп"
  • 612 1 шт.
Артикул (ID): ZR-7384
ППБ-3Б 3W(Ватт) 220Ω(Ом)-А, Б-ВС2(под шлиц) Резистор переменный (потенциометр)
  • 185.57 1 шт.
Артикул (ID): ZK-6902
BC1-100 100W(Ватт) 1Ω(Ом) Резистор переменный (потенциометр)
  • 969.18 1 шт.
  • 969.18 от 10 шт.
  • 969.18 от 100 шт.
Артикул (ID): BV-9300
ППБ-15Е 15W(Ватт) 470Ω(Ом)-А±10%, Е-ВС2(под шлиц) Резистор переменный (потенциометр), ОЖО 468.512 ТУ
  • 550 1 шт.
Артикул (ID): KK-16781
ПП3-43-220 Ом|||1993|Арзамас|10%,с креп.
  • 119 1 шт.

Недавно просмотренные товары

Принимаем к оплате
IP Electron в соцсетях