74 009 товаров в наличии и на заказ

Электронные компоненты и расходные материалы

$
Настройка отображения валюты
Полный каталог
Скидка на Конденсаторы
-20%

Д814В Стабилитрон, металл,ТУ аАО.336.207 (арт. OP-2454)

Стабилитроны Д814В кремниевые, сплавные, средней мощности. Предназначены для стабилизации напряжения 9,0-10,5 В в диапазоне токов стабилизации 3...32 мА. Используются для работы в различных радиоэлектронных устройствах широкого применения. Расшифровка маркировки стабилитрона Д814В: Д - буква, характеризующая весь класс полупроводниковых диодов; 814 - число (номер), которое указывает на область применения: от 801 до 900 - стабилитроны; В - буква, определяющая классификацию стабилитрона по параметрам. Вся дополнительная информация находится во вложении на товар, см. pdf-файл.

Подробнее
Заметили
ошибку ?
Сообщите нам

Общая информация

Наименование Д814В Стабилитрон, металл,ТУ аАО.336.207
Торговая марка ОАО ОРБИТА (Саранск)
Страна происхождения СССР
ТУ ТУ аАО.336.207
Вид приемки i "1"- ОТК
Масса изделия, гр 0,75
Дата выпуска 1977-1991
Наличие паспорта - этикетки нет
Транслитерация D814V Zener diode, metal,TU aAO.336.207
Вид упаковки картонная коробка (50шт)
Состояние упаковки заводская

Основные параметры

Функциональная группа Полупроводниковый диод
Функциональный тип стабилитрон средней мощности
Фактическая маркировка Д814В
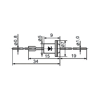
Типоразмер корпуса отечественный КД8
Тип вывода гибкий
Материал корпуса металлостеклянный
Метод монтажа объёмный
Установочные размеры Ø7 mm(вырез в панели)
Рабочее положение любое
Габаритные размеры L*W*H 6х6х55
Материал выводов, контактов латунь
Покрытие выводов или контактов лужение

Технические характеристики

Макс. мощность рассеивания 0,34 W
Минимальное напряжение стабилизации 9 V
Номинальное напряжение стабилизации 10 V
Максимальное напряжение стабилизации 10,5 V
Постоянное прямое напряжение 1 V
Постоянный обратный ток не более 0,1 mkA
Статическое сопротивление 18 Ω
Температурный коэффициент напряжения стабилизации, аUст. 0,07 %/°C
Временная нестабильность напряжения стабилизации ±1%
Максимально допустимый ток стабилизации 32 mA
Напряжение стабилизации, от ... до 9...10,5 V
Дифференциальное сопротивление, не более 12 Ω

Условия эксплуатации

Минимальная наработка 100000 час.
Интервал рабочих температур от -60 до +125°C
Относительная влажность 98% при температуре +35°С
Атмосферное давление 1,33·10-4 Па
Климатическое исполнениеi УХЛ
Загрузка...
Принимаем заказы на товары,
не вошедшие в каталог

Пришлите маркировку необходимого вам товара.
Мы предоставим Вам наилучшие условия по поставке!

Оформить заявку

Недавно просмотренные товары

Принимаем к оплате
IP Electron в соцсетях