74 478 товаров в наличии и на заказ

Электронные компоненты и расходные материалы

$
Настройка отображения валюты
Полный каталог
Скидка на Конденсаторы
-20%

Д901А Варикап,4.660.001 ТУ (арт. SN-2955)

Варикапы Д901А кремниевые, сплавные, подстроечные. Предназначены для применения в схемах подстройки контуров резонансных усилителей. Используются в электронной аппаратуре общего назначения. Расшифровка маркировки варикапа Д901А: Д - буква характеризующая весь класс полупроводниковых диодов; 901 - число (номер), которое указывает на область применения: от 901 до 950 - для варикапов; А - буква, определяющая классификацию по параметрам варикапа. Вся дополнительная информация находится во вложении на товар, см. pdf-файл.

Подробнее
Заметили
ошибку ?
Сообщите нам

Общая информация

Наименование Д901А Варикап,4.660.001 ТУ
Торговая марка ПО ДНЕПР, Херсон
Страна происхождения СССР
ТУ 4.660.001 ТУ
Вид приемки i "5"- ВП, ПЗ
Масса изделия, гр 0,71
Дата выпуска 1972-1982
Наличие паспорта - этикетки нет
Транслитерация Д901А Варикап,4.660.001 ТУ
Вид упаковки картонная коробка (50шт)
Доупаковка картонная пластина
Состояние упаковки заводская

Основные параметры

Функциональная группа Варикап
Фактическая маркировка Д901А
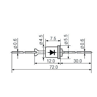
Типоразмер корпуса отечественный КДЮ-8-2
Тип вывода гибкий
Материал корпуса металлостеклянный
Метод монтажа THT (выводной)
Установочные размеры Ø7 mm(вырез в панели)
Рабочее положение любое
Габаритные размеры L*W*H 5,5х5,5х72 mm
Высота корпуса 7,5 mm
Материал выводов, контактов латунь
Покрытие выводов или контактов лужение

Технические характеристики

Рабочая частота 50 MHz
Макс. обратный ток 1мкА
Макс. постоянное обратное напряжение 80 V
Номинальная емкость 27 pF при Uобр = 4 V
Добротность 25 при f = 50мГц

Условия эксплуатации

Минимальная наработка 10 000 час.
Интервал рабочих температур от -60 до +125°C
Относительная влажность 98% при температуре +35°С
Атмосферное давление 1,33·10-4 Па
Климатическое исполнениеi УХЛ
Загрузка...
Принимаем заказы на товары,
не вошедшие в каталог

Пришлите маркировку необходимого вам товара.
Мы предоставим Вам наилучшие условия по поставке!

Оформить заявку

Недавно просмотренные товары

Принимаем к оплате
IP Electron в соцсетях