70 685 товаров в наличии и на заказ

Электронные компоненты и расходные материалы

$
Настройка отображения валюты
Полный каталог
Скидка на Конденсаторы
-20%

ГТ806А КТЮ-3-20 Транзистор, 3.365.021 ТУ (арт. KT-3689)

Транзистор ГТ806А биполярный, германиевый диффузионно-сплавной структуры p-n-p переключательный. Предназначен для применения в импульсных устройствах, преобразователях и стабилизаторах тока и напряжения. Г - буква, обозначающая исходный материал, из которого изготовлен транзистор и его категорию качества - германиевый транзистор категории качества «ОТК»; Т - буква, определяющая класс или подгруппу полупроводниковых приборов- биполярный транзистор; 8 - транзистор большой мощности - с максимальной рассеиваемой мощностью более 1,5 Вт и граничной частотой коэффициента передачи тока или максимальной рабочей частотой от 3 до 300 МГц; 06 - число, указывающее на порядковый номер разработки транзистора; А - буква, определяющая классификацию транзисторов по параметрам, изготовленных по единому технологическому процессу. Вся дополнительная информация находится во вложении на товар, см. pdf - файл.

Подробнее
Заметили
ошибку ?
Сообщите нам

Общая информация

Наименование ГТ806А КТЮ-3-20 Транзистор, 3.365.021 ТУ
Торговая марка ЗАО Группа-Кремний, Брянск
Страна происхождения СССР
ТУ 3.365.021 ТУ
Вид приемки i "1"- ОТК
Масса изделия, гр 22
Дата выпуска 1980-1981
Наличие паспорта - этикетки нет
Транслитерация GT806A KTY-3-20 Transistor, 3.365.021 TU
Состояние упаковки самоупаковка

Основные параметры

Функциональная группа Транзисторы
Функциональный тип биполярный
Типоразмер корпуса КТЮ-3-20
Фактическая маркировка ГТ806А
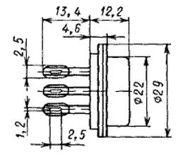
Габаритные размеры L*W*H 29х29х24 mm
Высота корпуса 12,2 mm
Тип вывода жесткий
Длина выводов 13,4 mm
Покрытие выводов или контактов Ni (никель)
Материал выводов, контактов латунь
Материал корпуса металл со стеклянными изоляторами
Метод монтажа THT (выводной)
Комплектность без фланца

Технические характеристики

Макс. обратный ток 8 µA
Макс. мощность рассеивания 30 W
Макс. допустимое напряжение коллектор-база Uкб 75 V
Макс. допустимое напряжение коллектор-эмиттер Uкэ 75 V
Макс. допустимый постоянный ток коллектора 15 A
Статический коэффициент передачи тока 10-100
Структура n-p-n

Условия эксплуатации

Интервал рабочих температур от -50 до +55°C
Климатическое исполнениеi УХЛ2

Оставить отзыв

Оценка:
              
Преимущества *
Недостатки *
Комментарий *
Ваше Имя *
Эл. почта *
Введите текст с картинки:
* Поля для обязательного заполнения
Отзыв будет опубликован после проверки модератором
Принимаем заказы на товары,
не вошедшие в каталог

Пришлите маркировку необходимого вам товара.
Мы предоставим Вам наилучшие условия по поставке!

Оформить заявку

Недавно просмотренные товары

Принимаем к оплате
IP Electron в соцсетях