70 734 товаров в наличии и на заказ

Электронные компоненты и расходные материалы

$
Настройка отображения валюты
Полный каталог
Скидка на Конденсаторы
-20%

МП39Б ТО-31 Транзистор, аА0.336.635ТУ (арт. TP-6414)

Транзистор МП39Б германиевый сплавный р-n-p усилительный низкочастотный с ненормированным  и нормированным коэффициентом шума.Предназначен для усиления сигналов низкой частоты. Расшифровка маркировки биполярного транзистора: МП39Б М - буква, обозначающая модификацию транзистора, приводящую к изменению его конструкции (холодносварной корпус); П - буква, определяющая тип полупроводникового прибора, где П - плоскостной транзистор; 39 - число, указывающее на область применения и исходный полупроводниковый материал, где от 1 до 99 - германиевые маломощные транзисторы низкой частоты; Б - буква, определяющая классификацию транзисторов по параметрам, изготовленных по единому технологическому процессу. Вся дополнительная информация находится во вложении на товар, см. pdf - файл.

Подробнее
Заметили
ошибку ?
Сообщите нам

Общая информация

Наименование МП39Б ТО-31 Транзистор, аА0.336.635ТУ
Торговая марка ЗАО Группа-Кремний, Брянск
Страна происхождения СССР
ТУ аА0.336.635ТУ
Вид приемки i "1"- ОТК
Масса изделия, гр 1,8
Дата выпуска 1976-1981
Наличие паспорта - этикетки нет
Транслитерация MP39B TO-31 Transistor, aA0.336.635TU
Состояние упаковки самоупаковка

Основные параметры

Функциональная группа Транзисторы
Функциональный тип биполярный
Типоразмер корпуса ТО-31
Фактическая маркировка МП39Б
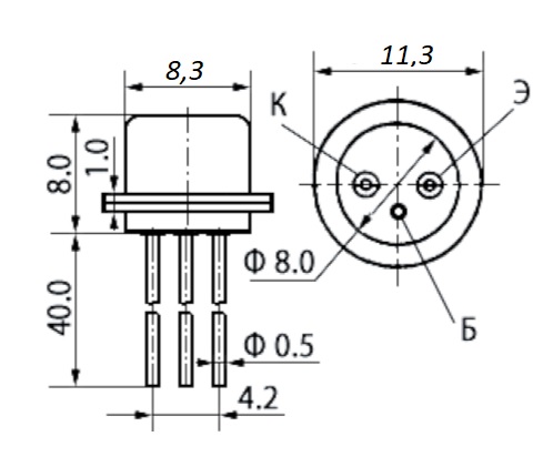
Габаритные размеры L*W*H 11,7х48 mm
Высота корпуса 8 mm
Тип вывода гибкий
Длина выводов 40 mm
Покрытие выводов или контактов Ni (никель)
Материал выводов, контактов латунь
Материал корпуса металлостеклянный
Метод монтажа ТНТ (выводной)

Технические характеристики

Макс. обратный ток 15 µA
Макс. мощность рассеивания 150 mW
Макс. допустимое напряжение коллектор-база Uкб 5 V
Макс. допустимый постоянный ток коллектора 30 mA
Статический коэффициент передачи тока 20-60
Структура p-n-p

Оставить отзыв

Оценка:
              
Преимущества *
Недостатки *
Комментарий *
Ваше Имя *
Эл. почта *
Введите текст с картинки:
* Поля для обязательного заполнения
Отзыв будет опубликован после проверки модератором
Принимаем заказы на товары,
не вошедшие в каталог

Пришлите маркировку необходимого вам товара.
Мы предоставим Вам наилучшие условия по поставке!

Оформить заявку

Недавно просмотренные товары

Принимаем к оплате
IP Electron в соцсетях