70 085 товаров в наличии и на заказ

Электронные компоненты и расходные материалы

$
Настройка отображения валюты
Полный каталог
Скидка на Конденсаторы
-20%

МП41А ТО-31 Транзистор (арт. TP-6412)

Транзисторы  МП41А германиевые сплавные p-n-p усилительные низкочастотные с ненормированным коэффициентом шума. Предназначены для усиления сигналов низкой частоты. Используются для работы в радиотехнических и электронных устройствах общего назначения. Расшифровка маркировки биполярного транзистора МП41А: М - буква, обозначающая модификацию транзистора: холодносварной корпус; П - плоскостной транзистор; 41- германиевые маломощные транзисторы низкой частоты; А - классификация транзисторов по параметрам, изготовленных по единому технологическому процессу. Вся дополнительная информация находится во вложении на товар, см. pdf-файл.

Подробнее
Заметили
ошибку ?
Сообщите нам

Общая информация

Наименование МП41А ТО-31 Транзистор
Торговая марка АООТ Планета, Великий Новгород
Страна происхождения СССР
ТУ аА0.336.635ТУ
Вид приемки i "1"- ОТК
Масса изделия, гр 2
Дата выпуска 1988
Наличие паспорта - этикетки нет
Транслитерация mp41a-to-31--tranzistor
Состояние упаковки самоупаковка

Основные параметры

Функциональная группа Транзисторы
Функциональный тип биполярный
Типоразмер корпуса отечественный КТЮ-3-6
Типоразмер корпуса КТЮ-3-6
Фактическая маркировка МП41А
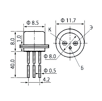
Габаритные размеры L*W*H 11,7х11,7х48 mm
Высота корпуса 8 mm
Тип вывода гибкий
Длина выводов 40 mm
Покрытие выводов или контактов Ni (никель)
Материал выводов, контактов латунь
Материал корпуса металлостеклянный
Метод монтажа THT (выводной)

Технические характеристики

Макс. обратный ток 15 mA
Макс. мощность рассеивания 150 mW
Макс. допустимое напряжение эммитер-база Uэб 10 V
Макс. допустимое напряжение коллектор-база Uкб 5 V
Макс. допустимое напряжение коллектор-эмиттер Uкэ 15 V
Макс. допустимый постоянный ток коллектора 30 mA
Статический коэффициент передачи тока 50-100
Граничная частота коэффициента передачи тока 1 MGz
Структура p-n-p

Условия эксплуатации

Интервал рабочих температур от -45 до +60°С
Относительная влажность 98% при температуре +25°С
Атмосферное давление 133 • 10—8 до 305 900 Па.
Климатическое исполнениеi УХЛ 2.1

Оставить отзыв

Оценка:
              
Преимущества *
Недостатки *
Комментарий *
Ваше Имя *
Эл. почта *
Введите текст с картинки:
* Поля для обязательного заполнения
Отзыв будет опубликован после проверки модератором
Принимаем заказы на товары,
не вошедшие в каталог

Пришлите маркировку необходимого вам товара.
Мы предоставим Вам наилучшие условия по поставке!

Оформить заявку

Недавно просмотренные товары

Принимаем к оплате
IP Electron в соцсетях