67 523 товаров в наличии и на заказ

Электронные компоненты и расходные материалы

$
Настройка отображения валюты
Полный каталог
Скидка на Конденсаторы
-20%

П605А Транзистор, ЩБ3.365.043ТУ (арт. KT-3932)

Транзисторы П605А германиевые структуры p-n-p универсальные. Предназначены для применения в усилительных, генераторных и импульсных каскадах низкой и высокой частоты до 30 МГц. Используются для работы в радиотехнических и электронных устройствах общего и специального назначения. Расшифровка маркировки биполярного транзистора П605А: П - плоскостной транзистор; 605  - германиевые мощные транзисторы высокой и сверхвысокой частоты; А - буква, определяющая классификацию транзисторов по параметрам, изготовленных по единому технологическому процессу. Вся дополнительная информация находится во вложении на товар, см. pdf-файл.

Подробнее
Заметили
ошибку ?
Сообщите нам

Общая информация

Наименование П605А Транзистор, ЩБ3.365.043ТУ
Торговая марка ПО Фотон, Ташкент
Страна происхождения СССР
ТУ ЩБ3.365.043ТУ
Вид приемки i "1"- ОТК
Масса изделия, гр 8,8
Дата выпуска 1977
Наличие паспорта - этикетки нет
Транслитерация P605A Transistor, SCHB3.365.043TU
Состояние упаковки самоупаковка

Основные параметры

Функциональная группа Транзисторы
Функциональный тип германиевый
Фактическая маркировка П605А
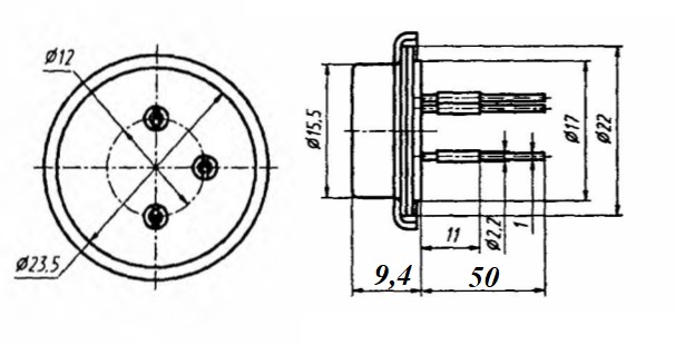
Габаритные размеры L*W*H 22х22х62 mm
Высота корпуса 9,4 mm
Тип вывода жесткий
Длина выводов 50 mm
Покрытие выводов или контактов лужение
Материал выводов, контактов латунь
Материал корпуса металлостеклянный
Метод монтажа THT (выводной)
Комплектность без фланца

Технические характеристики

Макс. обратный ток коллектор не более 8 µA, эммитер не более 2 µA
Макс. мощность рассеивания 3 W
Макс. допустимое напряжение эммитер-база Uэб 0,5 V
Макс. допустимое напряжение коллектор-база Uкб 45 V
Макс. допустимое напряжение коллектор-эмиттер Uкэ 40 V
Макс. допустимый постоянный ток коллектора 1,5 A
Макс. напряжение сток-исток Uси 30 V
Структура p-n-p

Условия эксплуатации

Интервал рабочих температур от -60 до +80°C
Относительная влажность 95% при температуре 40°С
Атмосферное давление 1,33·10-4 Па
Климатическое исполнениеi УХЛ
Загрузка...
Принимаем заказы на товары,
не вошедшие в каталог

Пришлите маркировку необходимого вам товара.
Мы предоставим Вам наилучшие условия по поставке!

Оформить заявку

Недавно просмотренные товары

Принимаем к оплате
IP Electron в соцсетях