74 083 товаров в наличии и на заказ

Электронные компоненты и расходные материалы

$
Настройка отображения валюты
Полный каталог
Скидка на Конденсаторы
-20%

КИПМ10В-1К Светодиод выводной красный Ø 5mm 2,5V(Вольт) 20mA(Миллиампер) 300mCd(Милликандел)100 градусов, АДКБ.432220.924 ТУ (арт. ZA-6391)

LED; цилиндрическая; 620 nm; светоизлучающий диод, излучающий диод, индикаторные светодиоды, круглые DIP светодиоды ...; -

КИПМ10В-1К Светодиод LED-s красный. Полупроводниковый источник света с прямым напряжением 2,5 В и силой тока 20 мА. Распространено и другое название - DIP светодиод, DIL светодиод. Корпус пластмассовый. Выводы однонаправленные радиальные, гибкие, проволочного типа. Применяется в качестве визуального отображения информации. Вся дополнительная информация находится во вложении на товар, см. pdf - файл.

Подробнее
Заметили
ошибку ?
Сообщите нам

Общая информация

Наименование КИПМ10В-1К Светодиод выводной красный Ø 5mm 2,5V(Вольт) 20mA(Миллиампер) 300mCd(Милликандел)100 градусов, АДКБ.432220.924 ТУ
Торговая марка ПРОТОН
Страна изготовления РОССИЯ
Нормы и требования АДКБ.432220.924 ТУ
Вид приемки i "1"- ОТК
Масса изделия, гр 0,3
Дата изготовленияi дата не указана
Наличие паспорта - этикетки нет
Транслитерация KIPM10V-1K LED output red Ø 5mm 2.5V (Volt) 20mA (Milliampere) 300mCd (Millicandelas) 100 degrees, ADKB.432220.924 TU
Состояние упаковки самоупаковка

Основные параметры

Функциональная группа индикация и светодиоды
Функциональный тип светодиод
Серия светодиода КИПМ10
Тип светодиода LED
Исполнение светодиода одноцветный
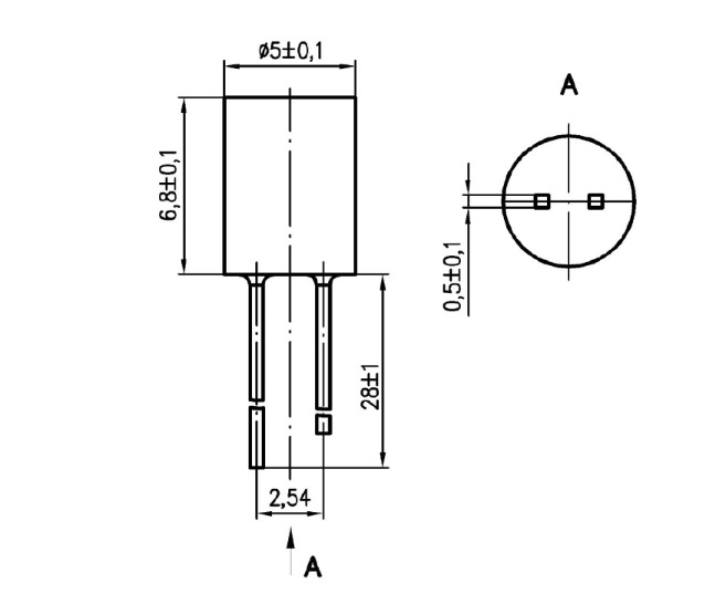
Размер линзы Ø 5 mm
Форма линзы цилиндрическая
Тип поверхности линзы плоская
Цвет свечения красный
Цвет линзы красный
Количество выводов 2
Длина выводов 28 mm
Шаг выводов 2,5 mm
Габаритные размеры L*W*H 34,8х5 mm
Высота корпуса 6,8 mm
Диаметр корпуса 5 mm
Материал корпуса пластмасса
Метод монтажа механический в плату
Метод монтажа электрический пайка
Схема включения стандартная
Рабочее положение любое
Фактическая маркировка отсутствует
Другие наименования светоизлучающий диод, излучающий диод, индикаторные светодиоды, круглые DIP светодиоды ...

Технические характеристики

Номинальное напряжение 2,5 V
Номинальный ток 20 mA
Минимальная сила света Iv мин 300 mCd
Угол свечения, градусов 100°
Длина волны 620 nm
Схема включения стандартная

Условия эксплуатации

Интервал рабочих температур от -60 до +70°C
Минимальная наработка 15 000 час.
Минимальный срок сохраняемости, лет 10

Оставить отзыв

Оценка:
              
Преимущества *
Недостатки *
Комментарий *
Ваше Имя *
Эл. почта *
Введите текст с картинки:
* Поля для обязательного заполнения
Отзыв будет опубликован после проверки модератором
Принимаем заказы на товары,
не вошедшие в каталог

Пришлите маркировку необходимого вам товара.
Мы предоставим Вам наилучшие условия по поставке!

Оформить заявку

Похожие товары

Артикул (ID): TT-08267
IR513B-40 (5013IRAB) 5мм 940нм 40мВт 40° инфракрасн диод CPM
  • 4.02 1 шт.
Артикул (ID): TT-08264
FIL-5014UBC1H-TL 5мм синий 4000мкд 30° прозр.светофорн.светодиод FORYARD
  • 3.39 1 шт.
Артикул (ID): TT-08263
FIL-5014LUYC1H-TL 5мм желт 3200мкд 30° прозр.светофорн.светодиод FORYARD
  • 5.85 1 шт.
Артикул (ID): TT-08262
503YCH-C-25 (5013UYC/B310-TL) 5мм желт. 6500мкд 25° прозр.светофорн.светодиод CPM
  • 3.36 1 шт.
Артикул (ID): TT-08261
503VCH-C-25 (5013UEC/B510-TL) 5мм красн 6500мкд 25° прозр.светофорн.светодиод CPM
  • 3.59 1 шт.
Артикул (ID): TT-08260
503GCH-B-25 (5013BGC-TL) 5мм зелен 5500мкд 25° прозр.светофорн.светодиод CPM
  • 4.71 1 шт.
Артикул (ID): TT-08222
FYL-5043 UWC1E-UWW 5мм тепло-белый 1500мкд 100° прозр.цилиндр.светодиод FORYARD
  • 4.92 1 шт.
Артикул (ID): TT-08221
FYL-5043 UWC1E 5мм белый 1500мкд 100° прозр.цилиндр.светодиод FORYARD
  • 5.54 1 шт.
Артикул (ID): TT-08220
FYL-5043 UBC1E 5мм синий 550мкд 90° прозр.цилиндр.светодиод FORYARD
  • 5.15 1 шт.
Артикул (ID): TT-08219
FYL-5043 PGC1E 5мм зелен 1600мкд 90° прозр.цилиндр.светодиод FORYARD
  • 6.93 1 шт.
Артикул (ID): TT-08218
FYL-5014UWC1С-UWW 5мм тепло-белый 15000мкд 30° прозр.светодиод FORYARD
  • 6.27 1 шт.
Артикул (ID): TT-08217
FYL-5014UWC1C 5мм белый 15000мкд 15° проз.светодиод FORYARD
  • 6.54 1 шт.
Артикул (ID): TT-08216
FYL-5013UBC1C 5мм синий 3500мкд 15° проз.светодиод FORYARD
  • 5.52 1 шт.
Артикул (ID): TT-08215
FYL-5013SURC1C 5мм красн 3000мкд 15° проз.светодиод FORYARD
  • 5.61 1 шт.
Артикул (ID): TT-08214
FYL-5013SUGC1C 5мм желто-зелен 500мкд 12° проз.светодиод FORYARD
  • 4.07 1 шт.

Недавно просмотренные товары

Принимаем к оплате
IP Electron в соцсетях