74 009 товаров в наличии и на заказ

Электронные компоненты и расходные материалы

$
Настройка отображения валюты
Полный каталог
Скидка на Конденсаторы
-20%

ФРМ-2Ж 26V(Вольт) 0,38A(Ампер) Фонарь малогабаритный сигнальный желтый, ДУ0.242.001ТУ (арт. KT-4253)

карболит; на панель; Ø 15,5 mm; Е10/13

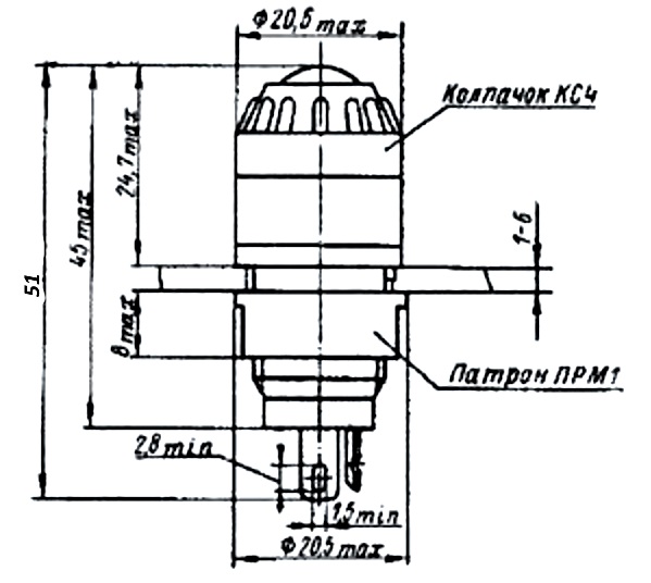
Фонарь ФРМ- 2Ж малогабаритный желтый для визуализации сигналов в цепях сигнализации радиоэлектронной аппаратуры. Структура условного обозначения: ФРМ – тип фонаря, 2 – порядковый номер разработки, Ж – цвет светофильтра (желтый), отсутствие буквы «В» - климатическое исполнение УХЛ. Применяется в качестве составной части информационных и сигнальных панелей, выполняющих визуальное оповещение оператора о состоянии контролируемых электрических цепей постоянного и переменного тока оборудования общего и специального назначения. Состоит из патрона с контактами и колпачка с цветным светофильтром. Для малогабаритного фонаря ФРМ-2 применяют лампы с цоколем Е10/13 и диаметром колбы не более 12 мм (поставляются отдельно). Вся дополнительная информация находится во вложении на товар, см. pdf - файл.

Подробнее
Заметили
ошибку ?
Сообщите нам

Общая информация

Наименование ФРМ-2Ж 26V(Вольт) 0,38A(Ампер) Фонарь малогабаритный сигнальный желтый, ДУ0.242.001ТУ
Торговая марка ОАО «Сейм» Путивль
Страна изготовления РОССИЯ
Нормы и требования ДУ0.242.001ТУ
Дата изготовленияi дата не указана
Вид приемки i "5"- ВП, ПЗ
Масса изделия, гр 11,4
Наличие паспорта - этикетки нет
Транслитерация FRM-2Zh 26V(Volt) 0.38A(Amp) Small-sized signal yellow light, AG0.242.003TU
Вид упаковки картонная коробка (50шт)
Состояние упаковки заводская

Основные параметры

Функциональная группа индикация и светодиоды
Функциональный тип светосигнальная арматура
Тип светосигнальной арматуры фонарь малогабаритный
Цвет свечения желтый
Цвет светофильтра(линзы) желтый
Наличие лампы нет лампы
Применяемая лампа МН6.3-0,3, МН6,5-0,34, МН26-0,12-1...
Цоколь применяемых ламп Е10/13
Диаметр устанавливаемых ламп Ø 12 mm(max)
Вид лампы накаливания
Материал корпуса карболит
Цвет корпуса коричневый
Установочные размеры Ø 15,5 mm
Регулировка освещенности есть
Длина выступающей части 16 mm
Толщина панели 1 - 3 mm
Количество выводов 2
Вид выводов под пайку
Покрытие выводов лужение
Форма светофильтра круглая
Тип поверхности светофильтра выпуклая
Габаритные размеры L*W*H 20,5х51 mm
Длина корпуса 44 mm
Диаметр корпуса 20,5 mm
Цвет корпуса коричневый
Метод монтажа механический на панель
Метод монтажа электрический пайка
Гайка для фиксации пластмассовая
Покрытие корпуса без покрытия
Покрытие наружной части без покрытия
Фактическая маркировка отсутствует
Рабочее положение любое
Другие наименования ламподержатель
Аналогичные серии ФРМ1..., ФШМ1..., ФМ1..., ФМ2..., ФШМ3...

Технические характеристики

Номинальное напряжение 26 V
Номинальный ток 0,38 A

Условия эксплуатации

Минимальная наработка 10 000 час.
Интервал рабочих температур от -60 до +85°C
Загрузка...
Принимаем заказы на товары,
не вошедшие в каталог

Пришлите маркировку необходимого вам товара.
Мы предоставим Вам наилучшие условия по поставке!

Оформить заявку

Похожие товары

Артикул (ID): BV-4475
Уценка АС-1201 24V(Вольт) Арматура светосигнальная зеленая с лампой КМ24-90, ТУ 16-535.930-76
  • 45 1 шт.
Артикул (ID): BV-4468
АС-1201 24V(Вольт) Арматура светосигнальная зеленая с лампой КМ24-90, ТУ 16-535.930-76
  • 50 1 шт.
Артикул (ID): BV-4467
АС-1201 24V(Вольт) Арматура светосигнальная зеленая с лампой КМ24-90, ТУ 16-535.930-76.
  • 50 1 шт.
Артикул (ID): BV-4458
СЛЦ-77 28V(Вольт) Ø16mm Арматура светосигнальная зеленая, ТУ 16-535.062-81.
  • 103.5 1 шт.
Артикул (ID): BV-4457
СЛЦ-77 28V(Вольт) Ø16mm Арматура светосигнальная зеленая, ТУ 16-535.062-81
  • 103.5 1 шт.
Артикул (ID): BV-4455
СЛЦ-77 28V(Вольт) Ø16mm Арматура светосигнальная желтая, ТУ 16-535.062-81
  • 103.5 1 шт.
Артикул (ID): BV-3610
СЛЦ-77 28V(Вольт) Ø16mm Арматура светосигнальная синяя, ТУ 16-535.062-81
  • 103.5 1 шт.
  • 94.5 от 5 шт.
Артикул (ID): BV-3122
СЛЦ-77 28V(Вольт) Ø16mm Арматура светосигнальная белая, ТУ 16-535.062-81
  • 103.5 1 шт.
  • 94.5 от 5 шт.
Артикул (ID): BV-3119
СЛЦ-77 28V(Вольт) Ø16mm Арматура светосигнальная красная, ТУ 16-535.062-81
  • 103.5 1 шт.
  • 94.5 от 5 шт.
Артикул (ID): CC-09860
Индикатор ND16-22DS/2 AC/DC 24В желт. CHINT 592939
  • 284.45 1 шт.
Артикул (ID): BV-2786
ФРМ-1З 26V (Вольт) 0,38A (Ампер) Фонарь малогабаритный сигнальный зеленый, АГ0.242.003ТУ.
  • 101 1 шт.
Артикул (ID): BV-2785
ФРМ-1З 26V (Вольт) 0,38A (Ампер) Фонарь малогабаритный сигнальный зеленый, АГ0.242.003ТУ.
  • 101 1 шт.
Артикул (ID): BV-2784
ФРМ-1З 26V(Вольт) 0,38A(Ампер) Фонарь малогабаритный сигнальный зеленый, АГ0.242.003ТУ. Феникс
  • 101 1 шт.
Артикул (ID): BV-2783
ФРМ-1З 26V(Вольт) 0,38A(Ампер) Фонарь малогабаритный сигнальный зеленый,АГ0.242.003ТУ
  • 101 1 шт.
Артикул (ID): BV-2781
ФРМ-1З 26V(Вольт) 0,38A(Ампер) Фонарь малогабаритный сигнальный зеленый, АГ0.242.003ТУ.
  • 101 1 шт.

Недавно просмотренные товары

Принимаем к оплате
IP Electron в соцсетях