74 132 товаров в наличии и на заказ

Электронные компоненты и расходные материалы

$
Настройка отображения валюты
Полный каталог
Скидка на Конденсаторы
-20%

СЛЦ-77 28V(Вольт) Ø16mm Арматура светосигнальная желтая, ТУ 16-535.062-81 (арт. BV-4455)

Арматура светосигнальная самолетная СЛЦ-77 с красным светофильтром и регулировкой светового потока для визуализации сигналов в цепях сигнализации бортового радиоэлектронного оборудования. Расшифровка маркировки светосигнальной арматуры: СЛЦ-77 красный С - светосигнальная; Л - с лампой накаливания; Ц - цилиндрическая; 77 - порядковый номер разработки. Вся дополнительная информация находится во вложении на товар, см. pdf-файл.

Подробнее
Заметили
ошибку ?
Сообщите нам

Общая информация

Наименование СЛЦ-77 28V(Вольт) Ø16mm Арматура светосигнальная желтая, ТУ 16-535.062-81
Торговая марка ОАО «Ашасветотехника»
Страна изготовления СССР
Нормы и требования ТУ 16-535.062-81
Дата изготовленияi 1976-1991
Вид приемки i "1"- ОТК
Масса изделия, гр 16,2
Наличие паспорта - этикетки нет
Транслитерация SLTS-77 28V(Volt) Ø16mm Yellow light fittings, TU 16-535.062-81
Состояние упаковки самоупаковка

Основные параметры

Функциональная группа индикация и светодиоды
Функциональный тип светосигнальная арматура
Тип светосигнальной арматуры лампа сигнальная
Цвет свечения желтый
Наличие лампы нет лампы
Применяемая лампа СМ28-4,8
Цоколь применяемых ламп B9s/14
Диаметр устанавливаемых ламп Ø 9 mm(max)
Вид лампы накаливания
Материал корпуса пластмасса
Цвет корпуса черный
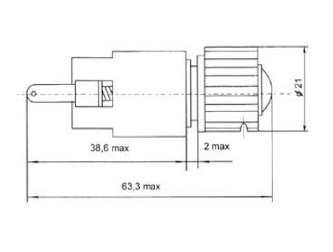
Установочные размеры Ø 16,2 mm
Регулировка освещенности отсутствует
Толщина панели 1 - 2 mm
Количество выводов 2
Вид выводов жесткие
Покрытие выводов лужение
Габаритные размеры L*W*H 63,3х21 mm
Цвет корпуса черный
Метод монтажа механический на панель
Метод монтажа электрический пайка
Покрытие корпуса без покрытия
Покрытие наружной части без покрытия
Фактическая маркировка СЛЦ-77
Рабочее положение любое
Другие наименования ламподержатель

Технические характеристики

Номинальное напряжение 28 V
Номинальный ток 0,17 А

Условия эксплуатации

Интервал рабочих температур от -60 до +60°С
Климатическое исполнениеi У2

Оставить отзыв

Оценка:
              
Преимущества *
Недостатки *
Комментарий *
Ваше Имя *
Эл. почта *
Введите текст с картинки:
* Поля для обязательного заполнения
Отзыв будет опубликован после проверки модератором
Принимаем заказы на товары,
не вошедшие в каталог

Пришлите маркировку необходимого вам товара.
Мы предоставим Вам наилучшие условия по поставке!

Оформить заявку

Похожие товары

Артикул (ID): BV-4475
Уценка АС-1201 24V(Вольт) Арматура светосигнальная зеленая с лампой КМ24-90, ТУ 16-535.930-76
  • 45 1 шт.
Артикул (ID): BV-4468
АС-1201 24V(Вольт) Арматура светосигнальная зеленая с лампой КМ24-90, ТУ 16-535.930-76
  • 50 1 шт.
Артикул (ID): BV-4467
АС-1201 24V(Вольт) Арматура светосигнальная зеленая с лампой КМ24-90, ТУ 16-535.930-76.
  • 50 1 шт.
Артикул (ID): BV-4458
СЛЦ-77 28V(Вольт) Ø16mm Арматура светосигнальная зеленая, ТУ 16-535.062-81.
  • 103.5 1 шт.
Артикул (ID): BV-4457
СЛЦ-77 28V(Вольт) Ø16mm Арматура светосигнальная зеленая, ТУ 16-535.062-81
  • 103.5 1 шт.
Артикул (ID): BV-3610
СЛЦ-77 28V(Вольт) Ø16mm Арматура светосигнальная синяя, ТУ 16-535.062-81
  • 103.5 1 шт.
  • 94.5 от 5 шт.
Артикул (ID): BV-3122
СЛЦ-77 28V(Вольт) Ø16mm Арматура светосигнальная белая, ТУ 16-535.062-81
  • 103.5 1 шт.
  • 94.5 от 5 шт.
Артикул (ID): BV-3119
СЛЦ-77 28V(Вольт) Ø16mm Арматура светосигнальная красная, ТУ 16-535.062-81
  • 103.5 1 шт.
  • 94.5 от 5 шт.
Артикул (ID): CC-09860
Индикатор ND16-22DS/2 AC/DC 24В желт. CHINT 592939
  • 283.72 1 шт.
Артикул (ID): BV-2786
ФРМ-1З 26V (Вольт) 0,38A (Ампер) Фонарь малогабаритный сигнальный зеленый, АГ0.242.003ТУ.
  • 101 1 шт.
Артикул (ID): BV-2785
ФРМ-1З 26V (Вольт) 0,38A (Ампер) Фонарь малогабаритный сигнальный зеленый, АГ0.242.003ТУ.
  • 101 1 шт.
Артикул (ID): BV-2784
ФРМ-1З 26V(Вольт) 0,38A(Ампер) Фонарь малогабаритный сигнальный зеленый, АГ0.242.003ТУ. Феникс
  • 101 1 шт.
Артикул (ID): BV-2783
ФРМ-1З 26V(Вольт) 0,38A(Ампер) Фонарь малогабаритный сигнальный зеленый,АГ0.242.003ТУ
  • 101 1 шт.
Артикул (ID): BV-2781
ФРМ-1З 26V(Вольт) 0,38A(Ампер) Фонарь малогабаритный сигнальный зеленый, АГ0.242.003ТУ.
  • 101 1 шт.
Артикул (ID): BV-2631
ФРМ-1К 26V(Вольт) 0,38A(Ампер) Фонарь малогабаритный сигнальный красный, ДУ0.242.001ТУ.
  • 292 1 шт.

Недавно просмотренные товары

Принимаем к оплате
IP Electron в соцсетях