74 574 товаров в наличии и на заказ

Электронные компоненты и расходные материалы

$
Настройка отображения валюты
Полный каталог
Скидка на Конденсаторы
-20%

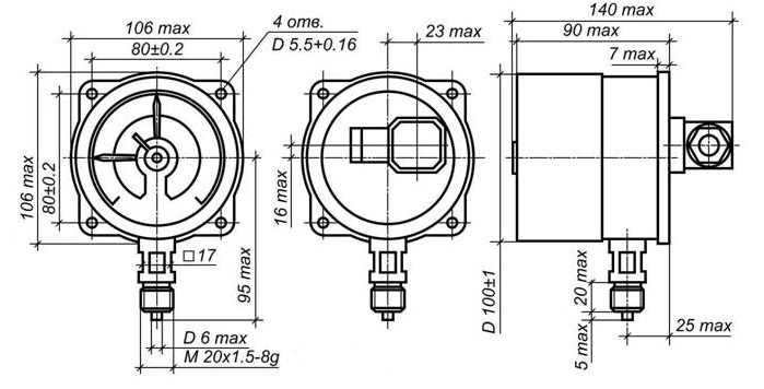
ДМ2010СгУ2 Манометр (арт. SN-7413)

Манометр ДМ2010СгУ2 - электроконтактный (сигнализирующий). Предназначен для измерения давления неагрессивных, некристаллизующихся жидкостей, пара, газа, кислорода и управления электрическими цепями от данного электроконтактого устройства. Правильная эксплуатация гарантирует безотказную работу и правильные показания, поэтому следует соблюдать следующие условия: прибор применять для измерения давлений только в среде, для которой он предназначен; прибор нагружать давлением постепенно и не допускать резких скачков давления; не превышать диапазон измерений. Запрещается использовать растворители и абразивы для очистки стекол. Напряжение внешних коммутируемых цепей постоянного и переменного тока - 380 В; Разрывная мощность контактов, не более: со скользящими контактами постоянного тока 10 Вт, переменного тока 20 ВА.

Подробнее
Заметили
ошибку ?
Сообщите нам

Общая информация

Наименование ДМ2010СгУ2 Манометр
Страна происхождения СССР
Вид приемки i "1"- ОТК
Масса изделия, гр 830
Дата выпуска 1991
Транслитерация Manometer DM2010SgY2
Состояние упаковки самоупаковка

Основные параметры

Функциональная группа Измерительный прибор
Функциональный тип сигнализирующий
Цвет изделия серый корпус
Габаритные размеры L*W*H 100х130х150
Материал корпуса металл
Фактическая маркировка ДМ2010СгУ2

Технические характеристики

Диапазон измерений 0 - 16 kgf/cm²
Класс точности 1,5

Условия эксплуатации

Интервал рабочих температур от -50 до +60°C
Минимальный срок сохраняемости, лет 10
Климатическое исполнениеi У2
Загрузка...
Принимаем заказы на товары,
не вошедшие в каталог

Пришлите маркировку необходимого вам товара.
Мы предоставим Вам наилучшие условия по поставке!

Оформить заявку

Недавно просмотренные товары

Принимаем к оплате
IP Electron в соцсетях