74 083 товаров в наличии и на заказ

Электронные компоненты и расходные материалы

$
Настройка отображения валюты
Полный каталог
Скидка на Конденсаторы
-20%

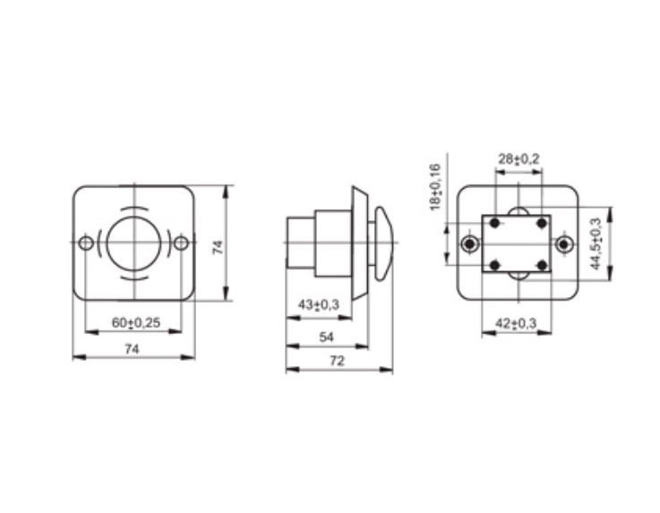
ПКЕ122-1У2 Пост управления, черн. гриб (арт. ZA-8821)

ПКЕ122-1У2 Пост управления кнопочный серии ПКЕ предназначен для коммутации электрических цепей управления переменного тока напряжением до 660 В частотой 50 и 60 Гц и постоянного тока напряжением до 440 В. ПКЕ122-1У2: ПКЕ - обозначение серии постов;
1 - исполнение по эксплуатационному назначению;
2 - исполнение по степени защиты согласно ГОСТ 14255-69:  2 - IP54 со стороны управляющего элемента, IP00 (IP54) - со стороны монтажа проводов. Вся дополнительная информация находится во вложении. см. pdf -  файл.

Подробнее
Заметили
ошибку ?
Сообщите нам

Общая информация

Наименование ПКЕ122-1У2 Пост управления, черн. гриб
Торговая марка No name Russia
Страна происхождения Россия
ТУ ТУ 16-642.006-83
Масса изделия, гр 140
Дата выпуска дата не указана
Транслитерация PKE122-1U2

Основные параметры

Функциональная группа Переключатель управления
Наличие фиксации есть
Наличие индикации (цвет) нет
Метод монтажа на панель, крепление корпуса винтовое; пайка
Цвет изделия черный
Габаритные размеры L*W*H 74x74x54mm
Материал корпуса пластик
Материал ручки(кнопки)-толкателя пластик оранжевый
Ширина корпуса 74 mm
Наличие индикации (цвет) нет
Цвет толкателя черный
Высота корпуса 54 mm
Длина корпуса 74 mm

Технические характеристики

Номинальное напряжение 660
Рабочее положение любое
Номинальный ток 10
Количество полюсов 1 (1 замыкающий)
Номинальное напряжение изоляции 660 V

Условия эксплуатации

Интервал рабочих температур от -40 до +40°С
Относительная влажность 80% при температуре 20°С, 50% при температуре 40°С
Срок отгрузки со склада 5-7 рабочих дней
Степень защиты IPi IP54

Полные аналоги

ПКЕ-122 1 У2 IP54 черн. гриб КЭАЗ, фото
ПКЕ-122 1 У2 IP54 черн. гриб КЭАЗ

Функциональные аналоги

ПКЕ122-1У2 Пост управления, черный, фото
Артикул (ID): ZA-8822
ПКЕ122-1У2 Пост управления, черный
  • 202.91 1 шт.
  • 202.91 от 10 шт.
ПКЕ122-1 Т2 КурскЭАЗ, фото
ПКЕ122-1 Т2 КурскЭАЗ
ПКЕ122-1 УХЛ2 КурскЭАЗ, фото
ПКЕ122-1 УХЛ2 КурскЭАЗ
 ПКЕ-122 1 У2 КурскЭАЗ, фото
ПКЕ-122 1 У2 КурскЭАЗ
ПКЕ-122 1 У2 IP54 красн. кнопка КЭАЗ, фото
ПКЕ-122 1 У2 IP54 красн. кнопка КЭАЗ

Возможные аналоги

ПКЕ222-1У2 Пост управления кнопочный, фото
Артикул (ID): TN-3345
ПКЕ222-1У2 Пост управления кнопочный
ПКЕ 222-1 У2 ПО "Электротехник", фото
ПКЕ 222-1 У2 ПО "Электротехник"
ПКЕ 222-1 У2 ЭТ ПО "Электротехник", фото
ПКЕ 222-1 У2 ЭТ ПО "Электротехник"
ПКУ 15-21-111П-54 У2 Briswik, фото
ПКУ 15-21-111П-54 У2 Briswik
Загрузка...
Принимаем заказы на товары,
не вошедшие в каталог

Пришлите маркировку необходимого вам товара.
Мы предоставим Вам наилучшие условия по поставке!

Оформить заявку

Похожие товары

Артикул (ID): TN-1010
КЕ021У3 исп.2 Выключатель кнопочный, черный
  • 144 1 шт.
Артикул (ID): ZN-9976
ПЕ012 исп.1 Переключатель управления
Артикул (ID): OP-1330
КЕ021У3 исп.5 Выключатель кнопочный, красный, аналог, 2015г
  • 144 1 шт.
  • 110 от 5 шт.
Артикул (ID): ZA-8822
ПКЕ122-1У2 Пост управления, черный
  • 202.91 1 шт.
  • 202.91 от 10 шт.
Артикул (ID): ZE-203
3SA8-BA11 3A 240V Переключатель
  • 104.7 1 шт.
  • 104.7 от 10 шт.
  • 104.7 от 100 шт.
Артикул (ID): ZE-353
GB2-B215 (N/C + N/O) Пост управления кнопочный
  • 263.21 1 шт.
  • 263.21 от 10 шт.
  • 263.21 от 100 шт.
Артикул (ID): ZK-6734
GB7-B102 Пост управления кнопочный
  • 287.13 1 шт.
  • 287.13 от 10 шт.
  • 287.13 от 100 шт.
Артикул (ID): ZP-6122
GB8-B107 Пост управления кнопочный
  • 535.88 1 шт.
  • 535.88 от 10 шт.
Артикул (ID): ZE-351
GB2-B164H29 (N/C) Пост управления кнопочный
  • 231.65 1 шт.
  • 231.65 от 10 шт.
  • 231.65 от 100 шт.
Артикул (ID): ZE-350
GB2-B103 (N/O) Пост управления кнопочный
  • 204.27 1 шт.
  • 204.27 от 10 шт.
  • 204.27 от 100 шт.
Артикул (ID): BV-3491
КУ121-3 В3 Пост управления кнопочный, ИАЕГ.642351.005 ТУ
  • 2115 1 шт.
Артикул (ID): ZP-6115
GB8-B101 Пост управления кнопочный
  • 276.15 1 шт.
  • 276.15 от 10 шт.
Артикул (ID): ZL-5214
GB5-D02 Пост управления кнопочный
  • 272.1 1 шт.
  • 272.1 от 10 шт.
Артикул (ID): ZE-355
GB5-D01 Пост управления кнопочный
  • 189.66 1 шт.
  • 189.66 от 10 шт.
Артикул (ID): ZP-6117
GB8-B103 Пост управления кнопочный
  • 409.01 1 шт.
  • 409.01 от 10 шт.

Недавно просмотренные товары

Принимаем к оплате
IP Electron в соцсетях