74 009 товаров в наличии и на заказ

Электронные компоненты и расходные материалы

$
Настройка отображения валюты
Полный каталог
Скидка на Конденсаторы
-20%

ПКЕ722-2У2 660VAC 440VDC Пост управления кнопочный (арт. TN-6637)

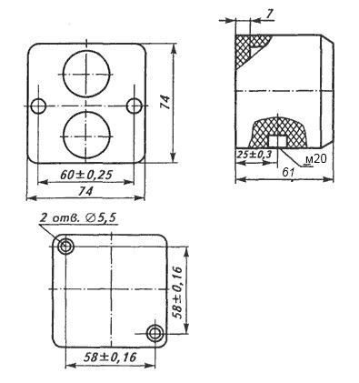
Пост управления кнопочный ПКЕ712-2У3 - "Пуск"-"Стоп". Предназначен для коммутации электрических цепей управления переменного тока напряжением до 660 В частотой 50 и 60 Гц и постоянного тока напряжением до 440 В. Устанавливается на подвижных и неподвижных частях стационарных установок. Расшифровка: ПКЕ - обозначение серии; 7 -  исполнение по эксплуатационному назначению - с задней корпусной крышкой на ровную поверхность защита IP 40 со стороны контактов только с простыми кнопками "Пуск"-"Стоп"; 1 - исполнение по степени защиты согласно ГОСТ 14255-69 -  IP40 со стороны управляющего элемента, IP00 (IP40) - со стороны монтажа проводов (без резиновой прокладки защита IP 40 со стороны кнопок); 2 -  исполнение по материалу корпусных деталей - пластмасса; 2 -  исполнение по количеству управляющих элементов (толкателей) - управляющих элементов два; У -  климатическое исполнение; 2 -  категория размещения.

Подробнее
Заметили
ошибку ?
Сообщите нам

Общая информация

Наименование ПКЕ722-2У2 660VAC 440VDC Пост управления кнопочный
Торговая марка No name USSR
Вид приемки i "1"- ОТК
Масса изделия, гр 155
Дата выпуска 1991 - 1992 гг
Транслитерация Push-button control station PKE722-2U2
Состояние упаковки самоупаковка

Основные параметры

Функциональная группа Кнопочный пост управления
Метод монтажа механический
Алгоритм работыi (on)-(off)
Фактическая маркировка ПКЕ722-2У2
Цвет изделия черный
Габаритные размеры L*W*H 74х74х63 mm
Материал корпуса пластмасса
Материал ручки(кнопки)-толкателя пластмасса
Установочные размеры М20
Ширина корпуса 74 mm
Цвет ручки(кнопки)-толкателя 1 - красный; 1 - черный
Количество толкателей 2
Высота корпуса 63 mm
Длина корпуса 74 mm

Технические характеристики

Номинальное напряжение 440 V DC; 660 V AC
Рабочее положение любое
Фиксация нет
Номинальный ток 10

Условия эксплуатации

Интервал рабочих температур от -40 до +40°С
Относительная влажность не более 80% при t = 20°С и не более 50% при t = 40°С
Ресурс 1 000 000 циклов
Климатическое исполнениеi У2
Срок отгрузки со склада Уточнить у менеджера

Оставить отзыв

Оценка:
              
Преимущества *
Недостатки *
Комментарий *
Ваше Имя *
Эл. почта *
Введите текст с картинки:
* Поля для обязательного заполнения
Отзыв будет опубликован после проверки модератором
Принимаем заказы на товары,
не вошедшие в каталог

Пришлите маркировку необходимого вам товара.
Мы предоставим Вам наилучшие условия по поставке!

Оформить заявку

Похожие товары

Артикул (ID): ZP-6117
GB8-B103 Пост управления кнопочный
  • 409.01 1 шт.
  • 409.01 от 10 шт.
Артикул (ID): ZP-6115
GB8-B101 Пост управления кнопочный
  • 276.15 1 шт.
  • 276.15 от 10 шт.
Артикул (ID): BV-3491
КУ121-3 В3 Пост управления кнопочный, ИАЕГ.642351.005 ТУ
  • 2115 1 шт.
Артикул (ID): ZE-350
GB2-B103 (N/O) Пост управления кнопочный
  • 204.27 1 шт.
  • 204.27 от 10 шт.
  • 204.27 от 100 шт.
Артикул (ID): ZE-351
GB2-B164H29 (N/C) Пост управления кнопочный
  • 231.65 1 шт.
  • 231.65 от 10 шт.
  • 231.65 от 100 шт.
Артикул (ID): ZP-6122
GB8-B107 Пост управления кнопочный
  • 535.88 1 шт.
  • 535.88 от 10 шт.
Артикул (ID): ZK-6734
GB7-B102 Пост управления кнопочный
  • 287.13 1 шт.
  • 287.13 от 10 шт.
  • 287.13 от 100 шт.
Артикул (ID): ZE-353
GB2-B215 (N/C + N/O) Пост управления кнопочный
  • 263.21 1 шт.
  • 263.21 от 10 шт.
  • 263.21 от 100 шт.
Артикул (ID): ZP-6118
GB8-B104 Пост управления кнопочный
  • 675.08 1 шт.
  • 675.08 от 10 шт.
Артикул (ID): KT-2176
КУ-91 Кнопочный пост взрывозащищенный, хвостовая гайка для неэкранированного кабеля
  • 2061 1 шт.
Артикул (ID): KT-2173
КУ-91 Кнопочный пост взрывозащищенный , хвостовая гайка для экранированного кабеля Ø14mm
  • 2061 1 шт.
Артикул (ID): KT-2170
КУ-91 Кнопочный пост взрывозащищенный , хвостовая гайка для экранированного кабеля Ø12mm
  • 2061 1 шт.
Артикул (ID): ZL-5132
GB5-D03 Пост управления кнопочный
  • 341.13 1 шт.
  • 341.13 от 10 шт.
  • 341.13 от 100 шт.
Артикул (ID): ZP-6119
GB8-B105 Пост управления кнопочный
  • 408.84 1 шт.
  • 408.84 от 10 шт.
  • 408.84 от 100 шт.
Артикул (ID): ZK-8492
ПКЕ122-3У2 Пост управления
  • 405.81 1 шт.
  • 405.81 от 10 шт.

Недавно просмотренные товары

Принимаем к оплате
IP Electron в соцсетях