73 975 товаров в наличии и на заказ

Электронные компоненты и расходные материалы

$
Настройка отображения валюты
Полный каталог
Скидка на Конденсаторы
-20%

Д711 под пайку кнопка 8A(Ампер) 30VDC(Вольт) 3A(Ампер) 220VAC(Вольт) Микропереключатель. (арт. TC-3479)

on-(on); Алатырский завод «Электроавтомат», г. Алатырь; кнопка сбоку

Д711 Микропереключатель – однополюсный, мгновенного действия на два направления с двойным разрывом цепи без фиксации. Предназначен для коммутации цепей сигнализации, используются для работы в качестве переключателя в авиационной технике в составе бортового радиотехнического оборудования. Расшифровка Д711: Д – серия микропереключателя, 711 – номер. Конструкция контактных выводов обеспечивает подсоединение монтажных проводов при помощи пайки. Вся дополнительная информация находится во вложении на товар, см. pdf – файл.

Подробнее
Заметили
ошибку ?
Сообщите нам

Общая информация

Наименование Д711 под пайку кнопка 8A(Ампер) 30VDC(Вольт) 3A(Ампер) 220VAC(Вольт) Микропереключатель.
Торговая марка Алатырский завод «Электроавтомат», г. Алатырь
Страна происхождения СССР
Нормы и требования 7ШО.360.006 ТУ
Дата изготовленияi дата не указана
Вид приемки i "1"- ОТК
Масса изделия, гр 8,9
Транслитерация D711 solder button 8A(Ampere) 30VDC(Volt) 3A(Ampere) 220VAC(Volt) Microswitch.
Наличие паспорта - этикетки нет
Вид упаковки самоупаковка
Состояние упаковки самоупаковка

Основные параметры

Функциональная группа Коммутационные изделия
Функциональный тип микропереключатель
Серия переключателя Д
Число полюсов однополюсный
Количество положений 2
Наличие фиксации нет
Количество фиксированных положений 1
Усилие срабатывания 4,4 N
Усилие обратного срабатывания 1,5 N
Метод монтажа механический на панель, крепление корпуса винтовое
Метод монтажа электрический пайка
Способ присоединения проводов пайка
Установочные размеры 15,5 mm расстояние между монтажными отверстиями
Алгоритм работыi on-(on)
Электрическая схема контактов микропереключателей 1 перекл.
Наличие индикации (цвет) нет
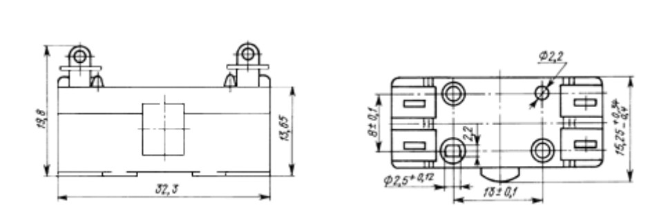
Габаритные размеры L*W*H 32,3х15,25х19,8 mm
Высота корпуса 13,65 mm
Длина корпуса 32,3 mm
Ширина корпуса 15,3 mm
Материал корпуса карболит
Вид толкателя кнопка сбоку
Рабочий ход толкателя 1,5 mm
Материал ручки(кнопки)-толкателя карболит
Покрытие ручки толкателя без покрытия
Цвет толкателя коричневый
Высота ручки толкателя 3 mm
Вид выводов лепесток
Материал выводов латунь
Покрытие выводов никель (Ni)
Фактическая маркировка Д711

Технические характеристики

Номинальный ток 8 A (VDC); 3 A (VAC)
Номинальное напряжение 30 VDC; 220 VAC
Коммутируемая мощность, max 600 W
Сопротивление изоляции 100 MΩ

Условия эксплуатации

Степень защиты IPi IP44
Интервал рабочих температур от -60 до +130°C
Климатическое исполнениеi УХЛ
Относительная влажность 98% при температуре +35°С
Ресурс 10000 циклов
Макс. срок хранения 10 лет

Оставить отзыв

Оценка:
              
Преимущества *
Недостатки *
Комментарий *
Ваше Имя *
Эл. почта *
Введите текст с картинки:
* Поля для обязательного заполнения
Отзыв будет опубликован после проверки модератором
Принимаем заказы на товары,
не вошедшие в каталог

Пришлите маркировку необходимого вам товара.
Мы предоставим Вам наилучшие условия по поставке!

Оформить заявку

Похожие товары

Артикул (ID): CC-12540
Микропереключатель Z-15GW2-B
  • 100.03 1 шт.
Артикул (ID): KL-3826
ПМ22-2В под пайку 4A 36VDC 6A 250VAC Микропереключатель, АГ0.360.218 ТУ
  • 648 1 шт.
  • 584 от 5 шт.
Артикул (ID): TT-05056
KW1-103-Z3A100 Микропереключатель, 3-контактный, средний уровень, 6,35x0,8 мм, черный Daier
  • 25.46 1 шт.
Артикул (ID): TT-05055
KW1-103-Z1A150 переключатель Daier
  • 25.98 1 шт.
Артикул (ID): TT-05054
KW-10-Z4P переключатель Daier
  • 8.78 1 шт.
Артикул (ID): TT-05053
KW-10-Z3P переключатель Daier
  • 5.03 1 шт.
Артикул (ID): TT-05052
KLS7-KW4-3Z-B122013L4 (L-KLS7-KW4-3Z-B122013L4) переключатель, KLS
  • 29.96 1 шт.
Артикул (ID): KL-2180
МП2101Л исп.4 под пайку толкатель 16A(Ампер) 440VDC(Вольт) 660VAC(Вольт) Микропереключатель.
  • 308 1 шт.
Артикул (ID): KL-2228
Уценка МП2101Л исп.4 под пайку толкатель 16A(Ампер) 440VDC(Вольт) 660VAC(Вольт) Микропереключатель.
  • 216 1 шт.
Артикул (ID): ZN-8608
2Д701 под пайку кнопка 10A(Ампер) 30VAC(Вольт) 3A(Ампер) 220VAC(Вольт) Микропереключатель.
  • 300 1 шт.
  • 300 от 10 шт.
  • 300 от 100 шт.
Артикул (ID): KK-16663
ПМ22-2В|карб.|5|2013|Белово|
  • 340 1 шт.
Артикул (ID): KK-16661
МП1-1 ( ПМ22-2)|карб.|9|2018|Белово|
  • 408 1 шт.
Артикул (ID): CC-11989
Переключатель KW5-OZ-1-E угловой
  • 4.32 1 шт.
Артикул (ID): KK-16512
Д701||5|2021|Электроавтомат|з/уп+пасп.
  • 340 1 шт.
Артикул (ID): KK-16511
Д701||5|2020|Электроавтомат|
  • 323 1 шт.

Недавно просмотренные товары

Принимаем к оплате
IP Electron в соцсетях