74 085 товаров в наличии и на заказ

Электронные компоненты и расходные материалы

$
Настройка отображения валюты
Полный каталог
Скидка на Конденсаторы
-20%

ПМ22-2 под пайку 4A(Ампер) 36VDC(Вольт) 6A(Ампер) 250VAC(Вольт) Микропереключатель, 1993 (арт. OP-1697)

on-(on); Кузбассрадио; кнопка

ПМ22-2 – Малогабаритный однополюсный переключатель с одинарным разрывом цепи. Предназначен для коммутации электрических цепей постоянного и переменного тока в радиоэлектронной аппаратуре. Предназначен для объемного монтажа. ПМ22 – тип переключателя, 2 – типономинал, УХЛ – климатическое исполнение. Вся дополнительная информация находится во вложении на товар, см. pdf -файл.

Подробнее
Заметили
ошибку ?
Сообщите нам

Общая информация

Наименование ПМ22-2 под пайку 4A(Ампер) 36VDC(Вольт) 6A(Ампер) 250VAC(Вольт) Микропереключатель, 1993
Торговая марка Кузбассрадио
Страна происхождения РОССИЯ
Нормы и требования АГО.360.218 ТУ
Дата изготовленияi 1992-2017
Вид приемки i "1"- ОТК
Масса изделия, гр 3,5
Транслитерация PM22-2V for soldering 4A(Ampere) 6A(Ampere) 36VDC(Volt) 250VAC(Volt) Microswitch
Наличие паспорта - этикетки нет
Состояние упаковки самоупаковка

Основные параметры

Функциональная группа Коммутационные изделия
Функциональный тип микропереключатель
Серия переключателя ПМ
Число полюсов однополюсный
Количество положений 2
Наличие фиксации нет
Количество фиксированных положений 1
Усилие срабатывания 0,78-2,45 N
Усилие обратного срабатывания не менее 0,29 N
Метод монтажа механический на панель, крепление корпуса винтовое
Метод монтажа электрический пайка
Способ присоединения проводов пайка
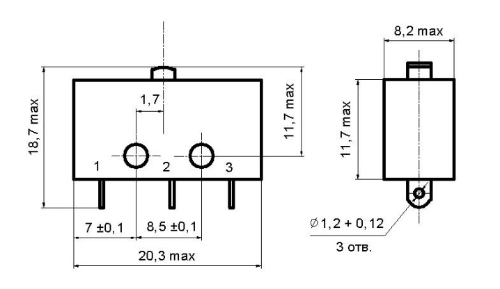
Установочные размеры 8,5 mm расстояние между монтажными отверстиями
Алгоритм работыi on-(on)
Электрическая схема контактов микропереключателей 1 перекл.
Наличие индикации (цвет) нет
Габаритные размеры L*W*H 20,3х8,2х18,7 mm
Высота корпуса 18,7 mm
Длина корпуса 20,3 mm
Ширина корпуса 8,2 mm
Материал корпуса карболит
Вид толкателя кнопка
Рабочий ход толкателя 0,1 - 0,6 mm
Материал ручки(кнопки)-толкателя карболит
Покрытие ручки толкателя без покрытия
Цвет толкателя коричневый
Высота ручки толкателя 2 mm
Вид выводов лепесток
Материал выводов латунь
Покрытие выводов (Ag) серебро
Фактическая маркировка ПМ22-2

Технические характеристики

Номинальный ток 4 A; 6 А;
Номинальное напряжение 36 VDC; 250 VAC
Коммутируемая мощность, max до 300 W
Сопротивление контактов не более 50 mΩ
Сопротивление изоляции 1000 MΩ

Условия эксплуатации

Интервал рабочих температур от -60 до +85°C
Климатическое исполнениеi УХЛ
Относительная влажность 98% при температуре +25°С
Минимальная наработка 15 000 час.
Ресурс 25000 циклов

Полные аналоги

Функциональные аналоги

Возможные аналоги

Загрузка...
Принимаем заказы на товары,
не вошедшие в каталог

Пришлите маркировку необходимого вам товара.
Мы предоставим Вам наилучшие условия по поставке!

Оформить заявку

Похожие товары

Артикул (ID): CC-12540
Микропереключатель Z-15GW2-B
  • 100.07 1 шт.
Артикул (ID): KL-3826
ПМ22-2В под пайку 4A 36VDC 6A 250VAC Микропереключатель, АГ0.360.218 ТУ
  • 648 1 шт.
  • 584 от 5 шт.
Артикул (ID): TT-05056
KW1-103-Z3A100 Микропереключатель, 3-контактный, средний уровень, 6,35x0,8 мм, черный Daier
  • 25.46 1 шт.
Артикул (ID): TT-05055
KW1-103-Z1A150 переключатель Daier
  • 25.98 1 шт.
Артикул (ID): TT-05054
KW-10-Z4P переключатель Daier
  • 8.78 1 шт.
Артикул (ID): TT-05053
KW-10-Z3P переключатель Daier
  • 5.03 1 шт.
Артикул (ID): TT-05052
KLS7-KW4-3Z-B122013L4 (L-KLS7-KW4-3Z-B122013L4) переключатель, KLS
  • 29.96 1 шт.
Артикул (ID): KL-2180
МП2101Л исп.4 под пайку толкатель 16A(Ампер) 440VDC(Вольт) 660VAC(Вольт) Микропереключатель.
  • 308 1 шт.
Артикул (ID): KL-2228
Уценка МП2101Л исп.4 под пайку толкатель 16A(Ампер) 440VDC(Вольт) 660VAC(Вольт) Микропереключатель.
  • 216 1 шт.
Артикул (ID): ZN-8608
2Д701 под пайку кнопка 10A(Ампер) 30VAC(Вольт) 3A(Ампер) 220VAC(Вольт) Микропереключатель.
  • 300 1 шт.
  • 300 от 10 шт.
  • 300 от 100 шт.
Артикул (ID): KK-16663
ПМ22-2В|карб.|5|2013|Белово|
  • 340 1 шт.
Артикул (ID): KK-16661
МП1-1 ( ПМ22-2)|карб.|9|2018|Белово|
  • 408 1 шт.
Артикул (ID): CC-11989
Переключатель KW5-OZ-1-E угловой
  • 4.32 1 шт.
Артикул (ID): KK-16512
Д701||5|2021|Электроавтомат|з/уп+пасп.
  • 340 1 шт.
Артикул (ID): KK-16511
Д701||5|2020|Электроавтомат|
  • 323 1 шт.

Недавно просмотренные товары

Принимаем к оплате
IP Electron в соцсетях