73 975 товаров в наличии и на заказ

Электронные компоненты и расходные материалы

$
Настройка отображения валюты
Полный каталог
Скидка на Конденсаторы
-20%

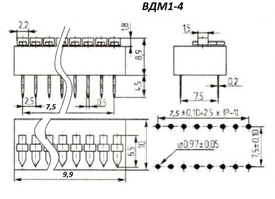
ВДМ1-4 Переключатель движковый, АГ0.360.039ТУ (арт. OP-1858)

Выключатели ВДМ1-4 четырёхполюсные движковые модульные малогабаритные для печатного монтажа. Предназначены для коммутации электрических цепей постоянного и переменного тока при напряжении не более 36 В и силе тока до 0,1 А. Используются для работы в качестве выключателей в радиоэлектронной аппаратуре широкого применения. Расшифровка условного обозначения ВДМ1-4: ВДМ - выключатели движковый модульный; 1 - порядковый номер разработки; 4 - количество полюсов  в модуле. Вся дополнительная информация находится во вложении на товар, см. pdf – файл

Подробнее
Заметили
ошибку ?
Сообщите нам

Общая информация

Наименование ВДМ1-4 Переключатель движковый, АГ0.360.039ТУ
Торговая марка ОАО «Микроом» Лермонтов
Страна происхождения РОССИЯ
ТУ АГО.360.639ТУ
Вид приемки i "1"- ОТК
Масса изделия, гр 1
Дата выпуска 1992
Наличие паспорта - этикетки нет
Транслитерация VDM1-4 Engine switch,AG0.360.039TU
Вид упаковки самоупаковка
Кратность отгрузки 1

Основные характеристики

Функциональная группа Переключатель движковый
Количество положений 2
Покрытие выводов или контактов Au (золото)
Метод монтажа ТНТ (выводной)
Фактическая маркировка ВДМ1-4
Цвет изделия белый
Габаритные размеры L*W*H 10х9,9х13,4 mm
Длина корпуса 9,9 mm
Ширина корпуса 10 mm
Материал корпуса пластмасса
Материал ручки(кнопки)-толкателя пластмасса

Технические характеристики

Сопротивление изоляции 1000 MΩ
Сопротивление контактов не более 0,05 Ω
Номинальное напряжение 24 V
Электрическая прочность изоляции 500 V
Номинальный ток 0,05 A
Усилие или момент переключения 5,88 - 34,4 N
Количество положений 2

Условия эксплуатации

Интервал рабочих температур от -40 до +85°C
Относительная влажность 80% при температуре 25°С
Атмосферное давление от 400 до 800 мм рт. ст.
Ресурс 15000 циклов
Климатическое исполнениеi УХЛ
Срок отгрузки со склада 1 день (в наличии)

Оставить отзыв

Оценка:
              
Преимущества *
Недостатки *
Комментарий *
Ваше Имя *
Эл. почта *
Введите текст с картинки:
* Поля для обязательного заполнения
Отзыв будет опубликован после проверки модератором
Принимаем заказы на товары,
не вошедшие в каталог

Пришлите маркировку необходимого вам товара.
Мы предоставим Вам наилучшие условия по поставке!

Оформить заявку

Похожие товары

Артикул (ID): ZU-9160
SWD1-4 (DS-04) (Вдм1-4) Переключатель
Артикул (ID): TT-05099
SWD4-9 (DM-09) SMD 9 поз. шаг 2.54мм переключатель Daier
  • 33.59 1 шт.
Артикул (ID): TT-05098
SWD4-8 (DS-8S)(DS1040-01-8) SMD 8 поз. шаг 2.54мм переключатель CONNFLY
  • 34.25 1 шт.
Артикул (ID): TT-05097
SWD4-7 (DM-07) SMD 7 поз. шаг 2.54мм переключатель Daier
  • 21.75 1 шт.
Артикул (ID): TT-05096
SWD4-6 (DM-R06) SMT 6 поз. шаг 2.54мм переключатель Daier
  • 41.84 1 шт.
Артикул (ID): TT-05095
SWD4-5 (DM-05) SMD 5 поз. шаг 2.54мм переключатель Daier
  • 39.75 1 шт.
Артикул (ID): TT-05094
SWD4-4 (DS-4S)(DS1040-01-4) SMD 4 поз. шаг 2.54мм переключатель CONNFLY
  • 30.03 1 шт.
Артикул (ID): TT-05093
SWD4-3 (DM-03) SMD 3 поз. шаг 2.54мм переключатель Daier
  • 29.36 1 шт.
Артикул (ID): TT-05092
SWD4-2 (DS-2S) (DS1040-01-02SBWB) SMD 2 поз. шаг 2.54мм переключатель CONNFLY
  • 48.57 1 шт.
Артикул (ID): TT-05091
SWD4-2 (DM-R02) SMD 2 поз. шаг 2.54мм переключатель Daier
  • 29.73 1 шт.
Артикул (ID): TT-05090
SWD4-12 (DM-12) SMD 12 поз. шаг 2.54мм переключатель. Daier
  • 39.48 1 шт.
Артикул (ID): TT-05089
SWD3-5 (DP-05L) (DS1040-05RT) DIP 5 поз. шаг 2.54мм переключатель CONNFLY
  • 20.97 1 шт.
Артикул (ID): TT-05088
SWD3-4 (DP-04L) (DS1040-04RT) DIP 4 поз. шаг 2.54мм переключатель CONNFLY
  • 22.02 1 шт.
Артикул (ID): TT-05087
SWD3-3 (DP-03L) (DS1040-03RT) DIP 3 поз. шаг 2.54мм переключатель CONNFLY
  • 16.56 1 шт.
Артикул (ID): TT-05086
SWD3-2 (DP-02L) (DS1040-02RT) DIP 2 поз. шаг 2.54мм переключатель CONNFLY
  • 18.66 1 шт.

Недавно просмотренные товары

Принимаем к оплате
IP Electron в соцсетях