73 975 товаров в наличии и на заказ

Электронные компоненты и расходные материалы

$
Настройка отображения валюты
Полный каталог
Скидка на Конденсаторы
-20%

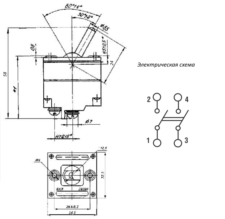
2В-200 on-off, 10A(Ампер) 27V(Вольт) Тумблер двухполюсный, винт, 7ШО.360.001ТУ, 2003 (арт. KP-9322)

10 A; 27 V; on-off; DPST NO; 7ШО.360.001ТУ

2В-200 Тумблер двухполюсный - выключатель перекидной переменного тока герметизированный. Структура условного обозначения: 2 - число полюсов (двухполюсный); В - выключатель переменного тока; 200 - максимальное напряжение (Вольт); К - место установки: с индексом «К» - в кабинах с красным освещением, без индекса «К» - в кабинах с обычным освещением. Предназначен для коммутации электрических цепей постоянного и переменного токов с активной и индуктивной нагрузками. Вся дополнительная информация находится во вложении, см. pdf -  файл.

Подробнее
Заметили
ошибку ?
Сообщите нам

Общая информация

Наименование 2В-200 on-off, 10A(Ампер) 27V(Вольт) Тумблер двухполюсный, винт, 7ШО.360.001ТУ, 2003
Торговая марка Алатырский завод «Электроавтомат», г. Алатырь
Страна изготовления РОССИЯ
Нормы и требования 7ШО.360.001ТУ
Дата изготовленияi 2000-2009
Вид приемки i "1"- ОТК
Масса изделия, гр 73
Наличие паспорта - этикетки нет
Транслитерация 2V-200 on-off, 5A (Amps) 27V (Volts) Double-pole toggle switch, screw, 7ШО.360.001ТУ
Состояние упаковки самоупаковка

Основные параметры

Функциональная группа Переключатели
Функциональный тип тумблер ручного управления
Серия переключателя 2В-200
Число полюсов двухполюсный
Наличие фиксации есть фиксация
Наличие индикации (цвет) индикация зеленая (светящийся глазок)
Количество положений 2 положения
Электрическая схема контактовi DPST NO
Электрическая схема коммутации полож.1 (-); пол. 2 (1-2, 3-4)
Алгоритм работыi on-off
Метод монтажа механический на панель, крепление корпуса винтовое
Метод монтажа электрический винт
Контакты контакты под винт/клемму
Материал контактов латунь
Покрытие контактов Ni (никель)
Установочные размеры 26 mm расстояние между монтажными отверстиями, винт М4
Диаметр установочного отверстия 4 mm
Материал корпуса бакелит
Покрытие корпуса без покрытия
Цвет корпуса черный
Цвет толкателя белый
Материал ручки(кнопки)-толкателя металл
Вид исполнения ручки ручка светящаяся (длина 16 mm)
Наличие протектора нет
Габаритные размеры L*W*H 34,5х32,5х58 mm
Длина корпуса 34,5 mm
Ширина корпуса 32,5 mm
Высота корпуса 41 mm
Фактическая маркировка 2В200
Рабочее положение любое
Другие наименования переключатель, переключатель перекидной, тумблер...

Технические характеристики

Номинальный ток 10 A
Номинальное напряжение 27 V
Сопротивление контактов не более 50 mΩ

Условия эксплуатации

Степень защиты IPi IP30(корпус); IP00(выводы)
Интервал рабочих температур от -60 до +60°С
Относительная влажность 98% при температуре +40°С
Макс. срок хранения 10 лет
Ресурс 25000 переключений
Минимальная наработка 10 000 час.

Оставить отзыв

Оценка:
              
Преимущества *
Недостатки *
Комментарий *
Ваше Имя *
Эл. почта *
Введите текст с картинки:
* Поля для обязательного заполнения
Отзыв будет опубликован после проверки модератором
Принимаем заказы на товары,
не вошедшие в каталог

Пришлите маркировку необходимого вам товара.
Мы предоставим Вам наилучшие условия по поставке!

Оформить заявку

Похожие товары

Артикул (ID): ZR-0253
2ВН-45 off-(on), 20A(Ампер) 27V(Вольт) Тумблер двухполюсный, винт, ТУ16-526.016-73.
Артикул (ID): ZM-2669
KN3(B)-223 (on)-off-(on), 6А(Ампер) 250V(Вольт) Тумблер двухполюсный, винт, RUICHI
  • 148.35 1 шт.
  • 148.35 от 10 шт.
  • 148.35 от 100 шт.
Артикул (ID): ZM-6953
2ВН-45 off-(on), 20A(Ампер) 27V(Вольт) Тумблер двухполюсный, винт, ТУ16-526.016-73, 2019г
Артикул (ID): KK-16838
Гайки к ТВ1-2|||||
  • 5.1 1 шт.
Артикул (ID): TT-05277
KLS7-SMS-203-A2 ON-OFF-ON (6pin) 1.5A 250VAC тумблер переключатель KLS
  • 42.21 1 шт.
Артикул (ID): TT-05278
KN3(C)-101 ON-OFF (2pin) 15A 250VAC тумблер переключатель Daier
  • 125.46 1 шт.
Артикул (ID): TT-05279
KN3(C)-102 ON-ON (3pin) 15A 250VAC тумблер переключатель Daier
  • 77.28 1 шт.
Артикул (ID): TT-05280
KN3(C)-203 ON-OFF-ON (6pin) 15A 250VAC тумблер переключатель Daier
  • 139.52 1 шт.
Артикул (ID): TT-05281
KN3C-201 ON-OFF (4pin) 15A 250VAC тумблер переключатель Daier
  • 140.91 1 шт.
Артикул (ID): TT-05282
MTS-101 ON-OFF (2pin) 6A 125VAC тумблер переключатель Daier
  • 40.14 1 шт.
Артикул (ID): TT-05284
MTS-102R тумблер ON-ON Daier
  • 42.2 1 шт.
Артикул (ID): TT-05285
MTS-203 ON-OFF-ON (6pin) 6A 125VAC тумблер переключатель Daier
  • 44.28 1 шт.
Артикул (ID): TT-05286
SMTS-202 ON-ON (6pin) 1.5A 250VAC тумблер переключатель Daier
  • 44.04 1 шт.
Артикул (ID): TT-05287
SMTS-203 ON-OFF-ON (6pin) 1.5A 250VAC тумблер переключатель Daier
  • 51.17 1 шт.
Артикул (ID): CC-12539
Тумблер E-TEN 1221 off-on 15A 250V AC
  • 79.3 1 шт.

Недавно просмотренные товары

Принимаем к оплате
IP Electron в соцсетях