73 975 товаров в наличии и на заказ

Электронные компоненты и расходные материалы

$
Настройка отображения валюты
Полный каталог
Скидка на Конденсаторы
-20%

Уценка 2ВГ-15-2С off-on, 15A(Ампер) 27V(Вольт) Тумблер двухполюсный, винт, 7Ш0.360.000ТУ (арт. KP-8945)

15 A; 27 V; off-on; DPST NO; 7Ш0.360.000ТУ

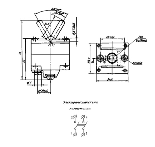
Причина уценки: отсутствует крепеж. 2ВГ-15-2С Тумблер двухполюсный - выключатель герметизированный мгновенного действия. Предназначен для коммутации электрических цепей постоянного тока с активной и индуктивной нагрузками. Структура условного обозначения: 2 – двухполюсный; В – выключатель; Г -  герметизированный; 15 – условная характеристика; для установки в кабинах с обычным освещением (отсутствует индекс «К»); 2С – вторая серия. Используется для работы в качестве переключателей в авиационной технике в составе бортового радиотехнического оборудования. Вся дополнительная информация находится во вложении на товар, см. pdf - файл.

Подробнее
Заметили
ошибку ?
Сообщите нам

Общая информация

Наименование Уценка 2ВГ-15-2С off-on, 15A(Ампер) 27V(Вольт) Тумблер двухполюсный, винт, 7Ш0.360.000ТУ
Торговая марка Алатырский завод «Электроавтомат», г. Алатырь
Страна изготовления СССР
Дата изготовленияi 1976-1991
Вид приемки i "1"- ОТК
Масса изделия, гр 61
Наличие паспорта - этикетки нет
Транслитерация Markdown 2VG-15-2S off-on, 15A (Amp) 27V (Volt) Two-pole toggle switch, screw, 7Sh0.360.000TU
Доупаковка промасленная бумага
Состояние упаковки самоупаковка

Основные параметры

Функциональная группа Переключатели
Функциональный тип тумблер ручного управления
Серия переключателя 2ВГ-15-2С
Число полюсов двухполюсный
Наличие фиксации есть фиксация
Наличие индикации (цвет) индикация зеленая (светящийся глазок)
Количество положений 2 положения
Электрическая схема контактовi DPST NO
Электрическая схема коммутации полож.1 (-); пол. 2 (1-2, 3-4)
Алгоритм работыi off-on
Метод монтажа механический на панель, крепление корпуса винтовое
Метод монтажа электрический под винт (клемма кольцевая или вилочная)
Контакты контакты под винт/клемму
Материал контактов латунь
Покрытие контактов Ag (серебро)
Установочные размеры крепежное отверстие d = 4,5 mm
Диаметр установочного отверстия 4,5 mm
Материал корпуса карболит
Покрытие корпуса без покрытия
Цвет корпуса коричневый
Цвет толкателя серый
Материал ручки(кнопки)-толкателя металл
Вид исполнения ручки ручка светящаяся (длина 18,8 mm)
Наличие протектора нет
Габаритные размеры L*W*H 34,2х32,4х55 mm
Длина корпуса 34,2 mm
Ширина корпуса 32,4 mm
Высота корпуса 28 mm
Дополнительные характеристики герметизированный
Фактическая маркировка 2ВГ-15
Рабочее положение любое
Другие наименования переключатель, переключатель перекидной, пакетный переключатель, тумблер...
Аналогичные серии 2ВНГ..., Т3..., ТВ1...

Технические характеристики

Номинальный ток 15 A
Номинальное напряжение 27 V
Допустимая перегрузка по току 30 A
Усилие или момент переключения 6,9 - 24,5 N

Условия эксплуатации

Интервал рабочих температур от -60 до +60°С
Климатическое исполнениеi О - общеклиматическое исполнение
Относительная влажность 98% при температуре +40°С
Макс. срок хранения 8 лет
Ресурс 25000 переключений

Оставить отзыв

Оценка:
              
Преимущества *
Недостатки *
Комментарий *
Ваше Имя *
Эл. почта *
Введите текст с картинки:
* Поля для обязательного заполнения
Отзыв будет опубликован после проверки модератором
Принимаем заказы на товары,
не вошедшие в каталог

Пришлите маркировку необходимого вам товара.
Мы предоставим Вам наилучшие условия по поставке!

Оформить заявку

Похожие товары

Артикул (ID): TN-2728
Т3-В on-on, 6A(Ампер) 250V(Вольт) Тумблер двухполюсный, пайка, ВР0.360.007 ТУ, декоративная гайка
  • 266 1 шт.
Артикул (ID): TN-2639
MTS-103-E1 on-off-on, 3А(Ампер) 250V(Вольт) Микротумблер однополюсный, пайка, RUICHI.
  • 94 1 шт.
  • 87 от 10 шт.
Артикул (ID): SN-9916
2ВГ-15К-2С off-on, 15A(Ампер) 27V(Вольт) Тумблер двухполюсный, винт, 7Ш0.360.000ТУ
Артикул (ID): OP-1720
STM-202 on-on, 3А(Ампер) 250V(Вольт) Микротумблер двухполюсный, пайка, RUICHI
Артикул (ID): OP-1727
2ВНГ-15 off-(on), 15A(Ампер) 27V(Вольт) Тумблер двухполюсный, винт, 7ШО.360.000ТУ
  • 410 1 шт.
  • 365 от 5 шт.
Артикул (ID): OP-1498
П2НПН-45 off-on-(on)-(on), 20A(Ампер) 27V(Вольт) Тумблер однополюсный, винт, ТУ 16-526.016-73, "5"
  • 320 1 шт.
  • 302 от 5 шт.
Артикул (ID): SN-8509
ТВ1-1 off-on, 5A(Ампер) 220V(Вольт) Тумблер однополюсный, пайка, УС0.360.075 ТУ, 2021
  • 284 1 шт.
  • 266 от 5 шт.
Артикул (ID): TN-637
П3Н off-(on)-(on)-(on), 15A(Ампер) 27V(Вольт) Тумблер однополюсный, винт, 8Ю3.602.135ТУ, 2001г
  • 720 1 шт.
Артикул (ID): TT-05281
KN3C-201 ON-OFF (4pin) 15A 250VAC тумблер переключатель Daier
  • 140.91 1 шт.
Артикул (ID): TT-05282
MTS-101 ON-OFF (2pin) 6A 125VAC тумблер переключатель Daier
  • 40.14 1 шт.
Артикул (ID): TT-05284
MTS-102R тумблер ON-ON Daier
  • 42.2 1 шт.
Артикул (ID): TT-05285
MTS-203 ON-OFF-ON (6pin) 6A 125VAC тумблер переключатель Daier
  • 44.28 1 шт.
Артикул (ID): TT-05286
SMTS-202 ON-ON (6pin) 1.5A 250VAC тумблер переключатель Daier
  • 44.04 1 шт.
Артикул (ID): TT-05287
SMTS-203 ON-OFF-ON (6pin) 1.5A 250VAC тумблер переключатель Daier
  • 51.17 1 шт.
Артикул (ID): CC-12539
Тумблер E-TEN 1221 off-on 15A 250V AC
  • 79.3 1 шт.

Недавно просмотренные товары

Принимаем к оплате
IP Electron в соцсетях