73 975 товаров в наличии и на заказ

Электронные компоненты и расходные материалы

$
Настройка отображения валюты
Полный каталог
Скидка на Конденсаторы
-20%

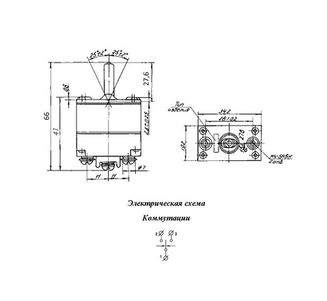
ППНГ-15К on-off-on, 15A(Ампер) 27V(Вольт) Тумблер однополюсный, винт, 7Ш0.360.000ТУ (арт. BV-2570)

27 V; on-off-on; 7Ш0.360.000ТУ

ППНГ-15К Тумблер однополюсный перекидной с нейтральным положением ручки управления герметизированный мгновенного действия. Предназначен для коммутации электрических цепей постоянного тока с активной и индуктивной нагрузками. Структура условного обозначения: ППНГ - переключатель перекидной с нейтральным положением герметизированный; 15 - условная характеристика; К - место установки: с индексом «К» - в кабинах с красным освещением, без индекса «К» - в кабинах с обычным освещением. Используется для работы в качестве переключателей в авиационной технике в составе бортового радиотехнического оборудования. Вся дополнительная информация находится во вложении, см. pdf -  файл.

Подробнее
Заметили
ошибку ?
Сообщите нам

Общая информация

Наименование ППНГ-15К on-off-on, 15A(Ампер) 27V(Вольт) Тумблер однополюсный, винт, 7Ш0.360.000ТУ
Торговая марка Алатырский завод «Электроавтомат», г. Алатырь
Страна изготовления СССР
Нормы и требования 7Ш0.360.000ТУ
Дата изготовленияi 1976-1991
Вид приемки i "1"- ОТК
Масса изделия, гр 44,5
Наличие паспорта - этикетки нет
Транслитерация PPNG-15K on-off-on, 15A(Ampere) 27V(Volt) Single-pole toggle switch, screw, 7Sh0.360.005TU
Состояние упаковки самоупаковка

Основные параметры

Функциональная группа Переключатели
Функциональный тип тумблер ручного управления
Серия переключателя ППНГ-15
Число полюсов однополюсный
Наличие фиксации есть фиксация
Наличие индикации (цвет) нет индикации
Количество положений 3 положения
Электрическая схема контактовi SP3T
Алгоритм работыi on-off-on
Метод монтажа механический на панель, крепление корпуса винтовое
Метод монтажа электрический под винт (клемма кольцевая или вилочная)
Контакты контакты под винт/клемму
Материал контактов латунь
Покрытие контактов Ag (серебро)
Установочные размеры 25 mm расстояние между монтажными отверстиями
Диаметр установочного отверстия 4,5 mm
Материал корпуса бакелит
Покрытие корпуса без покрытия
Цвет корпуса черный
Цвет толкателя серый
Материал ручки(кнопки)-толкателя металл
Вид исполнения ручки ручка обычная (длина 27,6 mm)
Наличие протектора нет
Габаритные размеры L*W*H 34,2х19,2х66 mm
Длина корпуса 34,2 mm
Ширина корпуса 19,2 mm
Высота корпуса 37 mm
Дополнительные характеристики герметизированный
Фактическая маркировка ППНГ-15К
Рабочее положение любое
Другие наименования переключатель, переключатель нажимной, пакетный переключатель, тумблер...
Аналогичные серии 2ПНГ-15..., 2ВНГ-15...

Технические характеристики

Номинальный ток 15 A
Номинальное напряжение 27 V
Допустимая перегрузка по току 30 A
Усилие или момент переключения 4,9 - 24,5 N

Условия эксплуатации

Степень защиты IPi IP30
Интервал рабочих температур от -60 до +60°С
Климатическое исполнениеi О - общеклиматическое исполнение
Относительная влажность 98% при температуре +40°С
Макс. срок хранения 10 лет
Ресурс 30 000 переключений

Оставить отзыв

Оценка:
              
Преимущества *
Недостатки *
Комментарий *
Ваше Имя *
Эл. почта *
Введите текст с картинки:
* Поля для обязательного заполнения
Отзыв будет опубликован после проверки модератором
Принимаем заказы на товары,
не вошедшие в каталог

Пришлите маркировку необходимого вам товара.
Мы предоставим Вам наилучшие условия по поставке!

Оформить заявку

Похожие товары

Артикул (ID): CC-12539
Тумблер E-TEN 1221 off-on 15A 250V AC
  • 79.3 1 шт.
Артикул (ID): TT-05287
SMTS-203 ON-OFF-ON (6pin) 1.5A 250VAC тумблер переключатель Daier
  • 51.17 1 шт.
Артикул (ID): TT-05286
SMTS-202 ON-ON (6pin) 1.5A 250VAC тумблер переключатель Daier
  • 44.04 1 шт.
Артикул (ID): TT-05285
MTS-203 ON-OFF-ON (6pin) 6A 125VAC тумблер переключатель Daier
  • 44.28 1 шт.
Артикул (ID): TT-05284
MTS-102R тумблер ON-ON Daier
  • 42.2 1 шт.
Артикул (ID): TT-05282
MTS-101 ON-OFF (2pin) 6A 125VAC тумблер переключатель Daier
  • 40.14 1 шт.
Артикул (ID): TT-05281
KN3C-201 ON-OFF (4pin) 15A 250VAC тумблер переключатель Daier
  • 140.91 1 шт.
Артикул (ID): TT-05280
KN3(C)-203 ON-OFF-ON (6pin) 15A 250VAC тумблер переключатель Daier
  • 139.52 1 шт.
Артикул (ID): TT-05279
KN3(C)-102 ON-ON (3pin) 15A 250VAC тумблер переключатель Daier
  • 77.28 1 шт.
Артикул (ID): TT-05278
KN3(C)-101 ON-OFF (2pin) 15A 250VAC тумблер переключатель Daier
  • 125.46 1 шт.
Артикул (ID): TT-05277
KLS7-SMS-203-A2 ON-OFF-ON (6pin) 1.5A 250VAC тумблер переключатель KLS
  • 42.21 1 шт.
Артикул (ID): KK-16838
Гайки к ТВ1-2|||||
  • 5.1 1 шт.
Артикул (ID): KK-16837
Крепеж к Т1(1-1,2,3)|||||кол-во в комплек-х
  • 42.5 1 шт.
Артикул (ID): KK-16836
ПТ67-2В|карб.||2026|Смоленск|W з/уп,с креп.
  • 1105 1 шт.
Артикул (ID): KK-16835
Крепеж к ПТ57(ТАФЛ 758441.001)|||||гайки
  • 42.5 1 шт.

Недавно просмотренные товары

Принимаем к оплате
IP Electron в соцсетях