74 082 товаров в наличии и на заказ

Электронные компоненты и расходные материалы

$
Настройка отображения валюты
Полный каталог
Скидка на Конденсаторы
-20%

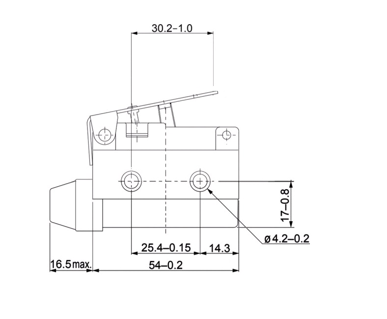
AZ-7140 10A(Ампер) 250V(Вольт) Конечный (концевой) выключатель (арт. KP-9351)

Выключатель путевой рычажный RUICHI AZ-7140, NO-NC, 4P, 1.25 мм2, 10 А, 250 В, 15 мОм, IP64, корпус пластиковый представляет собой командоаппарат, кинематически связанный с рабочей машиной, предназначенный для срабатывания на определенных расстояниях ее пути. Конечный выключатель – это путевой выключатель, приводимый в действие рабочей машиной или ее частью в конце пути. Вся дополнительная информация находится во вложении на товар, см. pdf - файл.

Подробнее
Заметили
ошибку ?
Сообщите нам

Общая информация

Наименование AZ-7140 10A(Ампер) 250V(Вольт) Конечный (концевой) выключатель
Торговая марка RUICHI
Страна происхождения КИТАЙ
Масса изделия, гр 48,3
Дата выпуска дата не указана
Транслитерация АЗ-7140 10А 250В
Наличие паспорта - этикетки нет
Состояние упаковки самоупаковка

Основные параметры

Функциональная группа Выключатели концевые
Типономинал / Типоконструкция с 1 замыкающим и 1 размыкающим контактами
Наличие фиксации есть
Метод монтажа на панель
Алгоритм работыi on-(on)
Фактическая маркировка AZ7140 10A 250V AC
Цвет изделия белый
Габаритные размеры L*W*H 70х21х53 mm
Длина изделия 70 mm
Ширина изделия 21 mm
Материал корпуса пластик с металлической накладкой
Материал ручки(кнопки)-толкателя металл
Вид толкателя рычаг- пластина
Установочные размеры М4

Технические характеристики

Сопротивление контактов не более 15 mΩ
Номинальное напряжение 250 VAC
Номинальный ток 10 A
Электрическая прочность изоляции 1000 VAC 1min
Сопротивление изоляции 100 MΩ (min 500 V DC)
Рабочая частота Механическая 120 опер./мин. Электрическая 30 опер./мин
Скорость срабатывания 0,05-50 sm/s

Условия эксплуатации

Интервал рабочих температур от -20 до +60°C
Относительная влажность 95% при температуре 20°С
Срок отгрузки со склада 1 день (в наличии)
Загрузка...
Принимаем заказы на товары,
не вошедшие в каталог

Пришлите маркировку необходимого вам товара.
Мы предоставим Вам наилучшие условия по поставке!

Оформить заявку

Похожие товары

Артикул (ID): TN-3298
AZ-7110 10A 250V Конечный (концевой) выключатель
  • 180 1 шт.
  • 166 от 10 шт.
Артикул (ID): TN-3278
AZ-7144 10A(Ампер) 250V(Вольт) Конечный (концевой) выключатель
Артикул (ID): TN-3279
AZ-7311 10A(Ампер) 250V(Вольт) Конечный (концевой) выключатель
  • 278 1 шт.
  • 256 от 10 шт.
Артикул (ID): ZR-0118
KZ-8122 (TZ-8122) 5A 250V Конечный (концевой) выключатель Al+Zinc
  • 252.3 1 шт.
  • 252.3 от 10 шт.
  • 252.3 от 100 шт.
Артикул (ID): ZP-6324
3SE3 100-1D Конечный (концевой) выключатель
  • 224.4 1 шт.
  • 224.4 от 10 шт.
  • 224.4 от 100 шт.
Артикул (ID): BV-4470
ДП-702 10А 27В Путевой (концевой) выключатель, 7ШЗ.603.006ТУ
  • 3375 1 шт.
Артикул (ID): ZR-0120
KZ-8169 (TZ-8169) 5A 250V Конечный (концевой) выключатель(Al+Zinc).
  • 241.58 1 шт.
  • 241.58 от 10 шт.
  • 241.58 от 100 шт.
Артикул (ID): ZR-0101
HL-5030 5A 250V Конечный (концевой) выключатель.
  • 511.4 1 шт.
  • 511.4 от 10 шт.
  • 511.4 от 100 шт.
Артикул (ID): ZR-0094
AZ-7124 10A 250V Конечный (концевой) выключатель.
  • 159.2 1 шт.
  • 159.2 от 10 шт.
  • 159.2 от 100 шт.
Артикул (ID): ZP-6327
3SE3 100-1T Конечный (концевой) выключатель
  • 224.4 1 шт.
  • 224.4 от 10 шт.
  • 224.4 от 100 шт.
Артикул (ID): KK-16654
ВП15К 21А231-54У2.3||||КЭАЗ|б/г,без 1-й трансп.загл.,копия пасп.
  • 85 1 шт.
Артикул (ID): KK-16655
ВП15К 21А231-54У2.3||||КЭАЗ|б/г,копия пасп.
  • 119 1 шт.
Артикул (ID): ZR-0159
ВПК2010 (аналог) Конечный (концевой) выключатель
  • 197.16 1 шт.
  • 197.16 от 10 шт.
Артикул (ID): ZP-6331
3SE3 100-1E Конечный (концевой) выключатель
  • 186.6 1 шт.
  • 186.6 от 10 шт.
  • 186.6 от 100 шт.

Недавно просмотренные товары

Принимаем к оплате
IP Electron в соцсетях