74 083 товаров в наличии и на заказ

Электронные компоненты и расходные материалы

$
Настройка отображения валюты
Полный каталог
Скидка на Конденсаторы
-20%

3ОД101Б Оптопара диодная, (арт. TN-1554)

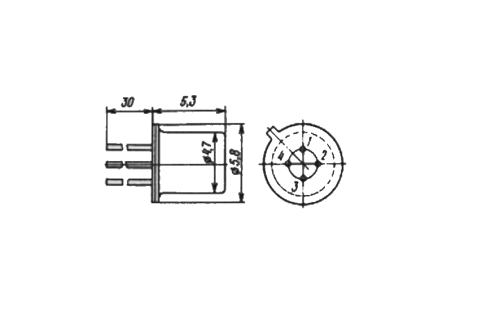
Оптопара диодная ЗОД101Б  образована излучающим диодом на основе соединения арсенид-галлий-алюминий и кремниевым фотодиодом. Предназначена для гальванической развязки электрических цепей между которыми осуществляется информационная связь. Выпускается в металлическом корпусе. Вся дополнительная информация находится во влажении неа товар, см. pdf-файл.

Подробнее
Заметили
ошибку ?
Сообщите нам

Общая информация

Наименование 3ОД101Б Оптопара диодная,
Торговая марка ПО Тантал, Саратов
Страна происхождения СССР
ТУ ТТ0.336.012ТУ
Вид приемки i "5"- ВП, ПЗ
Масса изделия, гр 0,48
Дата выпуска 1983-1990
Наличие паспорта - этикетки нет
Транслитерация Optocoupler diode ZOD101B
Состояние упаковки самоупаковка

Основные параметры

Функциональная группа Оптрон
Функциональный тип оптроны
Фактическая маркировка 3ОД101Б
Габаритные размеры L*W*H 27х9
Высота корпуса 6,4 mm
Количество выводов или контактов 4
Длина выводов 14 mm
Конструкция выводов, контактов однонаправленные
Материал выводов, контактов латунь
Покрытие выводов или контактов Ag (серебро)
Конструктивные особенности 4 вывода
Цвет изделия серый

Технические характеристики

Макс. постоянное обратное напряжение 100 V
Сопротивление изоляции 100 Ω
Входное напряжение не более 1,5 V
Время нарастания выходного сигнала не более 500 ns
Время спада выходного сигнала не более 500 ns
Время задержки распространения 8,0 ns
Ток утечки, max 8 μА
Коэффициент передачи по току, max 1,5%

Условия эксплуатация

Интервал рабочих температур от -60 до +70°C

Оставить отзыв

Оценка:
              
Преимущества *
Недостатки *
Комментарий *
Ваше Имя *
Эл. почта *
Введите текст с картинки:
* Поля для обязательного заполнения
Отзыв будет опубликован после проверки модератором
Принимаем заказы на товары,
не вошедшие в каталог

Пришлите маркировку необходимого вам товара.
Мы предоставим Вам наилучшие условия по поставке!

Оформить заявку

Недавно просмотренные товары

Принимаем к оплате
IP Electron в соцсетях