74 121 товара в наличии и на заказ

Электронные компоненты и расходные материалы

$
Настройка отображения валюты
Полный каталог
Скидка на Конденсаторы
-20%

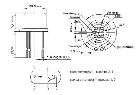
3ОТ110Б Оптопара транзисторная (арт. KT-1374)

Оптопары транзисторные 3ОТ110Б, состоящие из излучающего диода на основе соединения мышьяк-галлий-алюминий и составного кремниевого фототранзистора. Предназначены для использования в качестве переключателя в гальванически развязанных электрических цепях радиоэлектронной аппаратуры. Используются для работы в аппаратуре специального назначения. Выпускаются в металлостеклянном корпусе для монтажа в отверстия печатной платы. Расшифровка маркировки 3ОТ110Б:  3 - на основе соединений галлия категории качества «ВП», «ОСМ», «ОС»; О - оптоэлектронные приборы;  Т -транзисторные оптопары; 110 - число, указывающее на порядковый номер разработки оптопары; Б - буква, определяющая классификацию оптопары по параметрам, изготовленных по единому технологическому процессу. Вся дополнительная информация находится во вложении на товар, см. pdf-файл.        

Подробнее
Заметили
ошибку ?
Сообщите нам

Общая информация

Наименование 3ОТ110Б Оптопара транзисторная
Торговая марка Ульяновский радиоламповый завод
Страна происхождения РОССИЯ
ТУ аАО.339.064 ТУ
Вид приемки i "5"- ВП, ПЗ
Масса изделия, гр 1,5
Дата выпуска 1992
Наличие паспорта - этикетки нет
Транслитерация 3ot110b-optopara-tranzistornaya
Вид упаковки картонная коробка (100шт)
Состояние упаковки заводская

Основные параметры

Функциональная группа Оптрон
Типоразмер корпуса КТ-2-18
Фактическая маркировка 3ОТ110Б
Габаритные размеры L*W*H 22х10х10 mm
Ширина корпуса 8,5 mm
Высота корпуса 6,6 mm
Количество выводов или контактов 5
Длина выводов 13,5 mm
Конструкция выводов, контактов гибкие
Покрытие выводов или контактов Au (золото)
Цвет изделия серый

Технические характеристики

Максимальный прямой ток 30 mA
Макс. постоянное обратное напряжение 0,7 V
Входное напряжение 2 V
Выходное напряжение 1,5 V
Напряжение изоляции 100 V

Условия эксплуатация

Интервал рабочих температур от -60 до +70°C

Оставить отзыв

Оценка:
              
Преимущества *
Недостатки *
Комментарий *
Ваше Имя *
Эл. почта *
Введите текст с картинки:
* Поля для обязательного заполнения
Отзыв будет опубликован после проверки модератором
Принимаем заказы на товары,
не вошедшие в каталог

Пришлите маркировку необходимого вам товара.
Мы предоставим Вам наилучшие условия по поставке!

Оформить заявку

Похожие товары

Артикул (ID): ZK-2248
HCPL-3120-500E Оптопара
  • 79.77 1 шт.
  • 79.77 от 10 шт.
  • 79.77 от 100 шт.
Артикул (ID): ZQ-2356
MOC3063SR2M Оптопара
  • 43.86 1 шт.
  • 43.86 от 10 шт.
  • 43.86 от 100 шт.
Артикул (ID): CC-12534
Микросхема MOC3021
  • 19.74 1 шт.
Артикул (ID): ZV-6501
TLP181GB-S UMW Оптопара
  • 6.15 1 шт.
  • 6.15 от 10 шт.
  • 6.15 от 100 шт.
Артикул (ID): ZV-6500
HCPL2630SDM Оптопара
  • 151.88 1 шт.
  • 151.88 от 10 шт.
  • 151.88 от 100 шт.
Артикул (ID): ZV-6499
HCPL-7840-000E Оптопара
  • 190.25 1 шт.
  • 190.25 от 10 шт.
  • 190.25 от 100 шт.
Артикул (ID): ZO-3221
HCPL-3120-000E Оптопара
  • 84.36 1 шт.
  • 84.36 от 10 шт.
  • 84.36 от 100 шт.
Артикул (ID): CC-12519
Оптопара PS2801C-4-F3-A
  • 95.13 1 шт.
Артикул (ID): ZP-9106
H11L1SR2M Оптопара
  • 40.28 1 шт.
  • 40.28 от 10 шт.
  • 40.28 от 100 шт.
Артикул (ID): KK-16791
3ОД109А|Au|9|1992|Тантал|
  • 510 1 шт.
Артикул (ID): TT-04611
TLP620[GB.F], DIP4-300-2.54, оптрон TOSHIBA
  • 26.34 1 шт.
Артикул (ID): TT-04610
PC817X (EL817S1C)(TU)-F (СТ817С) SOP-4 , оптрон RUME
  • 3.41 1 шт.
Артикул (ID): TT-04609
PC817X (EL817S1C)(TU)-F SOP-4 , оптрон EVERLIGHT
  • 4.64 1 шт.
Артикул (ID): TT-04608
PC817X (EL817S1B)(TU)-F SOP-4 , оптрон EVERLIGHT
  • 4.28 1 шт.
Артикул (ID): TT-04607
PC817C, (EL817C)-F DIP-4-300-2.54, оптрон RUME
  • 2.3 1 шт.

Недавно просмотренные товары

Принимаем к оплате
IP Electron в соцсетях