74 103 товаров в наличии и на заказ

Электронные компоненты и расходные материалы

$
Настройка отображения валюты
Полный каталог
Скидка на Конденсаторы
-20%

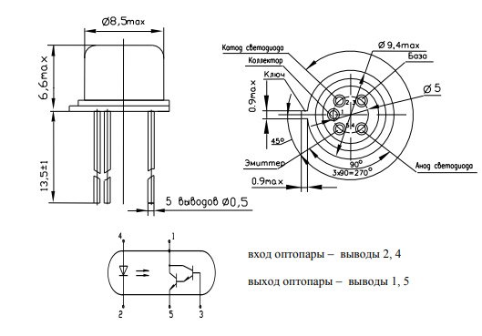
3ОТ110Б Оптопара транзисторная. (арт. KT-1375)

Оптопары транзисторные 3ОТ110Б, состоящие из излучающего диода на основе соединения мышьяк-галлий-алюминий и составного кремниевого фототранзистора. Предназначены для использования в качестве переключателя в гальванически развязанных электрических цепях радиоэлектронной аппаратуры. Используются для работы в аппаратуре специального назначения. Выпускаются в металлостеклянном корпусе для монтажа в отверстия печатной платы. Расшифровка маркировки 3ОТ110Б:  3 - на основе соединений галлия категории качества «ВП», «ОСМ», «ОС»; О - оптоэлектронные приборы;  Т -транзисторные оптопары; 110 - число, указывающее на порядковый номер разработки оптопары; Б - буква, определяющая классификацию оптопары по параметрам, изготовленных по единому технологическому процессу. Вся дополнительная информация находится во вложении на товар, см. pdf-файл.                                            

Подробнее
Заметили
ошибку ?
Сообщите нам

Общая информация

Наименование 3ОТ110Б Оптопара транзисторная.
Торговая марка Ульяновский радиоламповый завод
Страна происхождения СССР
ТУ аАО.339.064 ТУ
Вид приемки i "5"- ВП, ПЗ
Масса изделия, гр 1,5
Дата выпуска 1990
Наличие паспорта - этикетки нет
Транслитерация 3ot110b-optopara-tranzistornaya
Состояние упаковки самоупаковка

Основные параметры

Функциональная группа Оптрон
Типоразмер корпуса КТ-2-18
Фактическая маркировка 3ОТ110Б
Габаритные размеры L*W*H 22х10х10 mm
Ширина корпуса 8,5 mm
Высота корпуса 6,6 mm
Количество выводов или контактов 5
Длина выводов 13,5 mm
Конструкция выводов, контактов гибкие
Покрытие выводов или контактов Au (золото)
Цвет изделия серый

Технические характеристики

Максимальный прямой ток 30 mA
Макс. постоянное обратное напряжение 0,7 V
Входное напряжение 2 V
Выходное напряжение 1,5 V
Напряжение изоляции 100 V

Условия эксплуатация

Интервал рабочих температур от -60 до +70°C
Загрузка...
Принимаем заказы на товары,
не вошедшие в каталог

Пришлите маркировку необходимого вам товара.
Мы предоставим Вам наилучшие условия по поставке!

Оформить заявку

Недавно просмотренные товары

Принимаем к оплате
IP Electron в соцсетях