74 579 товаров в наличии и на заказ

Электронные компоненты и расходные материалы

$
Настройка отображения валюты
Полный каталог
Скидка на Конденсаторы
-20%

3ОТ126А Оптопара транзисторная (арт. TN-1387)

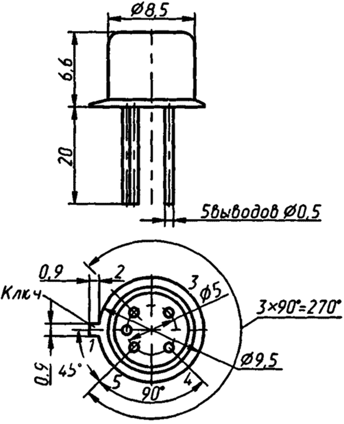
Оптопара транзисторная ЗОТ126А состоит из излучающего диода на основе соединения галлий—алюминий—мышьяк и кремниевого фототранзистора. Предназначена для бесконтактной коммутации постоянного тока с гальванической развязкой между входом и выходом. Выпускается в металлостеклянном корпусе с гибкими выводами.

Подробнее
Заметили
ошибку ?
Сообщите нам

Общая информация

Наименование 3ОТ126А Оптопара транзисторная
Торговая марка Завод ОПТРОН, Москва
Страна происхождения РОССИЯ
Вид приемки i "5"- ВП, ПЗ
Масса изделия, гр 0,98
Дата выпуска 2009
Транслитерация Optocoupler transistor 3OT126A
Состояние упаковки заводская

Основные параметры

Функциональная группа Оптрон
Габаритные размеры L*W*H 9х10х27
Высота корпуса 7 mm
Количество выводов или контактов 5
Длина выводов 20 mm
Покрытие выводов или контактов Ni

Технические характеристики

Макс. постоянное обратное напряжение 0,5 V
Входное напряжение 2 V
Выходное напряжение не более 0,3 V
Напряжение изоляции 1000 V

Условия эксплуатация

Интервал рабочих температур от -60 до +70°C
Кратность упаковки 50
Загрузка...
Принимаем заказы на товары,
не вошедшие в каталог

Пришлите маркировку необходимого вам товара.
Мы предоставим Вам наилучшие условия по поставке!

Оформить заявку

Недавно просмотренные товары

Принимаем к оплате
IP Electron в соцсетях