74 574 товаров в наличии и на заказ

Электронные компоненты и расходные материалы

$
Настройка отображения валюты
Полный каталог
Скидка на Конденсаторы
-20%

АОД101Г Оптопара диодная, аАО.336.070 ТУ (арт. TN-1212)

АОД101Г оптопары диодные. Образованы излучающим диодом на основе соединения арсенид-галлий-алюминий и кремниевым фотодиодом. Предназначены для гальванической развязки электрических цепей, между которыми осуществляется информационная связь. Расшифровка маркировки  АОД101Г:  А - оптопара на основе соединений галлия категории качества «ОТК»; О - оптоэлектронные приборы; Д - диодные оптопары; 101 - число, указывающее на порядковый номер разработки оптопары; Г - буква, определяющая классификацию оптопары по параметрам, изготовленных по единому технологическому процессу. Вся дополнительная информация находится во вложении на товар, см. pdf – файл

Подробнее
Заметили
ошибку ?
Сообщите нам

Общая информация

Наименование АОД101Г Оптопара диодная, аАО.336.070 ТУ
Торговая марка ПО Тантал, Саратов
Страна происхождения СССР
ТУ аАО.336.070 ТУ
ГОСТ 11630-84
Вид приемки i "1"- ОТК
Масса изделия, гр 0,48
Дата выпуска 1986
Наличие паспорта - этикетки нет
Транслитерация AOD101G Diode optocoupler, aAO.336.070 TU
Состояние упаковки самоупаковка

Основные параметры

Функциональная группа Оптрон
Функциональный тип Оптоэлектроника
Фактическая маркировка АОД101Г
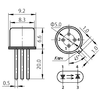
Габаритные размеры L*W*H 26,6х9,2х9,2 mm
Ширина корпуса 9,2 mm
Высота корпуса 9,2 mm
Количество выводов или контактов 4
Длина выводов 20 mm
Конструкция выводов, контактов проволочные
Материал выводов, контактов латунь
Покрытие выводов или контактов лужение
Покрытие корпуса без покрытия
Цвет изделия серый

Технические характеристики

Сопротивление изоляции не более 1GΩ
Входное напряжение не более 1,5 V
Время нарастания выходного сигнала не более 500 ns
Время спада выходного сигнала не более 500 ns
Ток утечки, max 2 µA

Условия эксплуатация

Интервал рабочих температур от -60 до +70°C
Загрузка...
Принимаем заказы на товары,
не вошедшие в каталог

Пришлите маркировку необходимого вам товара.
Мы предоставим Вам наилучшие условия по поставке!

Оформить заявку

Недавно просмотренные товары

Принимаем к оплате
IP Electron в соцсетях