74 103 товаров в наличии и на заказ

Электронные компоненты и расходные материалы

$
Настройка отображения валюты
Полный каталог
Скидка на Конденсаторы
-20%

АОТ110А Оптопара транзисторная (арт. KP-1730)

Оптопары транзисторные АОТ110А, состоящие из излучающего диода на основе соединения мышьяк-галлий-алюминий и составного кремниевого фототранзистора. Предназначены для использования в качестве переключателя в гальванически развязанных электрических цепях радиоэлектронной аппаратуры. Используются для работы в аппаратуре специального назначения. Выпускаются в металлостеклянном корпусе для монтажа в отверстия печатной платы. Расшифровка маркировки АОТ110А: А - оптопара на основе соединений галлия категории качества «ОТК»; О - оптоэлектронные приборы; Т - транзисторные  оптопары; 110 - число, указывающее на порядковый номер разработки оптопары; А - буква, определяющая классификацию оптопары по параметрам, изготовленных по единому технологическому процессу. Вся дополнительная информация находится во вложении на товар, см. pdf-файл.

Подробнее
Заметили
ошибку ?
Сообщите нам

Общая информация

Наименование АОТ110А Оптопара транзисторная
Торговая марка Ульяновский радиоламповый завод
Страна происхождения СССР
ТУ аАО.336.260 ТУ
Вид приемки i "1"- ОТК
Масса изделия, гр 1,5
Дата выпуска 1987
Наличие паспорта - этикетки нет
Транслитерация aot110a-optopara-tranzistornaya
Состояние упаковки самоупаковка

Основные параметры

Функциональная группа Оптрон
Функциональный тип Оптотиристор
Типоразмер корпуса КТ-2-18
Фактическая маркировка АОТ110А
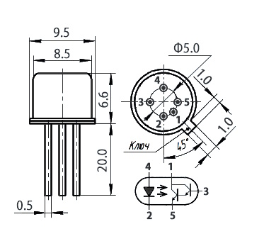
Габаритные размеры L*W*H 10х10х27 mm
Ширина корпуса 9,5 mm
Высота корпуса 6,6 mm
Количество выводов или контактов 5
Длина выводов 20 mm
Конструкция выводов, контактов гибкие
Покрытие выводов или контактов Au (золото)
Цвет изделия серый

Технические характеристики

Сопротивление изоляции не менее 1 GΩ
Входное напряжение не более 1,5 V
Выходное напряжение не более 2 V
Напряжение изоляции 100 V
Ток утечки, max не более 110 µA

Условия эксплуатация

Интервал рабочих температур от -60 до +70°C
Загрузка...
Принимаем заказы на товары,
не вошедшие в каталог

Пришлите маркировку необходимого вам товара.
Мы предоставим Вам наилучшие условия по поставке!

Оформить заявку

Недавно просмотренные товары

Принимаем к оплате
IP Electron в соцсетях