74 574 товаров в наличии и на заказ

Электронные компоненты и расходные материалы

$
Настройка отображения валюты
Полный каталог
Скидка на Конденсаторы
-20%

АОУ103А Оптопара тиристорная, Ni (арт. KP-1029)

Оптопара динисторная (тиристорная) АОУ103А - состоит из излучающего диода на основе соединения галлий-алюминий-мышьяк и кремниевого тиристора. Предназначен для использования в качестве управляемого ключа в узлах радиоэлектронной аппаратуры, в которых требуется гальваническая развязка между выходной цепью и цепями управления. Вся дополнительная информация находится во вложении на товар, см. pdf - файл.

Подробнее
Заметили
ошибку ?
Сообщите нам

Общая информация

Наименование АОУ103А Оптопара тиристорная, Ni
Торговая марка Московский завод СТАРТ
Страна происхождения СССР
ТУ УЖ0.336.062ТУ
Вид приемки i "1"- ОТК
Масса изделия, гр 1,03
Дата выпуска 1980
Наличие паспорта - этикетки есть
Транслитерация Optotiristor AOU103A
Состояние упаковки самоупаковка

Основные параметры

Функциональная группа Оптрон
Функциональный тип Оптоэлектроника
Фактическая маркировка АОУ103А
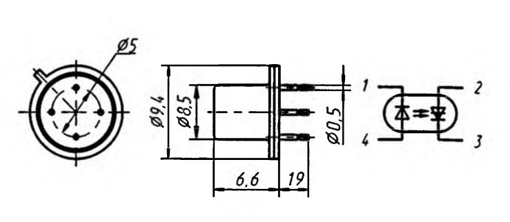
Габаритные размеры L*W*H 9,2х20,1 mm
Высота корпуса 6,6 mm
Количество выводов или контактов 4
Длина выводов 19 mm
Конструкция выводов, контактов проволочные
Покрытие выводов или контактов Ni (никель)
Цвет изделия серый

Технические характеристики

Макс. постоянное обратное напряжение не нормируется
Входное напряжение 2 V
Ток утечки, max 100 μА
Время включения 15 µs
Время выключения 100 µs

Условия эксплуатация

Интервал рабочих температур от -60 до +70°C
Загрузка...
Принимаем заказы на товары,
не вошедшие в каталог

Пришлите маркировку необходимого вам товара.
Мы предоставим Вам наилучшие условия по поставке!

Оформить заявку

Недавно просмотренные товары

Принимаем к оплате
IP Electron в соцсетях