74 467 товаров в наличии и на заказ

Электронные компоненты и расходные материалы

$
Настройка отображения валюты
Полный каталог
Скидка на Конденсаторы
-20%

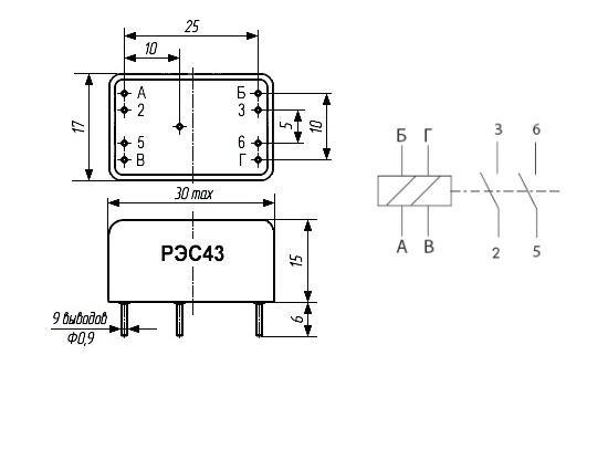
РЭС43 РС4.569.202 2 замык. 27VDC Реле, КЩ0.450.014 ТУ (арт. KT-3435)

Реле РЭС43 РС4.569.202 электромагнитное слаботочное, неполяризованное, герконовое, двухпозиционное, одностабильное, с двумя замыкающими контактами. Предназначено для коммутации электрических цепей постоянного и переменного тока частотой до 10000 Гц. Используются для работы в составе электронных схем управления коммутацией в оборудовании общего и  специального назначения. Расшифровка условного обозначения РЭС43 РС4.569.202: РЭС - реле электромагнитное неполяризованное слаботочное низкочастотное; 43 - порядковый номер разработки; РС4.569.202 - исполнение (паспорт) реле в зависимости от электрических параметров, режимов коммутации и конструктивных особенностей. Вся дополнительная информация находится во вложении на товар, см. pdf-файл.

Подробнее
Заметили
ошибку ?
Сообщите нам

Общая информация

Наименование РЭС43 РС4.569.202 2 замык. 27VDC Реле, КЩ0.450.014 ТУ
Торговая марка ОАО «Реле», Стародуб
Страна изготовления СССР
Вид приемки i "1"- ОТК
Масса изделия, гр 12,64
Транслитерация res43-rs4.569.202-2-zamyk.-27vdc-rele
Наличие паспорта - этикетки нет
Состояние упаковки самоупаковка

Основные характеристики

Функциональная группа электромагнитное слаботочное
Функциональный тип реле герконовое
Исполнение РС4.569.202
Длина выводов 5 mm
Габаритные размеры L*W*H 30х17х21 mm
Материал корпуса пластмасса
Покрытие корпуса без покрытия
Длина корпуса 30 mm
Ширина корпуса 17 mm
Высота корпуса 14 mm

Технические характеристики

Номинальное напряжение 27 V
Сопротивление обмоток 1200±180 Ω; 2400±360 Ω; 600±90 Ω
Напряжение срабатывания 6,5 - 14 V
Напряжение отпускания 1,2 - 2,5 V
Время срабатывания 1,3 ms

Условия эксплуатации

Интервал рабочих температур от -60 до +85°C
Климатическое исполнениеi УХЛ
Относительная влажность 98% при температуре +35°С
Атмосферное давление от 1,3х10-4 до 2,13х105
Минимальный срок сохраняемости, лет 25

Оставить отзыв

Оценка:
              
Преимущества *
Недостатки *
Комментарий *
Ваше Имя *
Эл. почта *
Введите текст с картинки:
* Поля для обязательного заполнения
Отзыв будет опубликован после проверки модератором
Принимаем заказы на товары,
не вошедшие в каталог

Пришлите маркировку необходимого вам товара.
Мы предоставим Вам наилучшие условия по поставке!

Оформить заявку

Похожие товары

Артикул (ID): ZU-1384
TRR2A05S00D-R TTI Реле
  • 427.26 1 шт.
Артикул (ID): BV-5799
РЭС55А РС4.569.600-0302 1 перекл. 5VDC(Вольт) Реле, РС0.456.011 ТУ
  • 203 1 шт.
Артикул (ID): ZU-1383
TRR2A05D00-R TTI Реле
  • 228.78 1 шт.
  • 228.78 от 10 шт.
Артикул (ID): BV-4350
РЭС55А РС4.569.600-0101 1 перекл. 12,6VDC(Вольт) Реле, "5", РС0.456.011 ТУ
  • 203 1 шт.
  • 175 от 5 шт.
Артикул (ID): BV-4342
РЭС55А РС4.569.600-0401 1 перекл. 3VDC(Вольт) Реле, РС0.456.011 ТУ
  • 203 1 шт.
  • 175 от 5 шт.
Артикул (ID): BV-4340
РЭС55А РС4.569.600-0001 1 перекл. 27VDC(Вольт) Реле, РС0.456.011 ТУ.
  • 203 1 шт.
  • 175 от 5 шт.
Артикул (ID): BV-4337
РЭС55А РС4.569.600-0901 1 перекл. 3VDC(Вольт) Реле, РС0.456.011 ТУ
  • 203 1 шт.
  • 175 от 5 шт.
Артикул (ID): BV-4329
РЭС55А РС4.569.600-0301 1 перекл. 5VDC(Вольт) Реле, РС0.456.011 ТУ.
  • 203 1 шт.
  • 175 от 5 шт.
Артикул (ID): BV-4328
РЭС55Б РС4.569.625-0401 1 перекл. 3VDC(Вольт) Реле, РС0.456.011ТУ
  • 203 1 шт.
  • 175 от 5 шт.
Артикул (ID): ZU-1382
TRR1A24D00-R TTI Реле
  • 195.35 1 шт.
  • 195.35 от 10 шт.
Артикул (ID): ZU-1379
TRR1A05D00-R TTI Реле
  • 190.98 1 шт.
  • 190.98 от 10 шт.
Артикул (ID): KT-364
TRR1A12D00-R TTI Реле.
  • 213 1 шт.
Артикул (ID): ZA-3447
РЭС55А РС4.569.600-17.01 1 перекл. 3VDC(Вольт) Реле, РС0.456.011ТУ
  • 158.12 1 шт.
  • 158.12 от 10 шт.
Артикул (ID): TB-6604
РЭС55А РС4.569.600-08.01 1 перекл. 5VDC(Вольт) Реле, РС0.456.011ТУ
  • 203 1 шт.
Артикул (ID): KT-3485
РЭС55А РС4.569.600-0201 1 перекл. 6VDC(Вольт) Реле, "5" РС0.456.011 ТУ
  • 266 1 шт.

Недавно просмотренные товары

Принимаем к оплате
IP Electron в соцсетях