74 083 товаров в наличии и на заказ

Электронные компоненты и расходные материалы

$
Настройка отображения валюты
Полный каталог
Скидка на Конденсаторы
-20%

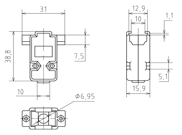
DSUB PLASTIC CASE (DP-9C) Корпус. (арт. SN-6482)

Корпус DP-9C  для разъемов D-SUB (кожух) с короткими винтами под отвертку.  На 9 контактов и для разъемов на 15 контактов высокой плотности (3х рядных). Совместим со следующими разъемами: DHS-15,DB-9.. Корпуса для разъёмов D-SUB разделяются : DP - комплектуются винтами, которые закручиваются отверткой в ответную часть (головку 6-тигранного винта с внутренней дюймовой резьбой) DPT - комплектуются удлиненными винтами, которые закручиваются рукой в ответную часть DN, DNT - корпуса с декоративным металлическим напылением DF - корпуса на разъём под шлейф).  Вся дополнительная информация находится во вложении на товар, см. pdf - файл.

Подробнее
Заметили
ошибку ?
Сообщите нам

Общая информация

Наименование DSUB PLASTIC CASE (DP-9C) Корпус.
Торговая марка RUICHI
Страна происхождения КИТАЙ
Масса изделия, гр 10
Вид упаковки полиэт. пакет
Состояние упаковки заводская
Кратность упаковки 20
Наличие паспорта - этикетки нет
Дата изготовленияi дата не указана

Основные параметры

Функциональная группа разъемы D-SUB
Функциональный тип соединитель
Серия низкочастотных соединителей DP
Рабочее положение любое
Метод монтажа вставка кабеля
Количество выводов или контактов 9/15
Габаритные размеры L*W*H 39.6х31х15,5 mm
Длина корпуса 31 mm
Ширина корпуса 15,5 mm
Высота корпуса 39,6 mm
Материал корпуса ABS
Фактическая маркировка отсутствует
Цвет изделия серый

Условия эксплуатации

Интервал рабочих температур от -55 до +105°C
Срок отгрузки со склада 1 день (в наличии)

Оставить отзыв

Оценка:
              
Преимущества *
Недостатки *
Комментарий *
Ваше Имя *
Эл. почта *
Введите текст с картинки:
* Поля для обязательного заполнения
Отзыв будет опубликован после проверки модератором
Принимаем заказы на товары,
не вошедшие в каталог

Пришлите маркировку необходимого вам товара.
Мы предоставим Вам наилучшие условия по поставке!

Оформить заявку

Похожие товары

Артикул (ID): ZM-8914
SCR-10 Винт шестигранный
  • 10.04 1 шт.
  • 10.04 от 10 шт.
  • 10.04 от 100 шт.
Артикул (ID): TT-05163
DP-37C (DS1045-37) разъем корпус DS1033-37M (DB-37) разъем CONNFLY
  • 27.86 1 шт.
Артикул (ID): TT-05162
DP-25C (DS1045-25) разъем корпус DS1033-25M (DB-25) разъем CONNFLY
  • 19.41 1 шт.
Артикул (ID): TT-05161
DP-15C (KLS1-DB-15P-SG) разъем корпус KLS
  • 11.03 1 шт.
Артикул (ID): TT-05160
DP-15C (DS1045-15AP1S1-A) разъем корпус DS1033-15M (DB-15) разъем CONNFLY
  • 15.65 1 шт.
Артикул (ID): TT-05159
DP- 9C (L-KLS1-DB-09P-S-G) разъем корпус KLS
  • 10.44 1 шт.
Артикул (ID): TT-05158
DP- 9C (DS1045-09) разъем корпус DS1033-09M (DB-9) разъем CONNFLY
  • 12.3 1 шт.
Артикул (ID): TT-05157
DC-M (T-DS1036-01-PC000), Контакты CONNFLY
  • 1.97 1 шт.
Артикул (ID): TT-05156
DC-M (L-KLS1-176A-MT), Контакты KLS
  • 1.65 1 шт.
Артикул (ID): TT-05155
DC-9M (L-KLS1-176A-09-M-B) разъем вилка D-SUB KLS
  • 17 1 шт.
Артикул (ID): TT-05154
DC-9F (L-KLS1-176A-09-F-B) разъем розетка D-SUB KLS
  • 16.56 1 шт.
Артикул (ID): TT-05153
DC-25M (L-KLS1-176A-25-M-B) разъем вилка под обжим на кабель 25контактов KLS
  • 23.13 1 шт.
Артикул (ID): TT-05152
DB-37M (DS1033-37M) разъем вилка папа 37контактов CONNFLY
  • 39.02 1 шт.
Артикул (ID): TT-05151
DB-37F (FDS1033-37F) разъем розетка мама 37контактов CONNFLY
  • 45.62 1 шт.
Артикул (ID): TT-05150
DB-25M (KLS1-213-25-M-B) разъем вилка папа 25контактов KLS
  • 17.69 1 шт.

Недавно просмотренные товары

Принимаем к оплате
IP Electron в соцсетях