74 579 товаров в наличии и на заказ

Электронные компоненты и расходные материалы

$
Настройка отображения валюты
Полный каталог
Скидка на Конденсаторы
-20%

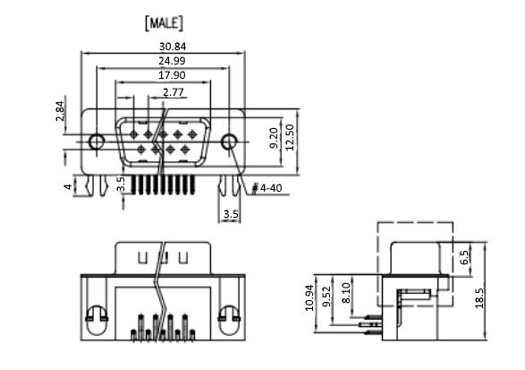
DRB-9MA Вилка на плату (арт. TN-2518)

Разъём серии DRB-9МА Вилка, состоит из контактной колодки со штыревыми контактами в два ряда причем количество контактов в первом ряду на один больше, чем во втором. Контакты защищены металлическим кожухом, напоминающим по форме букву D, благодаря чему исключается возможность неправильного соединения. Разъемы широко применяются во многих интерфейсах для передачи данных, а также для подключения питания к различным устройствам. Разъём DRB-9МА на плату монтируются при помощи пайки под углом 90 градусов. Вся дополнительная информация находится во вложении на товар, см. pdf-файл.

Подробнее
Заметили
ошибку ?
Сообщите нам

Общая информация

Наименование DRB-9MA Вилка на плату
Торговая марка No name China
Страна происхождения ТАЙВАНЬ (КИТАЙ)
Масса изделия, гр 11
Состояние упаковки самоупаковка
Наличие паспорта - этикетки нет
Транслитерация drb-9ma-vilka-na-platu
Дата изготовленияi дата не указана

Основные параметры

Функциональная группа Разъём прямоугольный малогабаритный
Функциональный тип разъем D-SUB
Типономинал / Типоконструкция вилка на плату
Конструктивные особенности тип А (расстояние от прямоугольного торца до первой линии выводов на плату - 7,2 mm)
Рабочее положение горизонтальное
Метод монтажа на плату
Метод сочленения врубной
Взаимосочленение кабельная розетка DB-9F
Тип контакта круглый
Диаметр контактов 1 mm
Количество рядов контактов два
Количество выводов или контактов 9
Конструкция выводов, контактов угловые
Материал выводов, контактов фосфористая бронза
Покрытие выводов или контактов олово
Длина выводов 4,2 mm
Габаритные размеры L*W*H 31х16х18 mm
Длина корпуса 31 mm
Ширина корпуса 16 mm
Высота корпуса 18 mm
Материал корпуса металл
Покрытие корпуса сталь, покрытая цинком
Материал вставки (изолятора) полистирол, усиленный стекловолокном
Цвет вставки(изолятора) черный
Фактическая маркировка отсутствует
Цвет изделия черный

Технические характеристики

Предельное напряжение 1000 V (1 мин)
Предельный ток 5 A
Сопротивление изоляции 1000 MΩ
Сопротивление контактов не более 0,003 Ω

Условия эксплуатации

Интервал рабочих температур от -55 до +105°C
Срок отгрузки со склада 1 день (в наличии)
Загрузка...
Принимаем заказы на товары,
не вошедшие в каталог

Пришлите маркировку необходимого вам товара.
Мы предоставим Вам наилучшие условия по поставке!

Оформить заявку

Похожие товары

Артикул (ID): TN-3307
DRB-37FA Розетка
  • 63 1 шт.
  • 58 от 10 шт.
Артикул (ID): OP-1234
DRB-09FA Розетка
  • 20 1 шт.
  • 18 от 10 шт.
Артикул (ID): TN-4680
DRB-25MA Вилка на плату
  • 46 1 шт.
  • 43 от 10 шт.
Артикул (ID): TT-05153
DC-25M (L-KLS1-176A-25-M-B) разъем вилка под обжим на кабель 25контактов KLS
  • 23.97 1 шт.
Артикул (ID): TT-05154
DC-9F (L-KLS1-176A-09-F-B) разъем розетка D-SUB KLS
  • 17.16 1 шт.
Артикул (ID): TT-05155
DC-9M (L-KLS1-176A-09-M-B) разъем вилка D-SUB KLS
  • 17.63 1 шт.
Артикул (ID): TT-05156
DC-M (L-KLS1-176A-MT), Контакты KLS
  • 1.71 1 шт.
Артикул (ID): TT-05157
DC-M (T-DS1036-01-PC000), Контакты CONNFLY
  • 2.04 1 шт.
Артикул (ID): TT-05158
DP- 9C (DS1045-09) разъем корпус DS1033-09M (DB-9) разъем CONNFLY
  • 12.75 1 шт.
Артикул (ID): TT-05159
DP- 9C (L-KLS1-DB-09P-S-G) разъем корпус KLS
  • 10.82 1 шт.
Артикул (ID): TT-05160
DP-15C (DS1045-15AP1S1-A) разъем корпус DS1033-15M (DB-15) разъем CONNFLY
  • 16.22 1 шт.
Артикул (ID): TT-05161
DP-15C (KLS1-DB-15P-SG) разъем корпус KLS
  • 11.42 1 шт.
Артикул (ID): TT-05162
DP-25C (DS1045-25) разъем корпус DS1033-25M (DB-25) разъем CONNFLY
  • 20.12 1 шт.
Артикул (ID): TT-05163
DP-37C (DS1045-37) разъем корпус DS1033-37M (DB-37) разъем CONNFLY
  • 28.88 1 шт.
Артикул (ID): ZM-8914
SCR-10 Винт шестигранный
  • 10.04 1 шт.
  • 10.04 от 10 шт.
  • 10.04 от 100 шт.

Недавно просмотренные товары

Принимаем к оплате
IP Electron в соцсетях