74 132 товаров в наличии и на заказ

Электронные компоненты и расходные материалы

$
Настройка отображения валюты
Полный каталог
Скидка на Конденсаторы
-20%

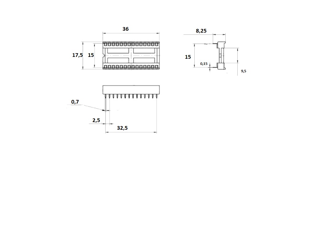
РС-341-28-3Н Панель для микросхем (арт. KT-822)

Розетки соединительные РС341 предназначены для установки и подключения интегральных схем в электронную аппаратуру, предназначенную для работы в электрических цепях постоянного и переменного тока с частотой до 10 МГц. Максимальное рабочее напряжение постоянного тока или амплитудное значение напряжения переменного тока при нормальном атмосферном давлении составляет 100 В, а при пониженном - 50 В. Расшифровка условного обозначения РС341-28-3Н: РС-тип соединителя (розетка соединительная),341-порядковый номер разработки,28-контактов,3-расстояние между рядами контактов 15 мм, Н-низкопрофильная. Вся дополнительная информация находится во вложении на товар, см. pdf-файл.

Подробнее
Заметили
ошибку ?
Сообщите нам

Общая информация

Наименование РС-341-28-3Н Панель для микросхем
Торговая марка Каменск-Уральский завод «Исеть», г. Каменск-Уральский
Страна происхождения РОССИЯ
ТУ АГО.364.007 ТУ
Вид приемки i "5"- ВП, ПЗ
Масса изделия, гр 3,47
Дата выпуска 2008
Наличие паспорта - этикетки этикетка
Транслитерация rs-341-28-3n-panel-dlya-mikroshem
Состояние упаковки самоупаковка
Кратность упаковки 3
Кратность отгрузки 1

Основные параметры

Функциональная группа Прямоугольные
Функциональный тип для интегральных схем
Количество выводов или контактов 28
Количество рядов контактов два
Тип кожуха или патрубка без кожуха
Метод монтажа THT (выводной)
Рабочее положение любое
Фактическая маркировка РС341-28-3Н
Цвет изделия синий
Габаритные размеры L*W*H 36х17,5х8,3 mm
Высота корпуса 5,25 mm
Длина корпуса 36 mm
Ширина корпуса 17,5 mm
Материал выводов, контактов (Ni) никель
Покрытие выводов или контактов Au (золото)
Конструкция выводов, контактов пластинчатые
Длина выводов 3 mm
Материал корпуса пластмасса
Минимальная наработка 10 000 час.
Ресурс 200 сочленений-расчленений
Минимальный срок сохраняемости, лет 25

Технические характеристики

Диапазон рабочих частот 1 - 80 Hz
Сопротивление изоляции не более 100000 Ω
Сопротивление контактов не более не более 0,02 Ω
Номинальное напряжение 100 V
Рабочий ток на контакт - 0,5 А

Условия эксплуатации

Интервал рабочих температур от -60 до +125°C
Относительная влажность 98% при температуре +35°С
Атмосферное давление до 5мм рт.ст.
Климатическое исполнениеi В
Срок отгрузки со склада 1 день (в наличии)

Оставить отзыв

Оценка:
              
Преимущества *
Недостатки *
Комментарий *
Ваше Имя *
Эл. почта *
Введите текст с картинки:
* Поля для обязательного заполнения
Отзыв будет опубликован после проверки модератором
Принимаем заказы на товары,
не вошедшие в каталог

Пришлите маркировку необходимого вам товара.
Мы предоставим Вам наилучшие условия по поставке!

Оформить заявку

Похожие товары

Артикул (ID): CC-12536
Держатель для микросхемы KLS1-108-32-D=15,24 шаг 2.54мм
  • 105.56 1 шт.
Артикул (ID): CC-12223
Панель для микросхем SCL-24 (KLS1-216-24-D) 15,24mm
  • 2.82 1 шт.
Артикул (ID): ZA-8131
SCSM-28 TRS-28 Панель для микросхем
  • 35.13 1 шт.
  • 35.13 от 10 шт.
  • 35.13 от 100 шт.
Артикул (ID): ZA-8130
SCSM-20 TRS-20 Панель для микросхем
  • 21.65 1 шт.
  • 21.65 от 10 шт.
  • 21.65 от 100 шт.
Артикул (ID): ZA-8129
SCSM-18 TRS-18 Панель для микросхем
  • 20.82 1 шт.
  • 20.82 от 10 шт.
  • 20.82 от 100 шт.
Артикул (ID): ZA-8128
SCSM-16 TRS-16 Панель для микросхем
  • 19.79 1 шт.
  • 19.79 от 10 шт.
  • 19.79 от 100 шт.
Артикул (ID): ZA-8122
SCS-28 Панель для микросхем
  • 7.5 1 шт.
  • 7.5 от 10 шт.
  • 7.5 от 100 шт.
Артикул (ID): ZA-8118
SCS-14 Панель для микросхем
  • 3.45 1 шт.
  • 3.45 от 10 шт.
  • 3.45 от 100 шт.
Артикул (ID): ZA-8116
SCLM-28 TRL-28 Панель для микросхем
  • 31.14 1 шт.
  • 31.14 от 10 шт.
  • 31.14 от 100 шт.
Артикул (ID): ZA-8115
SCL-40 Панель для микросхем
  • 10.11 1 шт.
  • 10.11 от 10 шт.
  • 10.11 от 100 шт.
Артикул (ID): BV-9581
SCSM-28 TRS-28 Панель для микросхем, RUICHI
  • 37 1 шт.
Артикул (ID): CC-12101
Колодка TP58X (с клипсами)
  • 58.03 1 шт.
Артикул (ID): CC-12100
Колодка для микросхемы ICSS-56
  • 26.09 1 шт.
Артикул (ID): ZE-9217
SCLM-40 TRL-40 Панель для микросхем
  • 44.91 1 шт.
  • 44.91 от 10 шт.
  • 44.91 от 100 шт.
Артикул (ID): CC-11994
Панель для микросхем KLS1-216-40-D=15.24 (SCL-40)
  • 8.26 1 шт.

Недавно просмотренные товары

Принимаем к оплате
IP Electron в соцсетях