74 083 товаров в наличии и на заказ

Электронные компоненты и расходные материалы

$
Настройка отображения валюты
Полный каталог
Скидка на Конденсаторы
-20%

ГРПМ2-90ШПЛ2-В Вилка карболит, врубная (арт. KP-9058)

АО завод «Айнур», Бишкек; 250 V; 3 A; объемный монтаж; " 5" - ВП, ПЗ; П - прямой хвостовик; Ке0.364.002ТУ

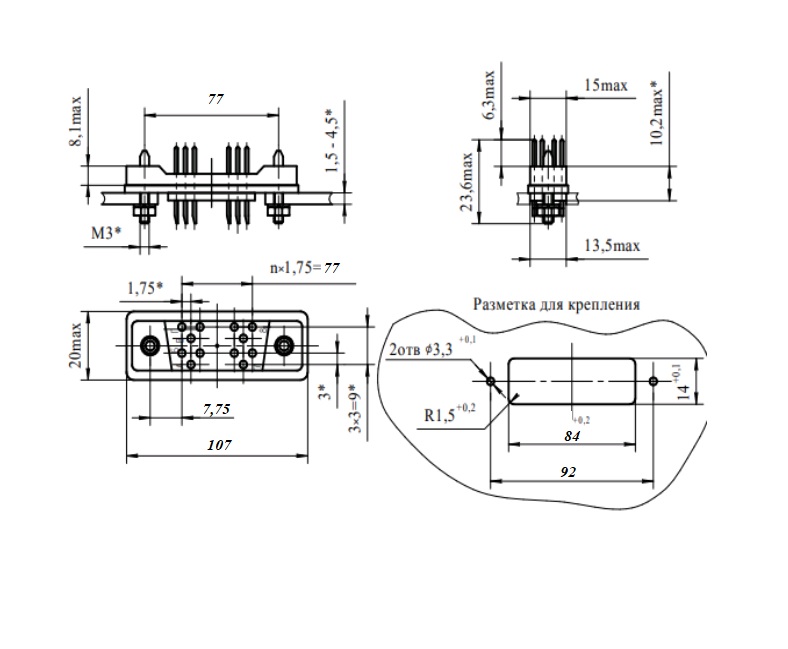
ГРПМ2-90ШПЛ2-В Вилка - соединитель электрический низкочастотный прямоугольный малогабаритный с гиперболоидными контактами врубного сочленения. Структура условного обозначения: ГРПМ - соединитель прямоугольный малогабаритный гиперболоидными контактами; 2 – номер разработки; 90 – количество контактов; Ш – тип контакта (штыревой); ПЛ – конструктивное исполнение: плавающее; 2 – покрытие контактов (Ag – серебро); В – всеклиматическое исполнение по ГОСТ РВ 20.39.414.1. Соединители предназначены для работы в электрических цепях постоянного, переменного (частотой до 3 МГц) и импульсного токов при напряжении до 250 В (амплитудное значение) и силе тока до 3 А. Применяются для соединения и разъединения электрических цепей в узлах и блоках электронной аппаратуры общего и специального назначения. Вся дополнительная информация находится во вложении на товар, см. pdf – файл.

Подробнее
Заметили
ошибку ?
Сообщите нам

Общая информация

Наименование ГРПМ2-90ШПЛ2-В Вилка карболит, врубная
Код ТНВЭД 8536508008
Торговая марка АО завод «Айнур», Бишкек
Страна изготовления СССР
Нормы и требования Ке0.364.002ТУ
Дата изготовленияi 1976-1991
Вид приемки i "5"- ВП, ПЗ
Масса изделия, гр 38
Состояние упаковки самоупаковка
Транслитерация GRPM2-90ShPl2-V Carbolite fork, plug-in
Наличие паспорта - этикетки нет

Основные параметры

Функциональная группа соединители
Функциональный тип прямоугольные низкочастотные
Серия прямоугольных соединителей ГРПМ2
Типономинал / Типоконструкция вилка
Количество контактов 90
Диаметр контактов 1 mm
Материал контактов латунь
Покрытие контактов Ag (серебро)
Вид контактов круглые
Тип контактов штырь
Шаг между рядами контактов 2,3 mm
Шаг контактов в ряду 2,7 mm
Количество рядов контактов 4
Наличие замка для фиксации нет замка
Наличие ловителей есть
Материал изолятора карболит
Цвет изолятора коричневый
Типоразмер изолятора 2
Габаритные размеры L*W*H 107х20х23 mm
Длина изолятора 107 mm
Ширина изолятора 20 mm
Высота изолятора 10 mm
Конструктивное исполнение хвостовика П - прямой хвостовик
Метод монтажа механический объемный монтаж
Метод монтажа электрический пайка
Установочные размеры 68 mm расстояние между монтажными отверстиями
Диаметр установочного отверстия 3,2 mm
Метод сочленения врубной
Наличие ориентации П - прямой, для печатного монтажа
Дополнительные характеристики плавающие контакты
Фактическая маркировка ГРПМ2-90ШПл2-В

Технические характеристики

Рабочее напряжение, max 250 V
Рабочий ток, max 3 A
Сопротивление контактов не более 5 mΩ
Сопротивление изоляции 5000 MΩ
- диапазон частот 1-2500 Hz
- амплитуда ускорения 15 g
Электрическая прочность изоляции 1200 V

Условия эксплуатации

Интервал рабочих температур от -60 до +85°C
Климатическое исполнениеi В - всеклиматическое исполнение
Относительная влажность 98% при температуре +35°С
Ресурс 1000 сочленений-расчленений
Минимальная наработка 5 000 час.
Макс. срок хранения 25 лет
Загрузка...
Принимаем заказы на товары,
не вошедшие в каталог

Пришлите маркировку необходимого вам товара.
Мы предоставим Вам наилучшие условия по поставке!

Оформить заявку

Похожие товары

Артикул (ID): BV-6378
Уценка ГРПМ1-61ГП2-В Розетка карболит, врубная, ЦСНК.430421.025ТУ
  • 486 1 шт.
Артикул (ID): KK-15792
ГРППМ5-35Ш2-В|карб.|5|2004||
  • 68 1 шт.
Артикул (ID): BV-4831
Уценка ГРПМШ1-61ГО2-В Розетка карболит, врубная, НЩ0.364.006ТУ
  • 91 1 шт.
Артикул (ID): KK-15664
ГРПМШ1-45ШУ2-В|карб.|5|2012|Нерусса г.Трубчевск|копия пасп.
  • 193.8 1 шт.
Артикул (ID): BV-2636
ГРПМ1-61ГП2-В Розетка карболит, врубная, ЦСНК.430421.025ТУ
  • 540 1 шт.
Артикул (ID): CC-07281
Разъём ГРПМШ1-61-ГО2-В розетка
  • 86.75 1 шт.
Артикул (ID): TF-1039
Уценка ГРПМШ2-62ШО2-В Вилка карболит, врубная, бР0.364.091ТУ
  • 90 1 шт.
  • 84 от 10 шт.
Артикул (ID): TB-9724
Уценка ГРПМШ1-45ШУ2-В Вилка карболит, врубная, НЩ0.364.006ТУ
  • 81 1 шт.
Артикул (ID): TB-8426
ГРПМШ1-31ГО2-В Розетка карболит, врубная. НЩ0.364.006ТУ
  • 261 1 шт.
  • 248 от 5 шт.
Артикул (ID): KK-11565
ГРПП3-46ШП-В|карб.|5|1990|Лтава|
  • 1955 1 шт.
Артикул (ID): KK-11563
ГРПМШ1-45ГО2-В|карб.|5|2015|з-д"Снежеть"|
  • 204 1 шт.
Артикул (ID): KK-03964
ГРППМ6-57Ш2-В|карб.||1991|Лтава|з/уп
  • 47.6 1 шт.
Артикул (ID): KK-01236
ГРППМ10-90Ш2-В|карб.|5|1990|Лтава|
  • 136 1 шт.
Артикул (ID): KK-01232
ГРППМ10-64ШБ2-В|карб.|5|1990|Лтава|
  • 153 1 шт.
Артикул (ID): KK-01231
ГРППМ10-64ШБ2-В|карб.|5|1985|Лтава|
  • 102 1 шт.

Недавно просмотренные товары

Принимаем к оплате
IP Electron в соцсетях