74 132 товаров в наличии и на заказ

Электронные компоненты и расходные материалы

$
Настройка отображения валюты
Полный каталог
Скидка на Конденсаторы
-20%

МРН4-1 Вилка карболитовый корпус (арт. TP-4887)

АО завод «Айнур», Бишкек; 400 V; 1 A; " 1" - ОТК; БРО.364.029ТУ

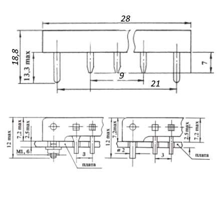
МРН4-1 Вилка, карболит - низкочастотный прямоугольный соединитель печатного монтажа. Структура условного обозначения: МРН – тип соединителя (малогабаритный разъем малочастотный); 4 – количество контактов; 1 – тип монтажа (для вилок – печатный монтаж). Предназначен для работы в низкочастотных цепях постоянного, переменного (частотой до 3МГц) и импульсного токов с частотой до 3МГц. Вся дополнительная информация находится во вложении на товар, см. pdf - файл.

Подробнее
Заметили
ошибку ?
Сообщите нам

Общая информация

Наименование МРН4-1 Вилка карболитовый корпус
Код ТНВЭД 8536508008
Торговая марка АО завод «Айнур», Бишкек
Страна изготовления СССР
Нормы и требования БРО.364.029ТУ
Дата изготовленияi 1976-1991
Вид приемки i "1"- ОТК
Масса изделия, гр 2,15
Состояние упаковки самоупаковка
Транслитерация MRN4-1 Fork carbolite body
Наличие паспорта - этикетки нет

Основные параметры

Функциональная группа соединители
Функциональный тип прямоугольные низкочастотные
Серия прямоугольных соединителей МРН
Типономинал / Типоконструкция вилка
Фактическая маркировка МРН4-1
Количество контактов 4
Вид контактов ножевые
Размер контактов 0,6х1,5 mm
Материал контактов латунь
Покрытие контактов Ag (серебро)
Шаг контактов в ряду 3,0 mm
Количество рядов контактов 1
Материал изолятора карболит
Цвет изолятора коричневый
Длина изолятора 28 mm
Ширина изолятора 7,1 mm
Высота изолятора 7,6 mm
Габаритные размеры L*W*H 28х11,5х18,7 mm
Метод монтажа механический в плату
Метод монтажа электрический пайка
Установочные размеры 21 mm расстояние между монтажными отверстиями
Диаметр установочного отверстия 1,7 mm
Метод сочленения врубной
Фактическая маркировка МРН4-1
Рабочее положение любое

Технические характеристики

Рабочее напряжение, max 400 V
Рабочий ток, max 1 A
Сопротивление контактов не более 10 mΩ
Сопротивление изоляции 10000 MΩ
- диапазон частот 1-5000 Hz
- амплитуда ускорения 40 g
Электрическая прочность изоляции 500 V

Условия эксплуатации

Интервал рабочих температур от -60 до +125°C
Климатическое исполнениеi УХЛ
Относительная влажность 98% при температуре +35°С
Минимальная наработка 5 000 час.
Ресурс 500 циклов
Макс. срок хранения 12 лет

Полные аналоги

МРН4-1 Вилка карболитовый корпус., фото
Артикул (ID): ZA-1837
МРН4-1 Вилка карболитовый корпус.
  • 14.52 1 шт.
МРН4-1 Вилка карболит Айнур, фото
МРН4-1 Вилка карболит Айнур
МРН4-1 Вилка карболит АНАР, фото
МРН4-1 Вилка карболит АНАР

Функциональные аналоги

МРН4-1 Вилка пластмасса Айнур, фото
МРН4-1 Вилка пластмасса Айнур
МРН4-1 Вилка пластмасса АНАР, фото
МРН4-1 Вилка пластмасса АНАР

Оставить отзыв

Оценка:
              
Преимущества *
Недостатки *
Комментарий *
Ваше Имя *
Эл. почта *
Введите текст с картинки:
* Поля для обязательного заполнения
Отзыв будет опубликован после проверки модератором
Принимаем заказы на товары,
не вошедшие в каталог

Пришлите маркировку необходимого вам товара.
Мы предоставим Вам наилучшие условия по поставке!

Оформить заявку

Похожие товары

Артикул (ID): CC-12268
Разъём МРН14-1 розетка
  • 9.12 1 шт.
Артикул (ID): CC-07398
Разъём МРН32-1 розетка
  • 47.02 1 шт.
Артикул (ID): TB-7961
МРН22-1 Розетка, карболитовый корпус, БРО.364.026ТУ.
  • 135 1 шт.
Артикул (ID): TB-7958
МРН22-1 Розетка, карболитовый корпус, БРО.364.026ТУ
  • 135 1 шт.
Артикул (ID): TB-7955
МРН44-1 Вилка карболитовый корпус, БРО.364.029 ТУ.
  • 95 1 шт.
Артикул (ID): KT-3961
МРН14-1 Вилка карболитовый корпус, БРО.364.026ТУ
  • 68 1 шт.
Артикул (ID): KT-330
МРН22-2 Розетка пластмассовый корпус,
  • 77 1 шт.
Артикул (ID): KP-8950
МРН22-1 Розетка, карболитовый корпус 1988г
Артикул (ID): KP-8948
МРН44-1 Вилка карболитовый корпус..
  • 95 1 шт.
Артикул (ID): KP-8880
МРН32-1 Вилка пластиковый корпус
  • 86 1 шт.
  • 81 от 5 шт.
Артикул (ID): ZA-1839
МРН44-1К Вилка пластмассовый корпус.
  • 14.28 1 шт.
  • 14.28 от 10 шт.
Артикул (ID): ZA-1834
МРН22-1 Розетка карболитовый корпус
Артикул (ID): ZA-1833
МРН22-1 Вилка пластмассовый корпус.
Артикул (ID): ZA-1841
МРН44-3 Розетка карболитовый корпус.
Артикул (ID): OP-1176
МРН22-4 Розетка карболитовый корпус, "5"

Недавно просмотренные товары

Принимаем к оплате
IP Electron в соцсетях