73 975 товаров в наличии и на заказ

Электронные компоненты и расходные материалы

$
Настройка отображения валюты
Полный каталог
Скидка на Конденсаторы
-20%

РП14-16 Вилка, карболит (вар.2) "5" (арт. TP-8170)

ОАО «Карачевский завод «Электродеталь»; ЕСЗ.656.015ТУ; 800 V; 5 A; " 5" - ВП, ПЗ; нет кожуха; -

РП14-16 Вилка - электрический низкочастотный прямоугольный соединитель. Структура условного обозначения: РП - тип соединителя: ручного сочленения (расчленения; 14 - порядковый номер разработки; 16 - количество контактов; покрытие контактов серебром (отсутствие цифры); отсутствие буквы В - климатическое исполнение УХЛ. Соединитель предназначен для работы в цепях постоянного, переменного (с частотой до 3 МГц) и импульсного токов. Соединители РП14 предназначены для внутреннего монтажа. Контакты вилок и розеток плавающие. Подсоединение проводов к хвостовикам контактов методом пайки. Вся дополнительная информация находится во вложении на товар, см. pdf – файл.

Подробнее
Заметили
ошибку ?
Сообщите нам

Общая информация

Наименование РП14-16 Вилка, карболит (вар.2) "5"
Код ТНВЭД 8536508008
Торговая марка ОАО «Карачевский завод «Электродеталь»
Страна изготовления СССР
Нормы и требования ЕСЗ.656.015ТУ
Дата изготовленияi 1976-1991
Вид приемки i "5"- ВП, ПЗ
Масса изделия, гр 18
Вид упаковки полиэт. пакет (1шт)
Состояние упаковки самоупаковка
Транслитерация RP14-16 Fork, carbolite (version 2)
Наличие паспорта - этикетки нет

Основные параметры

Функциональная группа соединители
Функциональный тип прямоугольные низкочастотные
Серия прямоугольных соединителей РП14
Типономинал / Типоконструкция вилка
Фактическая маркировка РП14-16
Количество контактов 16
Вид контактов ножевые
Размер контактов 3,5х0,6 mm
Материал контактов латунь
Покрытие контактов Ag (серебро)
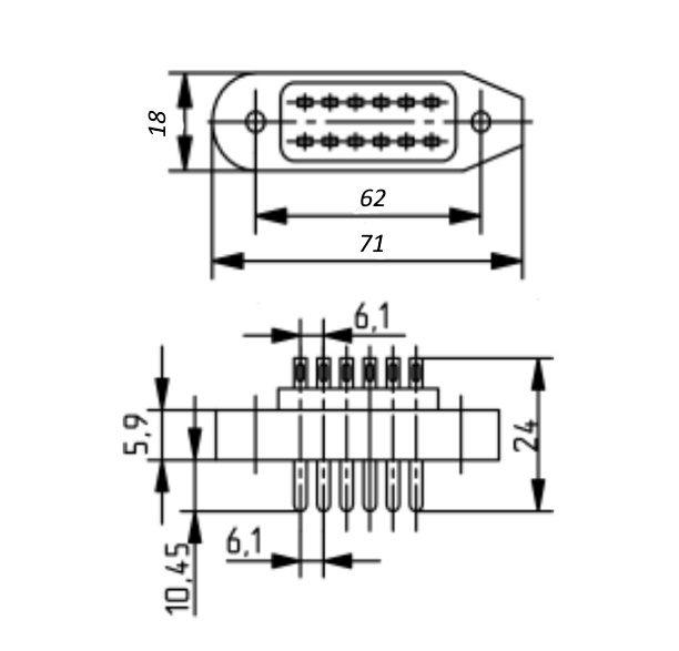
Шаг между рядами контактов 7 mm
Шаг контактов в ряду 6,1 mm
Количество рядов контактов 2
Наличие замка для фиксации нет замка
Наличие ловителей нет ловителей
Наличие кожуха нет кожуха
Вид изолятора вариант II
Материал изолятора карболит
Цвет изолятора коричневый
Длина изолятора 71 mm
Ширина изолятора 18 mm
Высота изолятора 7,1 mm
Габаритные размеры L*W*H 71х18х24 mm
Метод монтажа механический объемный монтаж
Метод монтажа электрический пайка
Установочные размеры 62 mm расстояние между монтажными отверстиями
Диаметр установочного отверстия 4,2 mm
Метод сочленения врубной
Рабочее положение любое

Технические характеристики

Рабочее напряжение, max 800 V
Рабочий ток, max 5 A
Сопротивление контактов не более 30 mΩ
Сопротивление изоляции 5000 MΩ
- диапазон частот 1-3000 Hz
- амплитуда ускорения 40 g
Электрическая прочность изоляции 2550 V

Условия эксплуатации

Интервал рабочих температур от -60 до +100°С
Атмосферное давление от 1х 10⁻¹² Pa до 50,6 10⁴ Pa
Климатическое исполнениеi УХЛ 2.1
Относительная влажность 98% при температуре +35°С
Ресурс 3000 сочленений-расчленений
Минимальная наработка 10 000 час.
Макс. срок хранения 15 лет

Оставить отзыв

Оценка:
              
Преимущества *
Недостатки *
Комментарий *
Ваше Имя *
Эл. почта *
Введите текст с картинки:
* Поля для обязательного заполнения
Отзыв будет опубликован после проверки модератором
Принимаем заказы на товары,
не вошедшие в каталог

Пришлите маркировку необходимого вам товара.
Мы предоставим Вам наилучшие условия по поставке!

Оформить заявку

Похожие товары

Артикул (ID): TN-606
РП14-16Л-В Розетка с ловителем, карболит (вар.2)
  • 135 1 шт.
Артикул (ID): KK-12325
РП 14-30 ЛВ розетка|карб.|5|2013|Электродеталь|щелевые
  • 459 1 шт.
Артикул (ID): TB-9674
РП14-5 ОС Розетка, карболит (вар.1), НЩ0.364.005ТУ
Артикул (ID): TB-9700
Уценка РП14-30 Розетка, карболит, (вар.1), бРО.364.024ТУ
  • 113 1 шт.
Артикул (ID): KK-13315
РП 14А-30 Г3|карб.||1991|Электродеталь|с кож.
  • 1190 1 шт.
Артикул (ID): KK-14742
РП 14А-21 Ш (без кожуха)|карб.||||б/г
  • 119 1 шт.
Артикул (ID): KK-15513
РП 14А-21 Г3-В|карб.||2012|Электродеталь|щелевые,с кож.
  • 748 1 шт.
Артикул (ID): KK-15515
РП 14-30 ЛВ вилка|карб.|5|1991|Электродеталь|щелевые
  • 204 1 шт.
Артикул (ID): KK-15516
РП 14-30 Л розетка|карб.|5|2000|Электродеталь|щелевые
  • 238 1 шт.
Артикул (ID): KK-15518
РП 14-30 Л розетка|карб.|5|2007|Электродеталь|щелев.
  • 238 1 шт.
Артикул (ID): KK-15519
РП 14-30 ЛВ розетка|карб.|5|2008|Электродеталь|щелев.
  • 238 1 шт.
Артикул (ID): KK-15520
РП 14-30 ЛВ розетка|карб.|5|2009|Электродеталь|щелевые
  • 238 1 шт.
Артикул (ID): KK-15517
РП 14-30 Л розетка|карб.|5|2005|Электродеталь|щелев.
  • 238 1 шт.
Артикул (ID): KK-15949
РП 14-30 Л розетка|карб.|5|1986|Электродеталь|щелевые
  • 153 1 шт.

Недавно просмотренные товары

Принимаем к оплате
IP Electron в соцсетях