74 103 товаров в наличии и на заказ

Электронные компоненты и расходные материалы

$
Настройка отображения валюты
Полный каталог
Скидка на Конденсаторы
-20%

РШАГ-14 Розетка карболит врубная, ПЩ0.364.015ТУ (арт. BV-4804)

ОАО «Карачевский завод «Электродеталь»; 600 V; 6 A; " 5" - ВП, ПЗ; -; ПЩ0.364.015ТУ

РШАГ-14 Розетка карболит врубная - электрический низкочастотный прямоугольный соединитель нормальных габаритов для наружного монтажа. Структура условного обозначения: РША – тип соединителя: соединитель штепсельный типа «А»; Г – розетка; 14 - количество контактов; отсутствие буквы В - климатическое исполнение УХЛ по ГОСТ 15150-69. Покрытие контактов: серебро (отсутствие в обозначении буквы «О»). Предназначена для работы в электрических цепях постоянного, переменного (частотой до 3 МГц) и импульсного тока. Вся дополнительная информация находится во вложении на товар, см. pdf - файл.

Подробнее
Заметили
ошибку ?
Сообщите нам

Общая информация

Наименование РШАГ-14 Розетка карболит врубная, ПЩ0.364.015ТУ
Код ТНВЭД 8536508008
Торговая марка ОАО «Карачевский завод «Электродеталь»
Страна изготовления СССР
Нормы и требования ПЩ0.364.015ТУ
Дата изготовленияi 1976-1991
Вид приемки i "5"- ВП, ПЗ
Масса изделия, гр 20
Доупаковка промасленная бумага
Состояние упаковки самоупаковка
Транслитерация RSHAG-14 Socket carbolite cut-in, PSh0.364.015TU
Наличие паспорта - этикетки нет

Основные параметры

Функциональная группа соединители
Функциональный тип прямоугольные низкочастотные
Серия прямоугольных соединителей РШАГ
Типономинал / Типоконструкция розетка
Количество контактов 14
Вид контактов круглые
Размер контактов 1,5х4 mm
Материал контактов латунь
Покрытие контактов Ag (серебро)
Шаг контактов в ряду 5,5 mm
Наличие зажима нет
Наличие кожуха нет кожуха
Материал изолятора карболит
Цвет изолятора коричневый
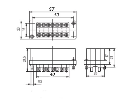
Габаритные размеры L*W*H 57х23х24,5 mm
Длина изолятора 57 mm
Ширина изолятора 23 mm
Высота изолятора 22 mm
Метод монтажа механический на панель
Метод монтажа электрический пайка
Установочные размеры 50 mm расстояние между монтажными отверстиями
Диаметр установочного отверстия 3,5 mm
Метод сочленения врубной
Фактическая маркировка отсутствует

Технические характеристики

Рабочее напряжение, max 600 V
Рабочий ток, max 6 A
Сопротивление контактов не более 10 mΩ
Сопротивление изоляции 5000 MΩ
- диапазон частот 1-200 Hz
- амплитуда ускорения 10 g
Электрическая прочность изоляции 2100 V

Условия эксплуатации

Интервал рабочих температур от -60 до +85°C
Климатическое исполнениеi УХЛ
Относительная влажность 98% при температуре +40°С
Макс. срок хранения 20 лет
Ресурс 1000 сочленений-расчленений
Загрузка...
Принимаем заказы на товары,
не вошедшие в каталог

Пришлите маркировку необходимого вам товара.
Мы предоставим Вам наилучшие условия по поставке!

Оформить заявку

Похожие товары

Артикул (ID): KK-16504
РШАВ КУ-14-1-О-М вилка|пл.||1991|Электродеталь|с кож.,б/загл.,светл.пластик
  • 170 1 шт.
Артикул (ID): BV-4805
РШАГ-20 Розетка пластмасса врубная, ПЩ0.364.015ТУ
  • 77 1 шт.
Артикул (ID): BV-4798
РШАГ-20 Розетка карболит врубная, ПЩ0.364.015ТУ
  • 77 1 шт.
  • 68 от 10 шт.
Артикул (ID): BV-4795
Уценка РШАГКП-20-3 Розетка кабельная карболит врубная, ПЩ0.364.015ТУ
  • 170 1 шт.
Артикул (ID): BV-4772
Уценка РШАГ-20 Розетка карболит врубная, ПЩ0.364.015ТУ
  • 68 1 шт.
Артикул (ID): BV-4771
РШАВКП-14-1 Вилка кабельная карболит врубная, ПЩ0.364.015ТУ
Артикул (ID): KK-15268
РШАВ ПБ-20-О вилка|пл.||1998|Электродеталь|без загл.
  • 459 1 шт.
Артикул (ID): KK-15267
РШАВ ПБ-20-В вилка|карб.||2008|Электродеталь|с загл.
  • 748 1 шт.
Артикул (ID): KK-15266
РШАВ ПБ-20 вилка|карб.|5|1992|Электродеталь|без загл.
  • 612 1 шт.
Артикул (ID): KK-15265
РШАВ ПБ-20 вилка|карб.||1992|Электродеталь|с загл.,пасп.
  • 680 1 шт.
Артикул (ID): KK-15264
РШАВ ПБ-20 вилка|карб.||1991|Электродеталь|"Э",с загл.,з/уп
  • 680 1 шт.
Артикул (ID): KK-15263
РШАВ ПБ-14-В вилка|карб.||2008|Электродеталь|с заглушкой
  • 748 1 шт.
Артикул (ID): KK-15262
РШАВ ПБ-14-В вилка|карб.||2004|Электродеталь|с заглушкой
  • 748 1 шт.
Артикул (ID): KK-15261
РШАВ ПБ-14-В вилка|карб.||1994|Электродеталь|с заглушкой
  • 680 1 шт.
Артикул (ID): KK-15260
РШАВ ПБ-14 вилка|карб.||1992||"Э",с заглушкой
  • 680 1 шт.

Недавно просмотренные товары

Принимаем к оплате
IP Electron в соцсетях