74 132 товаров в наличии и на заказ

Электронные компоненты и расходные материалы

$
Настройка отображения валюты
Полный каталог
Скидка на Конденсаторы
-20%

РШАГКП-20-3 Розетка кабельная карболит врубная. (арт. BN-8232)

ОАО «Карачевский завод «Электродеталь»; 600 V; 6 A; " 1" - ОТК; алюминий; ПЩ0.364.015ТУ

РШАГКП-20-3 Розетка кабельная карболит врубная - электрический низкочастотный прямоугольный соединитель нормальных габаритов для наружного монтажа. Структура условного обозначения: РША – тип соединителя: соединитель штепсельный типа «А»; Г – розетка; КП - кабельная прямая часть; 20 - количество контактов; 3 - количество втулок в корпусе; отсутствие буквы В - климатическое исполнение УХЛ по ГОСТ 15150-69. Покрытие контактов: серебро (отсутствие в обозначении буквы «О»). Предназначена для работы в электрических цепях постоянного, переменного (частотой до 3 МГц) и импульсного тока. Розетка оснащена универсальным металлическим корпусом с замком и имеет прямой выход кабеля. Для фиксации сочлененного положения розетка имеет специальные зажимы. Вся дополнительная информация находится во вложении на товар, см. pdf - файл.

Подробнее
Заметили
ошибку ?
Сообщите нам

Общая информация

Наименование РШАГКП-20-3 Розетка кабельная карболит врубная.
Код ТНВЭД 8536508008
Торговая марка ОАО «Карачевский завод «Электродеталь»
Страна изготовления СССР
Нормы и требования ПЩ0.364.015ТУ
Дата изготовленияi 1976-1991
Вид приемки i "1"- ОТК
Масса изделия, гр 121,12
Вид упаковки полиэт. пакет (1шт)
Состояние упаковки самоупаковка
Транслитерация RSHAGKP-20-3 Carbolite cable socket, plug-in
Наличие паспорта - этикетки нет

Основные параметры

Функциональная группа соединители
Функциональный тип прямоугольные низкочастотные
Серия прямоугольных соединителей РШАГ
Типономинал / Типоконструкция розетка
Количество контактов 20
Вид контактов круглые
Размер контактов 1,5х4 mm
Материал контактов латунь
Покрытие контактов Ag (серебро)
Шаг контактов в ряду 5,5 mm
Наличие зажима нет
Наличие кожуха прямой
Материал кожуха алюминий
Цвет кожуха серый
Количество втулок три
Вид втулок обычная
Материал изолятора карболит
Цвет изолятора коричневый
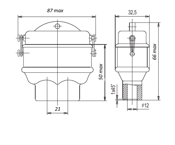
Габаритные размеры L*W*H 87х32,5х55 mm
Длина изолятора 73,5 mm
Ширина изолятора 23 mm
Высота изолятора 22 mm
Метод монтажа механический объемный монтаж
Метод монтажа электрический пайка
Установочные размеры 66,5 mm расстояние между монтажными отверстиями
Диаметр установочного отверстия 3,5 mm
Метод сочленения врубной
Фактическая маркировка отсутствует

Технические характеристики

Рабочее напряжение, max 600 V
Рабочий ток, max 6 A
Сопротивление контактов не более 10 mΩ
Сопротивление изоляции 5000 MΩ
- диапазон частот 1-200 Hz
- амплитуда ускорения 10 g
Электрическая прочность изоляции 2100 V

Условия эксплуатации

Интервал рабочих температур от -60 до +85°C
Климатическое исполнениеi УХЛ 2.1
Относительная влажность 98% при температуре +40°С
Макс. срок хранения 20 лет
Ресурс 1000 сочленений-расчленений

Функциональные аналоги

Возможные аналоги

РШАГКП-20-3-У-О Розетка пластмасса Электродеталь , фото
РШАГКП-20-3-У-О Розетка пластмасса Электродеталь

Оставить отзыв

Оценка:
              
Преимущества *
Недостатки *
Комментарий *
Ваше Имя *
Эл. почта *
Введите текст с картинки:
* Поля для обязательного заполнения
Отзыв будет опубликован после проверки модератором
Принимаем заказы на товары,
не вошедшие в каталог

Пришлите маркировку необходимого вам товара.
Мы предоставим Вам наилучшие условия по поставке!

Оформить заявку

Похожие товары

Артикул (ID): KK-16504
РШАВ КУ-14-1-О-М вилка|пл.||1991|Электродеталь|с кож.,б/загл.,светл.пластик
  • 170 1 шт.
Артикул (ID): BV-4805
РШАГ-20 Розетка пластмасса врубная, ПЩ0.364.015ТУ
  • 77 1 шт.
Артикул (ID): BV-4804
РШАГ-14 Розетка карболит врубная, ПЩ0.364.015ТУ
  • 117 1 шт.
Артикул (ID): BV-4798
РШАГ-20 Розетка карболит врубная, ПЩ0.364.015ТУ
  • 77 1 шт.
  • 68 от 10 шт.
Артикул (ID): BV-4795
Уценка РШАГКП-20-3 Розетка кабельная карболит врубная, ПЩ0.364.015ТУ
  • 170 1 шт.
Артикул (ID): BV-4772
Уценка РШАГ-20 Розетка карболит врубная, ПЩ0.364.015ТУ
  • 68 1 шт.
Артикул (ID): BV-4771
РШАВКП-14-1 Вилка кабельная карболит врубная, ПЩ0.364.015ТУ
Артикул (ID): KK-15268
РШАВ ПБ-20-О вилка|пл.||1998|Электродеталь|без загл.
  • 459 1 шт.
Артикул (ID): KK-15267
РШАВ ПБ-20-В вилка|карб.||2008|Электродеталь|с загл.
  • 748 1 шт.
Артикул (ID): KK-15266
РШАВ ПБ-20 вилка|карб.|5|1992|Электродеталь|без загл.
  • 612 1 шт.
Артикул (ID): KK-15265
РШАВ ПБ-20 вилка|карб.||1992|Электродеталь|с загл.,пасп.
  • 680 1 шт.
Артикул (ID): KK-15264
РШАВ ПБ-20 вилка|карб.||1991|Электродеталь|"Э",с загл.,з/уп
  • 680 1 шт.
Артикул (ID): KK-15263
РШАВ ПБ-14-В вилка|карб.||2008|Электродеталь|с заглушкой
  • 748 1 шт.
Артикул (ID): KK-15262
РШАВ ПБ-14-В вилка|карб.||2004|Электродеталь|с заглушкой
  • 748 1 шт.
Артикул (ID): KK-15261
РШАВ ПБ-14-В вилка|карб.||1994|Электродеталь|с заглушкой
  • 680 1 шт.

Недавно просмотренные товары

Принимаем к оплате
IP Electron в соцсетях