74 589 товаров в наличии и на заказ

Электронные компоненты и расходные материалы

$
Настройка отображения валюты
Полный каталог
Скидка на Конденсаторы
-20%

Кожух для РП10-30ЛП прямой металлический без крепежа, "1". (арт. KT-1261)

ОАО «Карачевский завод «Электродеталь»; " 1" - ОТК; нет ловителей; нет замка

Кожух для РП10-30ЛП прямой металлический с крепежом. Кожух предназначен для разъема РП10-30. Вся дополнительная информация находится во влажении на товар, см. pdf-файл.

Подробнее
Заметили
ошибку ?
Сообщите нам

Общая информация

Наименование Кожух для РП10-30ЛП прямой металлический без крепежа, "1".
Торговая марка ОАО «Карачевский завод «Электродеталь»
Страна изготовления РОССИЯ
Нормы и требования бР0.364.025 ТУ
Дата изготовленияi 2000-2009
Вид приемки i "1"- ОТК
Масса изделия, гр 45,2
Состояние упаковки самоупаковка
Транслитерация Straight metal casing for RP10-30LP with fasteners
Наличие паспорта - этикетки нет

Основные параметры

Функциональная группа Аксессуары для прямоугольных разъемов
Функциональный тип кожухи, патрубки
Вид кожуха, патрубка прямой для РП10-30
Серия прямоугольных соединителей РП10
Материал кожуха алюминий
Цвет кожуха серый
Наличие крепежа нет
Наличие ловителей нет ловителей
Наличие замка для фиксации нет замка
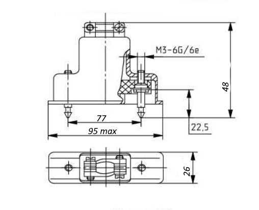
Габаритные размеры L*W*H 93х26х48 mm
Длина корпуса 93 mm
Ширина корпуса 26 mm
Фактическая маркировка РП10-30ЛП

Условия эксплуатации

Интервал рабочих температур от -60 до +125°C
Климатическое исполнениеi УХЛ 2.1
Ресурс 500 сочленений-расчленений
Загрузка...
Принимаем заказы на товары,
не вошедшие в каталог

Пришлите маркировку необходимого вам товара.
Мы предоставим Вам наилучшие условия по поставке!

Оформить заявку

Похожие товары

Артикул (ID): BV-4812
Кожух для РП10-42ЛУ-П-О угловой металлический без крепежа, бР0.364.025 ТУ
  • 48 1 шт.
Артикул (ID): KT-4277
Кожух для РП10-42Л-П-О прямой металлический без крепежа, бР0.364.025 ТУ
  • 1440 1 шт.
Артикул (ID): KT-1264
Кожух для РП10-30ЛП прямой металлический без крепежа, "1"
  • 441 1 шт.
Артикул (ID): KT-1260
Кожух для РП10-30ЛП прямой металлический без крепежа, "5"
  • 441 1 шт.
Артикул (ID): KT-737
Кожух для РП10-30ЛП прямой металлический без крепежа
  • 441 1 шт.
Артикул (ID): KP-3930
Кожух для РП10-15ЛП прямой металлический без крепежа
  • 135 1 шт.
Артикул (ID): TP-6113
Кожух для РП10-11ЛУ угловой металлический с крепежом
  • 270 1 шт.
Артикул (ID): TP-2300
Кожух для РП10-15ЛУ угловой металлический с крепежом
  • 135 1 шт.
Артикул (ID): TO-6989
Кожух для РП10-15ЛП прямой металлический с крепежом
Артикул (ID): TO-6988
Кожух для РП10-30ЛП прямой металлический с крепежом
  • 441 1 шт.
  • 419 от 5 шт.
Артикул (ID): TM-9728
Кожух для РП10-42ЛП прямой металлический с крепежом
  • 180 1 шт.
Артикул (ID): SN-9381
Кожух для РП10-30ЛУ угловой металлический с крепежом
Артикул (ID): SN-9380
Кожух для РП10-30ЛУ угловой металлический с крепежом.
  • 441 1 шт.
  • 405 от 5 шт.
Артикул (ID): SN-9373
Кожух для РП10-15ЛП прямой металлический с крепежом.
  • 135 1 шт.
  • 122 от 5 шт.
Артикул (ID): TN-8176
Кожух для РП10-15ЛП прямой металлический без крепежа.
  • 135 1 шт.

Недавно просмотренные товары

Принимаем к оплате
IP Electron в соцсетях