74 049 товаров в наличии и на заказ

Электронные компоненты и расходные материалы

$
Настройка отображения валюты
Полный каталог
Скидка на Конденсаторы
-20%

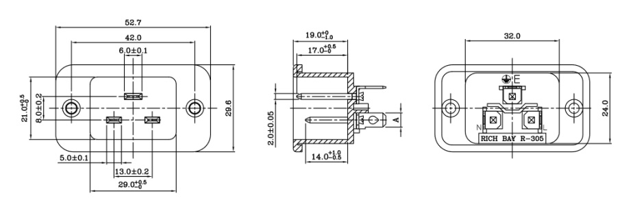
AC-032 Вилка панельная (арт. KP-5280 )

Штеккер панельный 3-х полюсный серии AC-0XX с фланцами RUICHI AC-032 предназначен для установки на корпуса электро, радиотехнических и телекоммуникационных устройств для обеспечения быстрого и безопасного их подключения к сети питания переменного тока через кабели c соответствующими разъемами. Вся дополнительная информация находится во вложении на товар, см. pdf-файл.

Подробнее
Заметили
ошибку ?
Сообщите нам

Общая информация

Наименование AC-032 Вилка панельная
Торговая марка RUICHI
Страна изготовления КИТАЙ
Код ТНВЭД 8536508008
Дата изготовленияi дата не указана
Масса изделия, гр 14,2
Вид упаковки картонная коробка (20шт)
Состояние упаковки самоупаковка
Наличие паспорта - этикетки нет

Основные параметры

Функциональная группа соединители
Функциональный тип сетевые вилки, розетки
Вид соединителя вилка
Серия сетевого соединителя AC
Количество контактов 3
Тип контактов штырь
Вид контактов ножевые
Материал контактов латунь
Покрытие контактов Ni (никель)
Метод монтажа механический на панель
Метод монтажа электрический пайка, клемма
Установочные размеры 32х24х14 mm
Размер монтажного отверстия 32,5х24,5 mm
Толщина панели 15 mm
Наличие фланца да
Тип крепления разъема винтовое
Типоразмер корпуса С20
Материал корпуса пластик
Цвет корпуса черный
Длина корпуса 52,7 mm
Ширина корпуса 29,6 mm
Высота корпуса 31,8 mm
Габаритные размеры L*W*H 29,6х52,7х31,8 mm
Фактическая маркировка отсутствует
Рабочее положение вертикальное или горизонтальное
Код ТНВЭД 8536508008

Технические характеристики

Номинальный ток 16 А
Номинальное напряжение 250 V
Сопротивление изоляции 100 MΩ
Электрическая прочность изоляции 2000 V

Условия эксплуатации

Интервал рабочих температур от -25 до +70°C
Ресурс 10000 сочленений-расчленений
Загрузка...
Принимаем заказы на товары,
не вошедшие в каталог

Пришлите маркировку необходимого вам товара.
Мы предоставим Вам наилучшие условия по поставке!

Оформить заявку

Похожие товары

Артикул (ID): CC-12479
Разъем питания AC-016 вилка на блок
  • 18.16 1 шт.
Артикул (ID): TT-05217
TJ1A-4P4C (L-KLS12-123-4P4C-W/O-1-01) Разъем KLS
  • 5.16 1 шт.
Артикул (ID): TT-05216
L-KLS12-TL002-1X1-G/Y-1-03, Разъем RJ45, экранированный (жёлтый/зелёный свет.) и трансформ, KLS
  • 117.38 1 шт.
Артикул (ID): TT-05214
L-KLS1-AS-222-15 Разъем 220В вилка на блок, 2 контакта KLS
  • 15.99 1 шт.
Артикул (ID): TT-05213
L-KLS1-233-0-0-1-R (Micro USB 5S-B), Разъем B Type, KLS
  • 5.09 1 шт.
Артикул (ID): TT-05212
L-KLS1-229-5FB-B-R, (MUBS-5F-SM) (USB/M-1J), miniUSB 5конт розетка smd, KLS
  • 5.27 1 шт.
Артикул (ID): TT-05211
KLS1-ASS-201 разъем KLS гнездо
  • 25.34 1 шт.
Артикул (ID): TT-05210
KLS1-AS-303-3 разъем KLS (выключатель)
  • 70.2 1 шт.
Артикул (ID): TT-05209
KLS1-AS-303-2 разъем KLS (выключатель)
  • 73.4 1 шт.
Артикул (ID): TT-05208
KLS1-AS-301-5 разъем KLS
  • 15.77 1 шт.
Артикул (ID): TT-05207
KLS1-AS-301-4 разъем KLS
  • 17.69 1 шт.
Артикул (ID): TT-05206
KLS1-AS-301 разъем KLS
  • 26.49 1 шт.
Артикул (ID): TT-05205
JHAC-02M1 (KLS1-AS-302-1) разъем гнездо JH
  • 8.78 1 шт.
Артикул (ID): TT-05204
AS-08 разъем гнездо Daier
  • 18.8 1 шт.
Артикул (ID): TT-05203
AS-07 разъем штекер Daier
  • 33.62 1 шт.

Недавно просмотренные товары

Принимаем к оплате
IP Electron в соцсетях