74 082 товаров в наличии и на заказ

Электронные компоненты и расходные материалы

$
Настройка отображения валюты
Полный каталог
Скидка на Конденсаторы
-20%

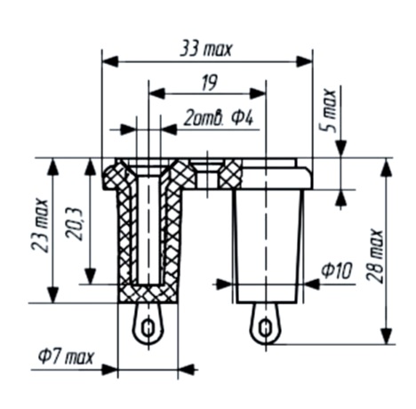
РД1-1 Розетка двухполюсная черная, га0.364.003 ТУ (арт. SN-8510)

Розетка двухполюсная РД1-1 черная. Предназначена для контроля электрических цепей радиоэлектронной аппаратуры, коммутации цепей переменного тока, подключения проводов и коннекторов в электро и радиоаппаратуре, присоединения переносных приемников постоянного тока напряжением до 36 В, встроенных в передвижных средствах наземного, водного и воздушного транспорта. Вся дополнительная информация находится во вложении на товар, см. pdf - файл.

Подробнее
Заметили
ошибку ?
Сообщите нам

Общая информация

Наименование РД1-1 Розетка двухполюсная черная, га0.364.003 ТУ
Торговая марка No name Russia
Страна изготовления РОССИЯ
Код ТНВЭД 8536508008
Нормы и требования га0.364.003 ТУ
Дата изготовленияi дата не указана
Вид приемки i "1"- ОТК
Масса изделия, гр 13
Состояние упаковки самоупаковка
Транслитерация RD1-1 two-pole black socket, ga0.364.003 TU
Наличие паспорта - этикетки нет

Основные параметры

Функциональная группа соединители
Функциональный тип сетевые вилки, розетки
Вид соединителя розетка
Серия сетевого соединителя РД1
Количество контактов 2
Размер контактов 4 mm
Тип контактов гнездо
Вид контактов круглые
Материал контактов латунь
Покрытие контактов химникель
Метод монтажа механический на панель
Метод монтажа электрический пайка
Установочные размеры 28,5х9,6 mm
Размер монтажного отверстия 28,7х9,8 mm
Толщина панели 29,3 mm
Наличие фланца нет
Тип крепления разъема винтовое
Материал корпуса бакелит
Цвет корпуса черный
Длина корпуса 32,8 mm
Ширина корпуса 19 mm
Высота корпуса 23 mm
Габаритные размеры L*W*H 19х28х33 mm
Фактическая маркировка отсутствует
Рабочее положение любое
Код ТНВЭД 8536508008

Технические характеристики

Номинальный ток 10 A
Номинальное напряжение 250 V
Сопротивление изоляции 1000 MΩ
Сопротивление контактов не более 0,01 Ω

Условия эксплуатации

Интервал рабочих температур от -60 до +100°С
Климатическое исполнениеi УХЛ
Минимальная наработка 10000 час.
Ресурс 104 сочленений-расчленений
Загрузка...
Принимаем заказы на товары,
не вошедшие в каталог

Пришлите маркировку необходимого вам товара.
Мы предоставим Вам наилучшие условия по поставке!

Оформить заявку

Похожие товары

Артикул (ID): SN-7615
ВД1 Вилка двухполюсная с прорезью, коричневая, 1993г
Артикул (ID): TN-2512
РД1 Розетка двухполюсная коричневая, "1"
Артикул (ID): TN-1279
РД1М Розетка двухполюсная коричневая
Артикул (ID): TT-05207
KLS1-AS-301-4 разъем KLS
  • 17.69 1 шт.
Артикул (ID): TT-05208
KLS1-AS-301-5 разъем KLS
  • 15.77 1 шт.
Артикул (ID): TT-05209
KLS1-AS-303-2 разъем KLS (выключатель)
  • 73.4 1 шт.
Артикул (ID): TT-05210
KLS1-AS-303-3 разъем KLS (выключатель)
  • 70.2 1 шт.
Артикул (ID): TT-05211
KLS1-ASS-201 разъем KLS гнездо
  • 25.34 1 шт.
Артикул (ID): TT-05212
L-KLS1-229-5FB-B-R, (MUBS-5F-SM) (USB/M-1J), miniUSB 5конт розетка smd, KLS
  • 5.27 1 шт.
Артикул (ID): TT-05213
L-KLS1-233-0-0-1-R (Micro USB 5S-B), Разъем B Type, KLS
  • 5.09 1 шт.
Артикул (ID): TT-05214
L-KLS1-AS-222-15 Разъем 220В вилка на блок, 2 контакта KLS
  • 15.99 1 шт.
Артикул (ID): TT-05216
L-KLS12-TL002-1X1-G/Y-1-03, Разъем RJ45, экранированный (жёлтый/зелёный свет.) и трансформ, KLS
  • 117.38 1 шт.
Артикул (ID): TT-05217
TJ1A-4P4C (L-KLS12-123-4P4C-W/O-1-01) Разъем KLS
  • 5.16 1 шт.
Артикул (ID): CC-12479
Разъем питания AC-016 вилка на блок
  • 18.16 1 шт.

Недавно просмотренные товары

Принимаем к оплате
IP Electron в соцсетях