74 009 товаров в наличии и на заказ

Электронные компоненты и расходные материалы

$
Настройка отображения валюты
Полный каталог
Скидка на Конденсаторы
-20%

Г1,6 Гнездо синее (арт. TK-4663)

No name USSR; 150 V

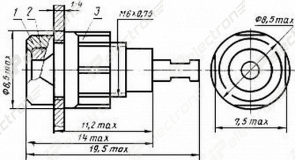
Гнездо Г1,6 синее однополюсное с диаметром рабочей поверхности контакта 1,6мм. Усилие сочленения/расчленения - 0,98 Н. Минимальное значения рабочего тока: 1 мА. Минимальные значения рабочего напряжения: 0,1 В. Ответной частью является Ш1,6. Вся дополнительная информация находится во вложении на товар, см. pdf - файл.

Подробнее
Заметили
ошибку ?
Сообщите нам

Общая информация

Наименование Г1,6 Гнездо синее
Торговая марка No name USSR
Страна изготовления СССР
Нормы и требования ГОСТ 22578-77
Дата изготовленияi 1976-1991
Вид приемки i "1"- ОТК
Масса изделия, гр 0,6
Вид упаковки полиэт. пакет (100шт)
Состояние упаковки самоупаковка
Транслитерация Jack blue G1,6

Основные параметры

Функциональная группа соединители
Функциональный тип штыри и гнёзда
Вид соединителя гнездо
Серия штекера, гнезда Г1,6
Фактическая маркировка отсутствует
Количество полюсов один
Цвет втулки белый
Материал втулки полистирол
Диаметр контакта разъема 1,6 mm
Метод монтажа механический на панель
Метод монтажа электрический пайка
Материал корпуса полистирол
Цвет корпуса синий
Количество контактов 1
Материал контактов латунь
Покрытие контактов Ag (серебро)
Установочные размеры 6,2 mm
Толщина панели 2 mm
Материал гайки полистирол
Покрытие гайки нет
Габаритные размеры L*W*H 19,5х8,5 mm

Технические характеристики

Номинальный ток 1 A
Номинальное напряжение 150 V
Сопротивление контактов не более 0,02 Ω
Сопротивление изоляции 1 MΩ
Линейные нагрузки 500
Диапазон рабочих частот 1
Ускорение при механическом ударе одиноч. действия 5 000
Ускорение при механическом ударе многокр. действия 1 500
Вибрационные нагрузки: максимальное ускорение 150

Условия эксплуатации

Интервал рабочих температур от -60 до +85°C
Климатическое исполнениеi УХЛ
Относительная влажность 98% при температуре +35°С
Макс. срок хранения 10 лет
Ресурс 25000 сочленений-расчленений
Минимальная наработка 5000 час.

Оставить отзыв

Оценка:
              
Преимущества *
Недостатки *
Комментарий *
Ваше Имя *
Эл. почта *
Введите текст с картинки:
* Поля для обязательного заполнения
Отзыв будет опубликован после проверки модератором
Принимаем заказы на товары,
не вошедшие в каталог

Пришлите маркировку необходимого вам товара.
Мы предоставим Вам наилучшие условия по поставке!

Оформить заявку

Недавно просмотренные товары

Принимаем к оплате
IP Electron в соцсетях