74 132 товаров в наличии и на заказ

Электронные компоненты и расходные материалы

$
Настройка отображения валюты
Полный каталог
Скидка на Конденсаторы
-20%

ГИ4 Гнездо, карболит (арт. KP-2637)

No name USSR; 250 V

Гнездо ГИ4. Предназначено для контроля электрических цепей радиоэлектронной аппаратуры, коммутации цепей переменного тока, подключения проводов и коннекторов в электро и радиоаппаратуре, присоединения переносных приемников постоянного тока напряжением до 36 В, встроенных в передвижных средствах наземного, водного и воздушного транспорта.

Подробнее
Заметили
ошибку ?
Сообщите нам

Общая информация

Наименование ГИ4 Гнездо, карболит
Торговая марка No name USSR
Страна изготовления РОССИЯ
Нормы и требования ТУ 31.2-32213936-006:2010
Дата изготовленияi дата не указана
Вид приемки i "1"- ОТК
Масса изделия, гр 2
Вид упаковки полиэт. пакет (20шт)
Состояние упаковки самоупаковка
Транслитерация Jack GI4
Наличие паспорта - этикетки нет

Основные параметры

Функциональная группа соединители
Функциональный тип штыри и гнёзда
Вид соединителя гнездо
Серия штекера, гнезда ГИ4
Фактическая маркировка отсутствует
Количество полюсов один
Цвет втулки белый
Материал втулки металл
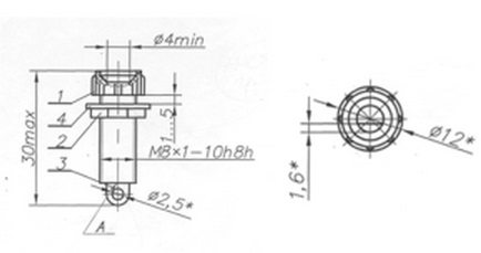
Диаметр контакта разъема 4 mm
Метод монтажа механический на панель
Метод монтажа электрический пайка
Материал корпуса карболит
Цвет корпуса коричневый
Количество контактов 1
Материал контактов медь
Покрытие контактов Ag (серебро)
Установочные размеры Ø 8,2 mm
Толщина панели 1 - 4 mm
Материал гайки металл
Покрытие гайки нет
Габаритные размеры L*W*H 13х28
Наличие паспорта - этикетки нет

Технические характеристики

Номинальный ток 6 A
Номинальное напряжение 250 V
Сопротивление контактов не более 0,01 Ω
Сопротивление изоляции 1000 MΩ
Диапазон рабочих частот 1 - 2000 Hz
Ускорение при механическом ударе одиноч. действия 150 m/с²
Ускорение при механическом ударе многокр. действия 100 m/с²

Условия эксплуатации

Интервал рабочих температур от -40 до +60°С
Климатическое исполнениеi УХЛ 1.1
Относительная влажность 98% при температуре +35°С
Макс. срок хранения 15 лет
Минимальная наработка 10 000 час.

Оставить отзыв

Оценка:
              
Преимущества *
Недостатки *
Комментарий *
Ваше Имя *
Эл. почта *
Введите текст с картинки:
* Поля для обязательного заполнения
Отзыв будет опубликован после проверки модератором
Принимаем заказы на товары,
не вошедшие в каталог

Пришлите маркировку необходимого вам товара.
Мы предоставим Вам наилучшие условия по поставке!

Оформить заявку

Недавно просмотренные товары

Принимаем к оплате
IP Electron в соцсетях